GM Service Manual Online
For 1990-2009 cars only

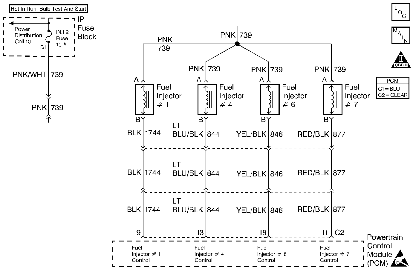
Object Number: 191617  Size: MF
Engine Controls Components
Cell 21: Fuel Injectors
OBD II Symbol Description Notice
ESD Notice

Circuit Description

This PCM contains a General F.E.T. (Field Effect Transistor) Driver (GFD) that controls the eight fuel injector drivers. The GFD contains circuitry that is used to determine if there is a problem with any of the fuel injector circuits. The GFD has a fault line for each injector. The fault line goes high when an open, short to ground, or short to voltage is noticed in an injector circuit. DTC P0204 is set when the fault line for injector #4 is high.

Conditions for Running the DTC

    •  DTCs P0560 and P1376 not set.
    •  Ignition voltage between 10 and 16 volts.

Conditions for Setting the DTC

An injector circuit fault is detected for 0.5 second.

Action Taken When the DTC Sets

PCM disables Closed Loop operation.

    •  The PCM will illuminate the malfunction indicator lamp (MIL) when the diagnostic runs and fails.
    •  The PCM will record operating conditions at the time the diagnostic fails. This information will be stored in the Freeze Frame and Failure Records.

Conditions for Clearing the MIL/DTC

    •  The PCM will turn the MIL OFF after three consecutive drive trips that the diagnostic runs and does not fail.
    •  A Last Test Failed (current) DTC will clear when the diagnostic runs and does not fail.
    •  A History DTC will clear after forty consecutive warm-up cycles with no failures of any emission related diagnostic test.
    • Use a scan tool to clear DTCs.
    • Interrupting PCM battery voltage may or may not clear DTCs. This practice is not recommended. Refer to Clearing Diagnostic Trouble Codes in Powertrain Control Module Description .

Test Description

The numbers below refer to the step numbers on the Diagnostic Table.

  1. If DTCs P0201, P0206 and P0207 are also set, power must be disabled to injectors 1, 4, 6 and 7.

  2. If DTC P0204 is not current, drive vehicle until DTC resets. This will bring the injectors to a temperature at which the DTC may set.

  3. Checking to see if injector #4 is receiving voltage. If not, the fault must be in the injector 1, 4, 6, 7 Ignition feed circuit between the splice and injector #4.

  4. Checking for a shorted injector. Resistance should be between 8 to 25 ohms.

  5. Checking for poor terminal contact at PCM connector C2 terminal 13.

  6. Checking for an open or short to ground in the injector 4 control circuit between PCM and fuel rail connector.

  7. Checking for a short to ground in the injector 4 control circuit between fuel rail connector and injector #4.

  8. Checking for an open fuel injector. Resistance should be between 8 to 25 ohms.

Step

Action

Value(s)

Yes

No

1

Did you perform the Powertrain On-Board Diagnostic (OBD) System Check?

--

Go to Step 2

Go to Powertrain On Board Diagnostic (OBD) System Check

2

  1. Connect a scan tool.
  2. Turn the key ON.

Are DTCs P0201, P0206 and P0207 also set?

--

Go to DTC P0201 Injector 1 Control Circuit

Go to Step 3

3

On the scan tool select Last Tst. Fail.

Has this DTC failed its last test?

--

Go to Step 5

Go to Step 4

4

Clear DTCs, operate vehicle until DTC P0204 resets.

Does DTC P0204 reset?

--

Go to Step 5

Fault not present.

Go to Diagnostic Aids

5

  1. Turn the key to OFF.
  2. Disconnect fuel injector #4 connector.
  3. Turn the key ON.
  4. Using DMM J 39200 measure voltage to ground at injector #4 connector (harness side) terminal A.

Is voltage the same or higher than the value specified?

10 volts

Go to Step 6

Go to Step 13

6

  1. Record fluid life indexes, turn the key to OFF and wait 30 seconds.
  2. Reconnect fuel injector #4 connector.
  3. Disconnect PCM connector C2.
  4. Key ON, measure voltage to ground at PCM connector C2 terminal 13 (harness side).

Is voltage more than the value specified?

10 volts

Go to Step 7

Go to Step 10

7

  1. Disconnect fuel injector #4 connector.
  2. Measure resistance between injector pins A and B (injector).

Is resistance more than the value specified?

8 ohms

Go to Step 8

Go to Step 18

8

Measure voltage to ground at injector #4 connector terminal B (harness side).

Is voltage the same or lower than the value specified?

0.1 volt

Go to Step 9

Go to Step 14

9

  1. Check terminal contact at PCM connector C2.
  2. Repair terminal contact if needed.

Was terminal contact repaired?

--

Go to Powertrain Control Module Diagnosis for Verify Repair

Go to Step 19

10

  1. Turn the key to OFF.
  2. Reconnect PCM connector C2.
  3. Disconnect fuel rail connector.
  4. Key ON, measure voltage to ground at fuel rail connector (injector side) terminal E.

Is voltage lower than the value specified?

10 volts

Go to Step 11

Go to Step 15

11

  1. Disconnect fuel injector #4 connector.
  2. Measure resistance to ground at fuel rail connector (injector side) terminal E.

Is resistance more than the value specified?

10K ohms

Go to Step 12

Go to Step 16

12

Measure resistance between injector #4 pins A and B.

Is resistance more than the value specified?

25 ohms

Go to Step 18

Go to Step 17

13

Repair open in the injector 1, 4, 6, 7 igniton feed circuit between splice and fuel injector #4. Refer to Wiring Repairs in Wiring Systems.

Is the repair complete?

--

Go to Powertrain Control Module Diagnosis for Verify Repair

--

14

Repair short to voltage on the injector 4 control circuit. Refer to Wiring Repairs in Wiring Systems.

Is the repair complete?

--

Go to Powertrain Control Module Diagnosis for Verify Repair

--

15

Repair open or short to ground in the injector 4 control circuit between fuel rail connector and injector #4. Refer to Wiring Repairs in Wiring Systems.

Is the repair complete?

--

Go to Powertrain Control Module Diagnosis for Verify Repair

--

16

Repair short to ground in the injector 4 control circuit between fuel rail connector and injector #4. Refer to Wiring Repairs in Wiring Systems.

Is the repair complete?

--

Go to Powertrain Control Module Diagnosis for Verify Repair

--

17

Repair open in the injector 4 control circuit between fuel rail connector and injector #4. Refer to Wiring Repairs in Wiring Systems.

Is the repair complete?

--

Go to Powertrain Control Module Diagnosis for Verify Repair

--

18

Replace the fuel injector. Refer to Fuel Injector Replacement .

Is the replacement complete?

--

Go to Powertrain Control Module Diagnosis for Verify Repair

--

19

Replace the PCM. Refer to Powertrain Control Module Replacement/Programming .

Is the replacement complete?

--

Go to Powertrain Control Module Diagnosis for Verify Repair

--