GM Service Manual Online
For 1990-2009 cars only
Makes
🢒
Oldsmobile
🢒
1999
🢒
Aurora
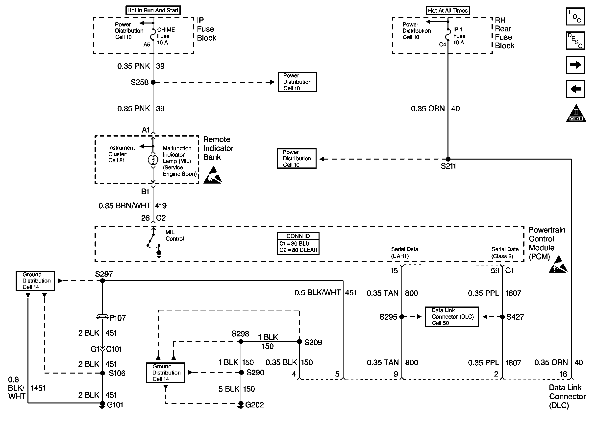
🢒 Cell 21: MIL Control, DLC
Cell 21: MIL Control, DLC
Cell 21: MIL Control, DLC
Engine Controls Components
Powertrain Control Module Description
Cell 21: Ignition Control Module
Cell 21: PCM Power and Grounds
OBD II Symbol Description Notice
Power Distribution Schematics
Power Distribution Schematics
Power Distribution Schematics
Instrument Cluster: Analog Schematics
Power Distribution Schematics
Powertrain Control Module Connector End Views
Ground Distribution Schematics
Handling ESD Sensitive Parts Notice
Ground Distribution Schematics
Data Link Connector Schematics
Handling ESD Sensitive Parts Notice