GM Service Manual Online
For 1990-2009 cars only

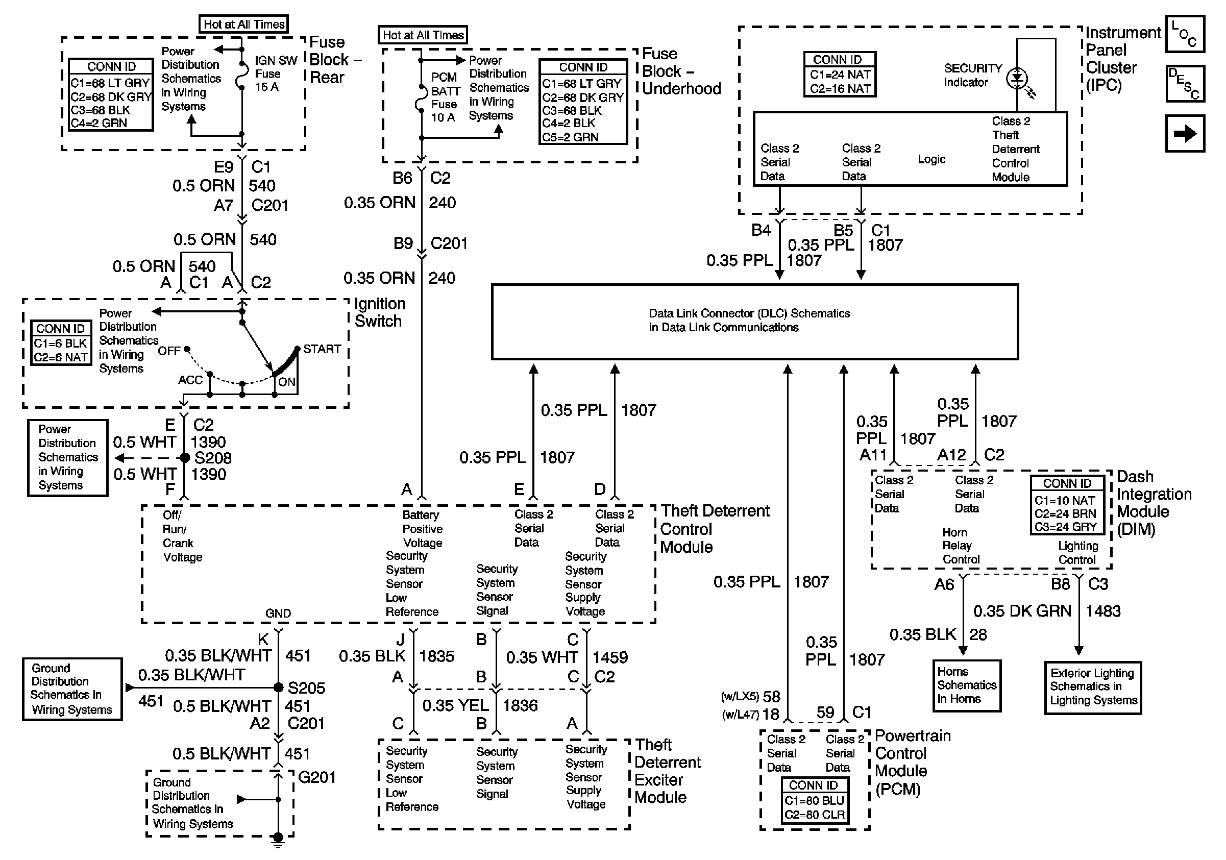
Refer to one of the following Theft Deterrent System schematics:

    • 

Theft Deterrent Control Module


Object Number: 623196  Size: FS
Master Electrical Component List
Vehicle Theft Deterrent (VTD) Description and Operation
Door Lock Actuators
License Plate Lamps, Park Lamp Relay
Horns
Serial Data Class 2
Battery Feed to the Fuse Block-Underhood
IGN SW (Fuse Block-Rear)
IGN SW Fuse (Fuse Block-Rear)
IGN SW Fuse (Fuse Block-Rear)
G201 (2 of 2)
G201 (2 of 2)
    • 

Door Lock Actuators


Object Number: 623197  Size: FS
Master Electrical Component List
Content Theft Deterrent (CTD) Description and Operation
Theft Deterrent Control Module
Serial Data Class 2

Circuit Description

The vehicle theft deterrent (VTD) controller module checks the theft deterrent exciter module supply circuit for a no voltage condition.

Conditions for Running the DTC

The VTD controller module must see the ignition switch input. The VTD module can not have DTC B1327 set as a current DTC.

Conditions for Setting the DTC

If the VTDcontroller module senses the supply to the theft deterrent exciter module is 0 V for 1 second.

Action Taken When the DTC Sets

The VTDcontroller module will "fail enable" the VTD system and allow the vehicle to start. The VTD controller module will illuminate the security indicator.

Conditions for Clearing the MIL/DTC

The VTDcontroller module clears the current status of the DTC when it does not sense a 0 V condition on the theft deterrent exciter module supply circuit. The DTC will still be retrieved as current until the ignition switch is cycled. The DTC will become a history DTC at that time.

Diagnostic Aids

Refer to Testing for Intermittent Conditions and Poor Connections and Testing for Electrical Intermittents in Wiring Systems.

Test Description

The numbers below refer to the step numbers on the diagnostic table.

  1. Make sure the good ground used is separate from the grounds used by the vehicle theft deterrent module. Voltage measurement must not interfere with possible isolated module ground.

Step

Action

Value(s)

Yes

No

1

Did you perform A Diagnostic System Check - Theft Deterrent ?

--

Go to Step 2

Go to Diagnostic System Check - Theft Deterrent

2

  1. Turn OFF the ignition.
  2. Disconnect the theft deterrent exciter module.
  3. Turn ON the ignition, with the engine OFF
  4. Measure the voltage from the security system sensor supply voltage circuit to a good ground.

Does the voltage measure near the specified value?

12 V

Go to Step 4

Go to Step 3

3

Test the security system sensor supply voltage circuit for a short to ground. Refer to Circuit Testing in Wiring Systems.

Did you find and correct the condition?

--

Go to Step 8

Go to Step 5

4

Inspect for poor connections/terminal tension at the theft deterrent exciter module harness connector. Refer to Testing for Intermittent Conditions and Poor Connections and Connector Repairs in Wiring Systems.

Did you find and correct the condition?

--

Go to Step 8

Go to Step 6

5

Inspect for poor connections/terminal tension at the vehicle theft deterrent (VTD) controller module harness connector. Refer to Testing for Intermittent Conditions and Poor Connections and Connector Repairs in Wiring Systems .

Did you find and correct the condition?

--

Go to Step 8

Go to Step 7

6

Replace the theft deterrent exciter module. Refer to Theft Deterrent Exciter Module Replacement .

Did you complete the replacement?

--

Go to Step 8

--

7

Important: Perform the programming replacement keys, ignition cylinder or PCM procedure when replacing the theft deterrent controller module.

Replace the Theft Deterrent Controller Module. Refer to Theft Deterrent Controller Module Replacement .

Did you complete the replacement?

--

Go to Step 8

--

8

Clear the diagnostic trouble codes.

Operate the vehicle within the Conditions for Running the DTC as specified in the supporting text.

Does the DTC reset?

--

Go to Step 2

System OK