GM Service Manual Online
For 1990-2009 cars only
Figure 1:

Battery


Object Number: 538450  Size: MF
(1)Fuse Block - Rear
(2)Battery
(3)G305
(4)Negative Battery Cable
(5)Positive Battery Cable
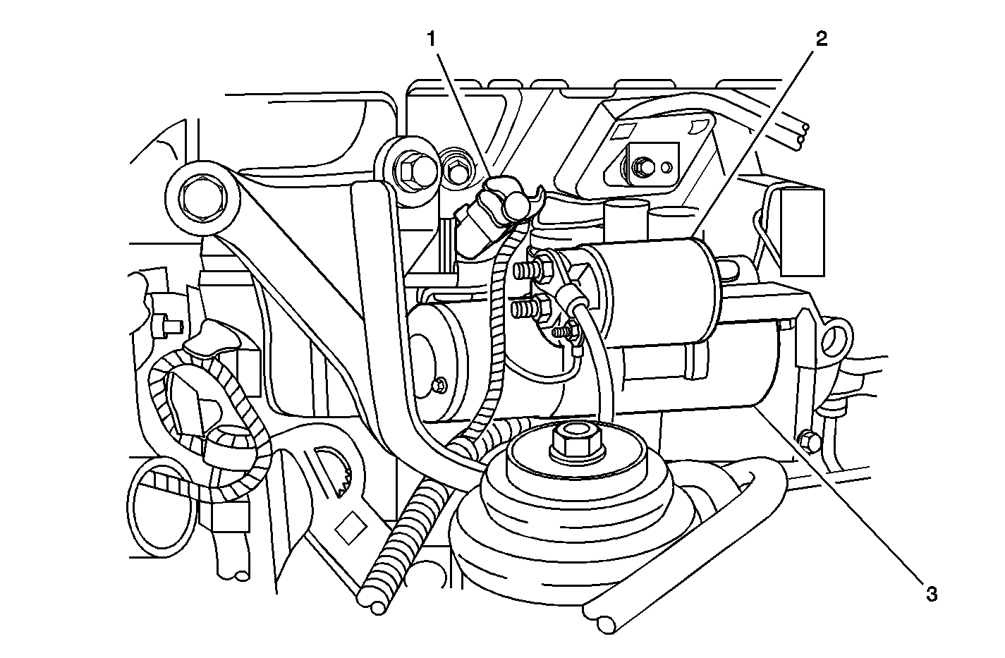
Figure 2:

Lower Center Front of Engine (LX5)


Object Number: 533624  Size: MF
(1)Engine Oil Pressure (EOP) Sensor
(2)Starter Solenoid
(3)Starter Assembly
Figure 3:

Center of Engine, Under Intake Manifold


Object Number: 620290  Size: MF
(1)Starter Assembly
(2)Starter Solenoid
Figure 4:

Lower Right Front of Engine (LX5)


Object Number: 533630  Size: MF
(1)Generator
(2)Battery Positive Voltage Terminal
Figure 5:

Lower Right Front of Engine (L47)


Object Number: 620293  Size: MF
(1)Generator
(2)Battery Positive Voltage Terminal
(3)Generator Electrical Connector