GM Service Manual Online
For 1990-2009 cars only
Makes
🢒
Oldsmobile
🢒
2001
🢒
Aurora
🢒
Body and Accessories
🢒
Wiring Systems
🢒 Driver Information System Schematics
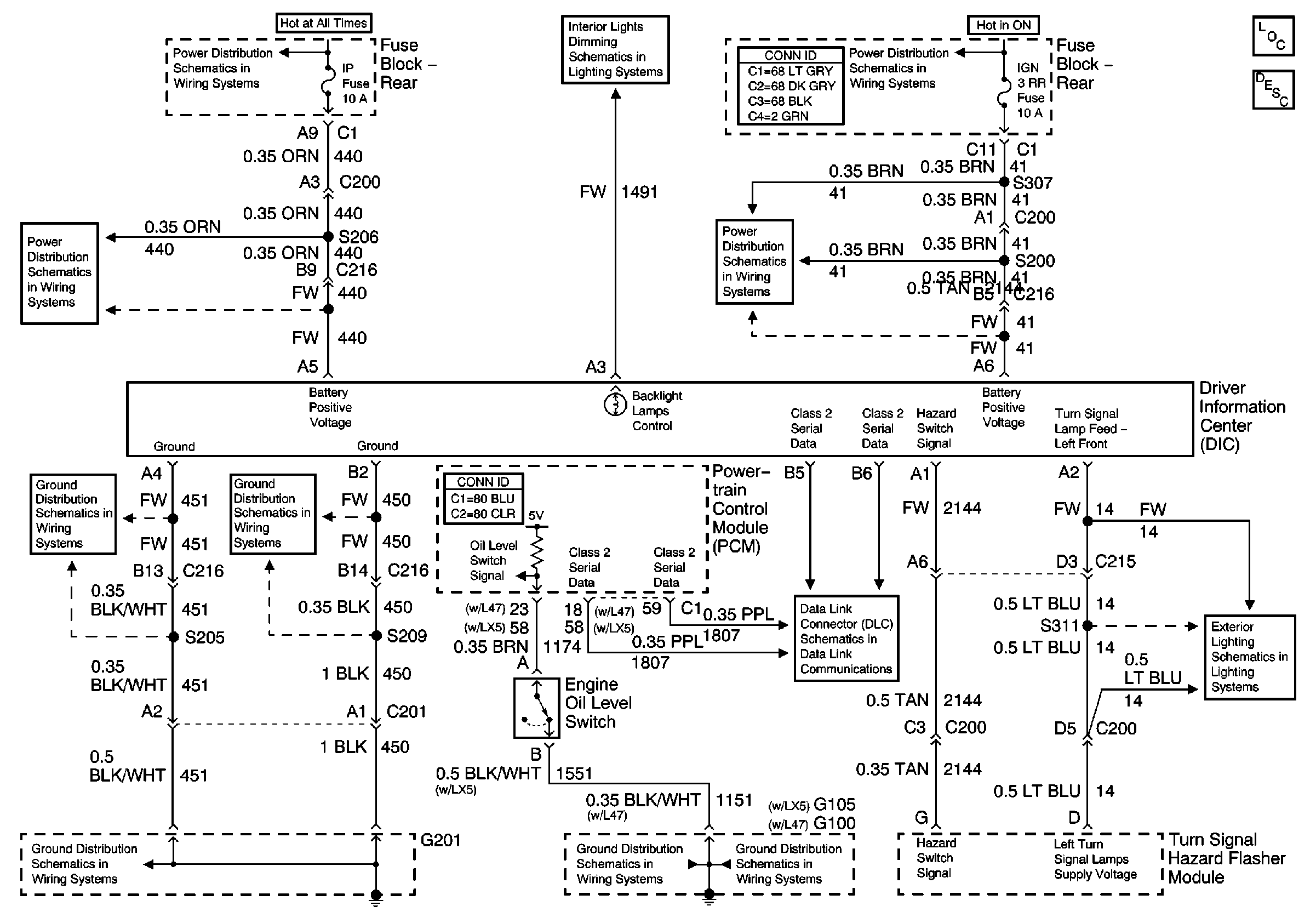
Driver Information System
Master Electrical Component List
Serial Data Class 2
Instrument Panel/Console Dimming
G201 (2 of 2)
G201 (1 of 2)
Turn Signal/Hazard Lamps-Left
G201 (2 of 2)
IGN 3 RR, ABS, HVAC Fuses (Fuse Block-Rear)
IGN 3 RR, ABS, HVAC Fuses (Fuse Block-Rear)
HVAC BLO, AUDIO, IP Fuses (Fuse Block-Rear)