GM Service Manual Online
For 1990-2009 cars only
Figure 1:

Ground Locations


Object Number: 709716  Size: MF
(1)G100
(2)G107
(3)G103
(4)G101
(5)G105 (LX5)
(6)G201
(7)G301
(8)G303
(9)G404
(10)G305
(11)G401
(12)G402
(13)G302
(14)G310
(15)G300
(16)G200
(17)G104 (LX5) G105 (L47)
(18)G106
(19)G104 (L47)
(20)G102
Figure 2:

Pass Through


Object Number: 697733  Size: LF
(1)P103
(2)P102
(3)P104
(4)P600
(5)P800
(6)P401
(7)P402
(8)P403
(9)P400
(10)P700
(11)P500
(12)P100
Figure 3:

Inline Connectors


Object Number: 696653  Size: MF
(1)C100
(2)C101
(3)C102
(4)Underhood Fuse Block
(5)C106
(6)C107
(7)C108
(8)C109
(9)C112
(10)C200
(11)C201
(12)C202
(13)C204
(14)C210
(15)C215
(16)C216
(17)C301
(18)C302
(19)C305
(20)C314
(21)C317
(22)C318
(23)C322
(24)C329
(25)C400
(26)C401
(27)C402
(28)C405
(29)Rear Fuse Block
(30)C406
(31)C415
(32)C420
(33)C430
(34)C500
(35)C503
(36)C600
(37)C603
(38)C700
(39)C701
(40)C703
(41)C800
(42)C801
(43)C803
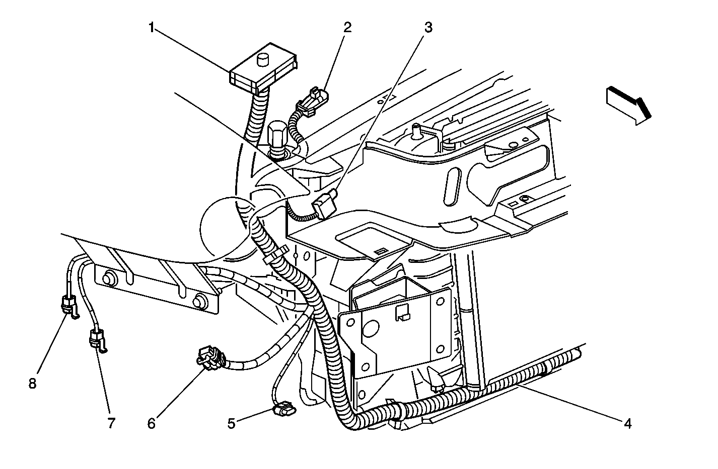
Figure 4:

Engine Compartment - Right Front


Object Number: 703656  Size: MF
(1)Fuse Block - Underhood
(2)C109
(3)C103
(4)To Cooling Fans and Left Front Lights
(5)Fog Lamp Connector
(6)C109 (RH); C108 (LH)
(7)Windshield Washer Level Switch Connector
(8)Windshield Washer Fluid Pump Connector
Figure 5:

Right Rear Engine Compartment


Object Number: 703690  Size: MF
(1)P102
(2)P104
(3)A/C Refrigerent Temperature Sensor
Figure 6:

In the Engine Compartment Right Rear


Object Number: 703711  Size: MF
(1)A/C Orifice Solenoid
(2)Engine Coolant Temperature Sensor
(3)Fuse Block - Underhood C2
(4)G103
(5)C109
(6)Fuse Block - Underhood C1
Figure 7:

On Engine (LX5) Left Side


Object Number: 703731  Size: MF
(1)C100
(2)G104
(3)S104
(4)S103
(5)To Left Front Wheel Speed Sensor
(6)To PCM
(7)Electronic Brake Control Module EBCM C2
(8)G100
(9)G102
(10)Mass Air Flow (MAF) Sensor
Figure 8:

On Engine (LX5) Right Rear


Object Number: 703737  Size: MF
(1)Oil Pressure Switch
(2)To Oil Level Sensor
(3)G105
(4)Vehicle Speed Sensor (VSS)
(5)C131
Figure 9:

Engine (LX5) Rear


Object Number: 703773  Size: MF
(1)S110
(2)S106
(3)Rear Ignition Module (RIM)
(4)Heated Oxygen Sensor - Rear
(5)Fuel Injector 2
(6)Fuel Injector 4
(7)Fuel Injector 6
(8)Purge Solenoid
(9)S105
(10)Throttle Position (TP) Sensor
(11)Idle Air Control
(12)EGR
(13)MAP Sensor
Figure 10:

Engine (L47) Left Side


Object Number: 703778  Size: MF
(1)EGR Valve Sensor
(2)Mass Air Flow Connector
(3)PCM Connectors
(4)C100
(5)G105
(6)S103
(7)S104
(8)To Left Front Wheel Speed Sensor
(9)Electronic Brake Control Module C2
Figure 11:

Engine (L47) Left Front


Object Number: 703783  Size: MF
(1)G102
(2)G104
(3)G100
Figure 12:

Top of the Engine


Object Number: 703790  Size: MF
(1)Ignition Control Module - Front Bank
(2)Fuel Injector 7
(3)Fuel Injector 5
(4)Fuel Injector 3
(5)Fuel Injector 1
(6)Power Steering Pump
(7)C131
(8)Fuel Injector 2
(9)Injector Control Module Rear Bank
(10)Fuel Injector 4
(11)Fuel Injector 6
(12)Fuel Injector 8
Figure 13:

Left Front of the Engine (L47)


Object Number: 703813  Size: MF
(1)C100
(2)Heated Oxygen Sensor (HO2S) - Front
Figure 14:

On Engine (L47) Right Rear


Object Number: 703841  Size: MF
(1)Camshaft Sensor
(2)S103
(3)S104
(4)To Right Wheel Speed Sensor
(5)Vehicle Speed Sensor (VSS)
(6)Right Front Heated Oxygen Sensor
Figure 15:

Passenger Compartment, Lower Left Front Corner


Object Number: 461069  Size: LF
(1)C215
(2)S215
(3)S216
(4)P100
(5)Inflatable Restraint Steering Wheel Module Coil
(6)C200
(7)C202
(8)To Stop Lamp Switches
(9)C500
(10)G200
(11)S217
(12)Park Brake Switch
Figure 16:

Passenger Compartment Console


Object Number: 703843  Size: MF
(1)C210
Figure 17:

Behind the Inside Rear View Mirror


Object Number: 703850  Size: MF
(1)Rain Sensor
(2)Rain Sensor Trim Cover
Figure 18:

Right Side of HVAC Housing


Object Number: 482181  Size: MF
(1)Blower Motor Control Processor
(2)Air Temperature Actuator - Right
(3)Recirculation Actuator
(4)Blower Motor
Figure 19:

Passenger Compartment, behind the Right Side of the IP


Object Number: 703879  Size: MF
(1)Dash Integration Module (DIM)
(2)Dash Integration Module (DIM) C2
(3)Inflatable Restraint IP Module Connector
(4)G201
(5)Battery Cable
Figure 20:

Right Front Door Module


Object Number: 461047  Size: LF
(1)RH Front Door Module (C3) (LH Similar)
(2)RH Front Door Module (C1) (LH Similar)
(3)RH Front Door Module (C2) (LH Similar)
(4)RH Front Door Module (C4) Outside Power Mirror Pigtail (LH Similar)
(5)C503 (LH) C603 (RH)
(6)RH Front Door Module (LH Similar)
(7)S500 (LH) S602 (RH)
Figure 21:

The Right Front Door Wiring


Object Number: 708792  Size: MF
(1)P600 (RF) P500 (LF)
(2)C600 (RF) C500 (LF)
Figure 22:

Left Front of the Vehicle Behind the Rotor


Object Number: 708804  Size: MF
(1)Front Wheel Speed Sensor
Figure 23:

Under the Rear Seat On the Left Side


Object Number: 708813  Size: MF
(1)Rear Fuse Block
(2)Lateral Accelerometer Sensor
(3)SP302/G302
Figure 24:

Under the Right Front Seat


Object Number: 708850  Size: MF
(1)SDM Ground
(2)G300
Figure 25:

LH Front Seat Back


Object Number: 708855  Size: MF
(1)Lumbar Vertical Position Sensor
(2)Lumbar Vertical Motor
(3)LF Seat Recline Motor
(4)S330
(5)Lumbar Horizontal Motor
(6)Lumbar Horizontal Position Sensor
Figure 26:

Driver Center Pillar


Object Number: 491453  Size: LF
(1)Inflatable Restraint Side Impact Sensor (SIS) -- Left (Right Similar)
(2)Driver Center Pillar (Passenger Similar)
(3)Inflatable Restraint Side Impact Sensor (SIS) -- Left Connector and Wiring Harness (Right Similar)
(4)S302
Figure 27:

Under the Rear Seat On the Left Side


Object Number: 708813  Size: MF
(1)Rear Fuse Block
(2)Lateral Accelerometer Sensor
(3)SP302/G302
Figure 28:

Front Seat Wiring


Object Number: 709006  Size: MF
(1)LH S315, RH S316
(2)LH S324, RH S322
(3)LH S321, RH S323
(4)LH C318
(5)LH C314, RH C317
(6)LH S317
(7)LH S319
(8)LH S320
Figure 29:

Behind The Rear Seat Back Left Side


Object Number: 709034  Size: MF
(1)Rear Integration Module
(2)Rear Integration Module C1
(3)C329
(4)Rear Integration Module C2
Figure 30:

Passenger Compartment, behind the Right Side of the Rear Seat


Object Number: 709039  Size: MF
(1)Vehicle Interface Unit (VIU)
(2)OnStar® GPS Antenna Lead
(3)Vehicle Communication Unit (VCU)
(4)S360, S361
(5)C345
Figure 31:

Passenger Compartment, Behind the Right Rear Sail Panel


Object Number: 709044  Size: MF
(1)G404
(2)C405
(3)Radio Antenna
Figure 32:

Passenger Compartment, Behind the Right Rear Sail Panel


Object Number: 709053  Size: MF
(1)C405
(2)C322
(3)Sun Roof Drain
Figure 33:

Under the Left Rear of the Vehicle


Object Number: 709300  Size: MF
(1)P400
(2)C401
(3)Evaporative Emissions Canister Vent Valve
(4)Automatic Level Control (ALC) Sensor