GM Service Manual Online
For 1990-2009 cars only
Makes
🢒
Oldsmobile
🢒
2001
🢒
Aurora
🢒
Body and Accessories
🢒
Wiring Systems
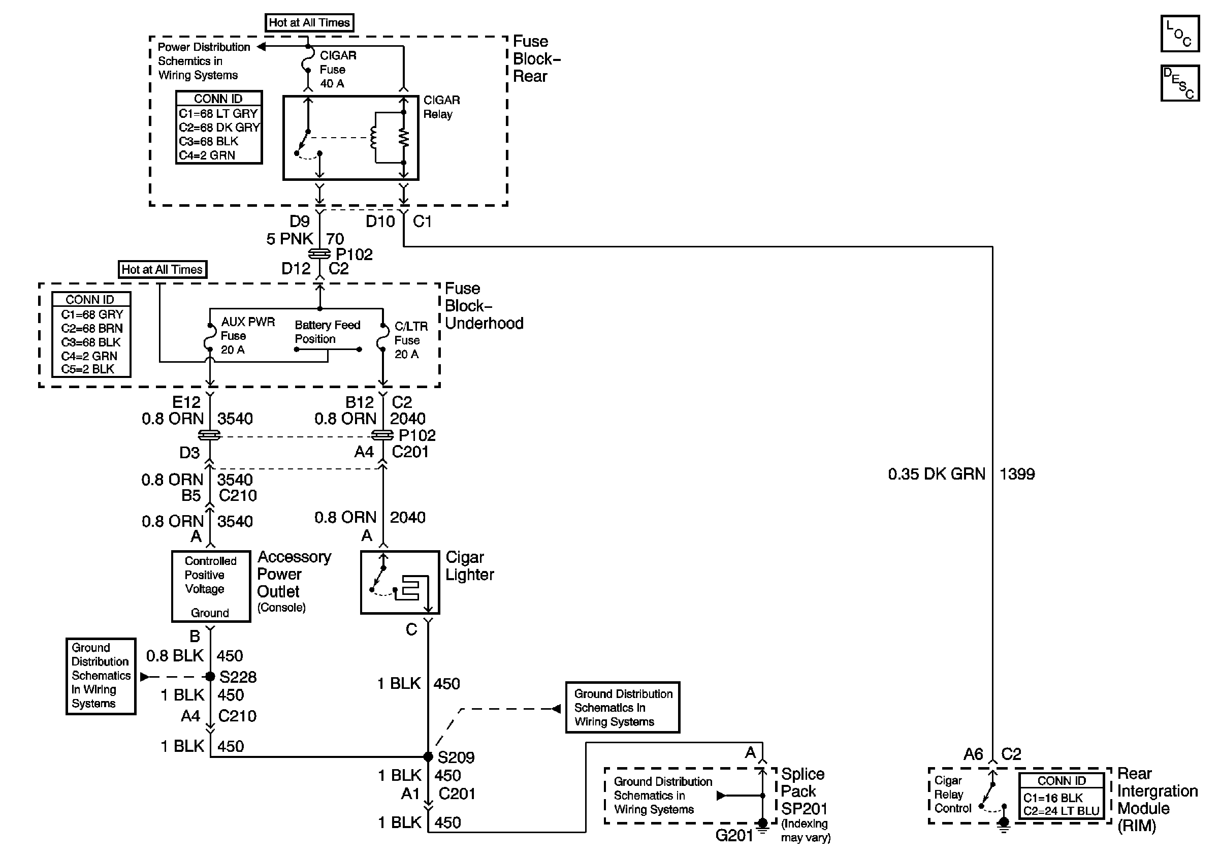
🢒 Cigar Lighter/Power Outlet Schematics
Master Electrical Component List
Power and Grounding Circuit Description
Battery Feed to the Fuse Block-Rear
G201 (1 of 2)
G201 (1 of 2)
G201 (1 of 2)