GM Service Manual Online
For 1990-2009 cars only
Makes
🢒
Oldsmobile
🢒
2001
🢒
Aurora
🢒 Body Rear End
Body Rear End
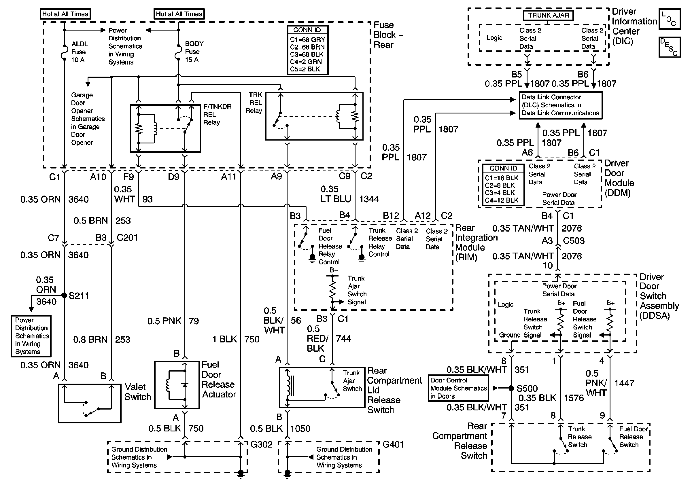
Master Electrical Component List
Trunk Circuit Description
G302
G401 (1 of 2)
Battery Feed to the Fuse Block-Rear
Garage Door Opener
Serial Data Class 2
Driver Door Switch Assembly
HVAC BATT, DRVMDL, PASSMDL, RRDRMDL, ELC, RR DEFOG Fuses and ELC, RRDEFOG Relays (Fuse Block-Rear)
HVAC BATT, DRVMDL, PASSMDL, RRDRMDL, ELC, RR DEFOG Fuses and ELC, RRDEFOG Relays (Fuse Block-Rear)