GM Service Manual Online
For 1990-2009 cars only
Makes
🢒
Oldsmobile
🢒
2001
🢒
Aurora
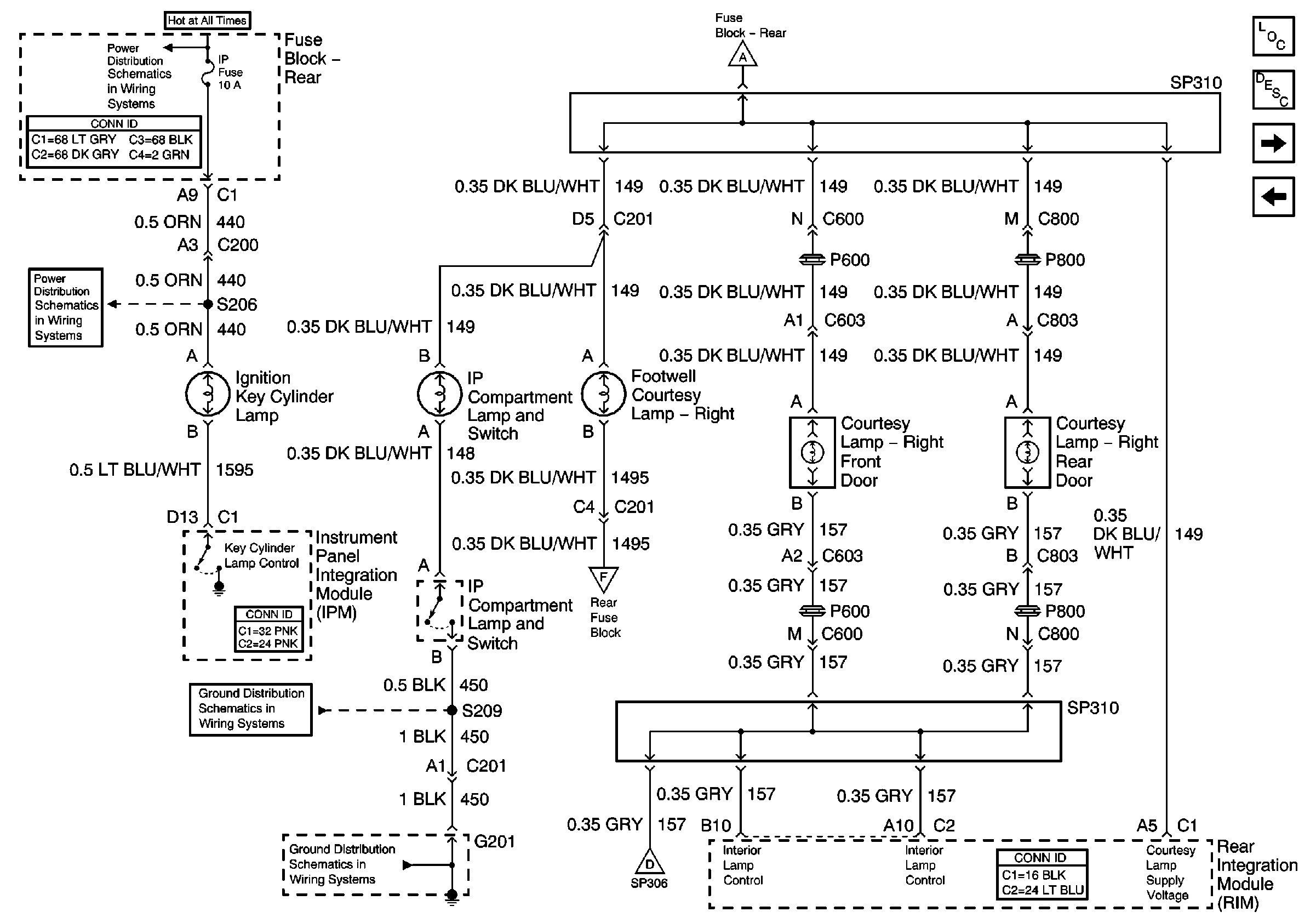
🢒 Courtesy Lamps-Right
Courtesy Lamps-Right
Courtesy Lamps-Right
Master Electrical Component List
Interior Lighting Systems Description and Operation
Overhead Reading, Courtesy, and Vanity Mirror Lamps
Courtesy Lamps-Left
Battery Feed to the Fuse Block-Rear
Interior and Front Courtesy Lamp Relays
HVAC BLO, AUDIO, IP Fuses (Fuse Block-Rear)
Interior and Front Courtesy Lamp Relays
G201 (1 of 2)
G201 (1 of 2)
Courtesy Lamps-Left