GM Service Manual Online
For 1990-2009 cars only

Generator Replacement L47

Removal Procedure

The Delphi AD237 (KG7) generator is serviced as a complete unit only.

  1. Disconnect the battery negative cable. Refer to Battery Negative Cable Disconnection and Connection .
  2. Remove the drive belt. Refer to Drive Belt Replacement in Engine Mechanical-4.0L.
  3. Remove the radiator. Refer to Radiator Replacement in Engine Cooling.

  4. Object Number: 289415  Size: SH
  5. Disconnect the wiring harness connector from the generator.
  6. Reposition the protective boot from the generator output BAT terminal for access.
  7. Remove the generator output BAT terminal nut and disconnect the positive lead from the generator.

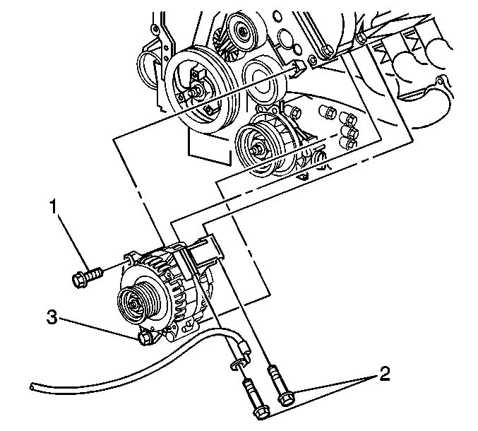
  8. Object Number: 521371  Size: SH
  9. Loosen the lower generator bolt (3).
  10. Remove the generator bolts (1, 2) from the generator.
  11. Remove the generator from the vehicle.

Installation Procedure


    Object Number: 521371  Size: SH
  1. Position the generator to the A/C compressor and engine.
  2. Notice: Use the correct fastener in the correct location. Replacement fasteners must be the correct part number for that application. Fasteners requiring replacement or fasteners requiring the use of thread locking compound or sealant are identified in the service procedure. Do not use paints, lubricants, or corrosion inhibitors on fasteners or fastener joint surfaces unless specified. These coatings affect fastener torque and joint clamping force and may damage the fastener. Use the correct tightening sequence and specifications when installing fasteners in order to avoid damage to parts and systems.

  3. Install the generator mounting bolts (1, 2).
  4. Tighten
    Tighten the generator mounting bolts to 50 N·m (37 lb ft).


    Object Number: 289415  Size: SH
  5. Connect the wiring harness connector to the generator.
  6. Connect the battery positive lead and install the generator output BAT terminal nut.
  7. Tighten
    Tighten the generator output BAT terminal nut to 12.5 N·m (111 lb in).

  8. Press the protective boot on to the generator output BAT terminal.
  9. Install the radiator. Refer to Radiator Replacement in Engine Cooling.
  10. Install the drive belt. Refer to Drive Belt Replacement in Engine Mechanical-4.0L.
  11. Connect the battery negative cable. Refer to Battery Negative Cable Disconnection and Connection .

Generator Replacement LX5

Removal Procedure

The Delphi AD237 (KG7) generator is serviced as a complete unit only.

  1. Disconnect the battery negative cable. Refer to Battery Negative Cable Disconnection and Connection .
  2. Remove the drive belt. Refer to Drive Belt Replacement in Engine Mechanical - 3.5 L.
  3. Remove the engine cooling fan assembly. Refer to Engine Cooling Fan Replacement in Engine Cooling.

  4. Object Number: 289415  Size: SH
  5. Disconnect the wiring harness connector from the generator.
  6. Reposition the protective boot from the generator output BAT terminal for access.
  7. Remove the generator output BAT terminal nut and disconnect the battery positive lead from the generator.

  8. Object Number: 289412  Size: SH
  9. Remove the drive belt idler pulley bolt and the drive belt idler pulley.
  10. Remove the 2 upper generator mounting bolts.
  11. Position the generator upward in order to gain access to the two upper A/C compressor mounting bolts.
  12. Raise and support the vehicle. Refer to Lifting and Jacking the Vehicle in General Information.

  13. Object Number: 527501  Size: SH
  14. Remove the upper A/C compressor mounting bolts (1).
  15. Loosen the rear A/C compressor nut (2).
  16. Remove the front A/C compressor nut (3).
  17. Carefully position the A/C compressor away from the engine block, in order to allow clearance to remove the generator.
  18. lower the vehicle.
  19. Remove the generator from the vehicle.

Installation Procedure

  1. Position the generator to the engine.
  2. Raise and support the vehicle. Refer to Lifting and Jacking the Vehicle in General Information.

  3. Object Number: 527501  Size: SH
  4. Install the A/C compressor to the front (4) and rear (5) studs on the engine block.
  5. Notice: Use the correct fastener in the correct location. Replacement fasteners must be the correct part number for that application. Fasteners requiring replacement or fasteners requiring the use of thread locking compound or sealant are identified in the service procedure. Do not use paints, lubricants, or corrosion inhibitors on fasteners or fastener joint surfaces unless specified. These coatings affect fastener torque and joint clamping force and may damage the fastener. Use the correct tightening sequence and specifications when installing fasteners in order to avoid damage to parts and systems.

  6. Install and hand tighten the A/C compressor mounting bolts (1) and nuts (2, 3).
  7. Tighten

        • Tighten the front nut (3) to 50 N·m (37 lb ft).
        • Tighten the bolts (1) to 50 N·m (37 lb ft).
        • Tighten the rear nut (2) to 25 N·m (18 lb ft).
  8. Lower the vehicle.

  9. Object Number: 289412  Size: SH
  10. Install and hand tighten the 2 upper generator mounting bolts.
  11. Install the drive belt idler pulley and drive belt idler pulley bolt.
  12. Tighten the bolts in the order described. The following is a mandatory torque sequence:
  13. Tighten
    Tighten the idler pulley bolt to 50 N·m (37 lb ft).

    Tighten
    Tighten the generator mounting bolts to 50 N·m (37 lb ft).


    Object Number: 289415  Size: SH
  14. Connect the wiring harness connector to the generator.
  15. Connect the battery positive lead and install the generator output BAT terminal nut.
  16. Tighten
    Tighten the generator output BAT terminal nut to 12.5 N·m (111 lb in).

  17. Press the protective boot on to the generator output BAT terminal.
  18. Install the engine cooling fan assembly. Refer to Engine Cooling Fan Replacement in Engine Cooling.
  19. Install the drive belt. Refer to Drive Belt Replacement in Engine Mechanical - 3.5 L.
  20. Connect the battery negative cable. Refer to Battery Negative Cable Disconnection and Connection .