GM Service Manual Online
For 1990-2009 cars only
Figure 1:

Battery Feed to the Fuse Block-Underhood


Object Number: 866757  Size: FS
Master Electrical Component List
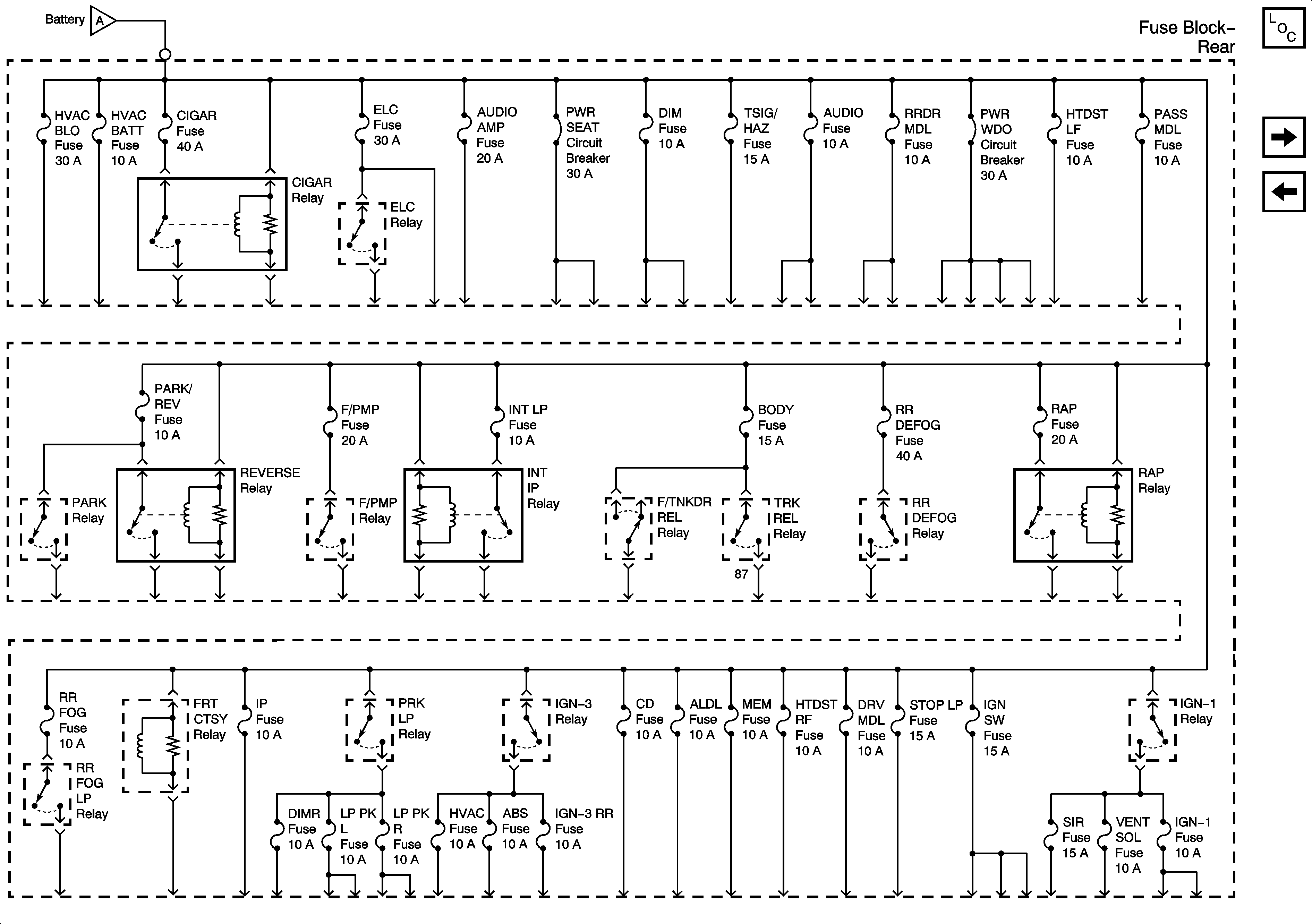
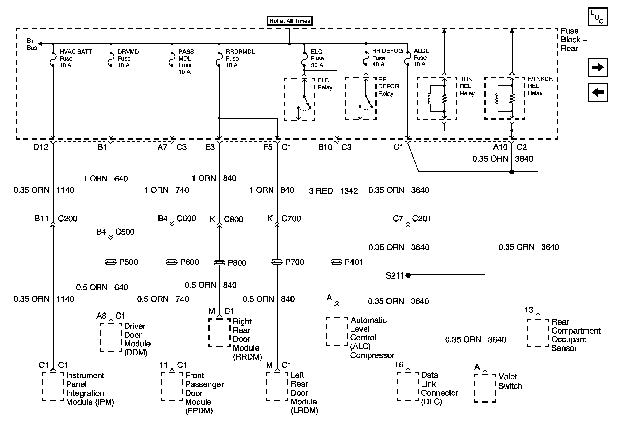
Battery Feed to the Fuse Block-Rear
Battery Feed to the Fuse Block-Rear
Figure 2:

Battery Feed to the Fuse Block-Rear


Object Number: 394801  Size: FS
Master Electrical Component List
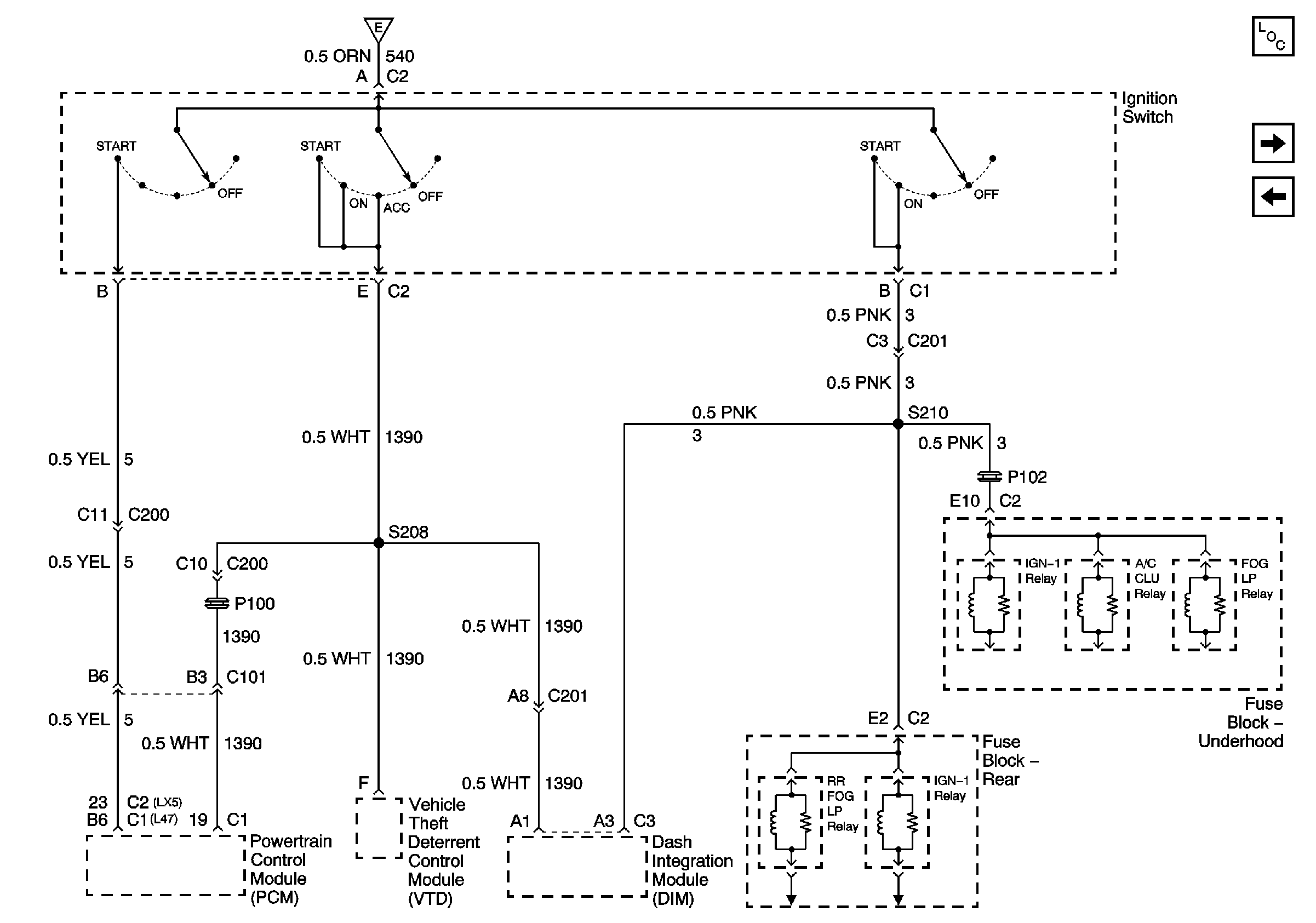
LX5 IGN 1, OXY SEN, DIS Fuses and IGN 1 Relay (Fuse Block-Underhood)
Battery Feed to the Fuse Block-Underhood
Battery Feed to the Fuse Block-Underhood
Figure 3:

LX5 IGN 1, OXY SEN, DIS Fuses and IGN 1 Relay (Fuse Block-Underhood)


Object Number: 394780  Size: FS
Master Electrical Component List
LX5 INJR 1 and INJR 2 Fuses (Fuse Block-Underhood)
Battery Feed to the Fuse Block-Rear
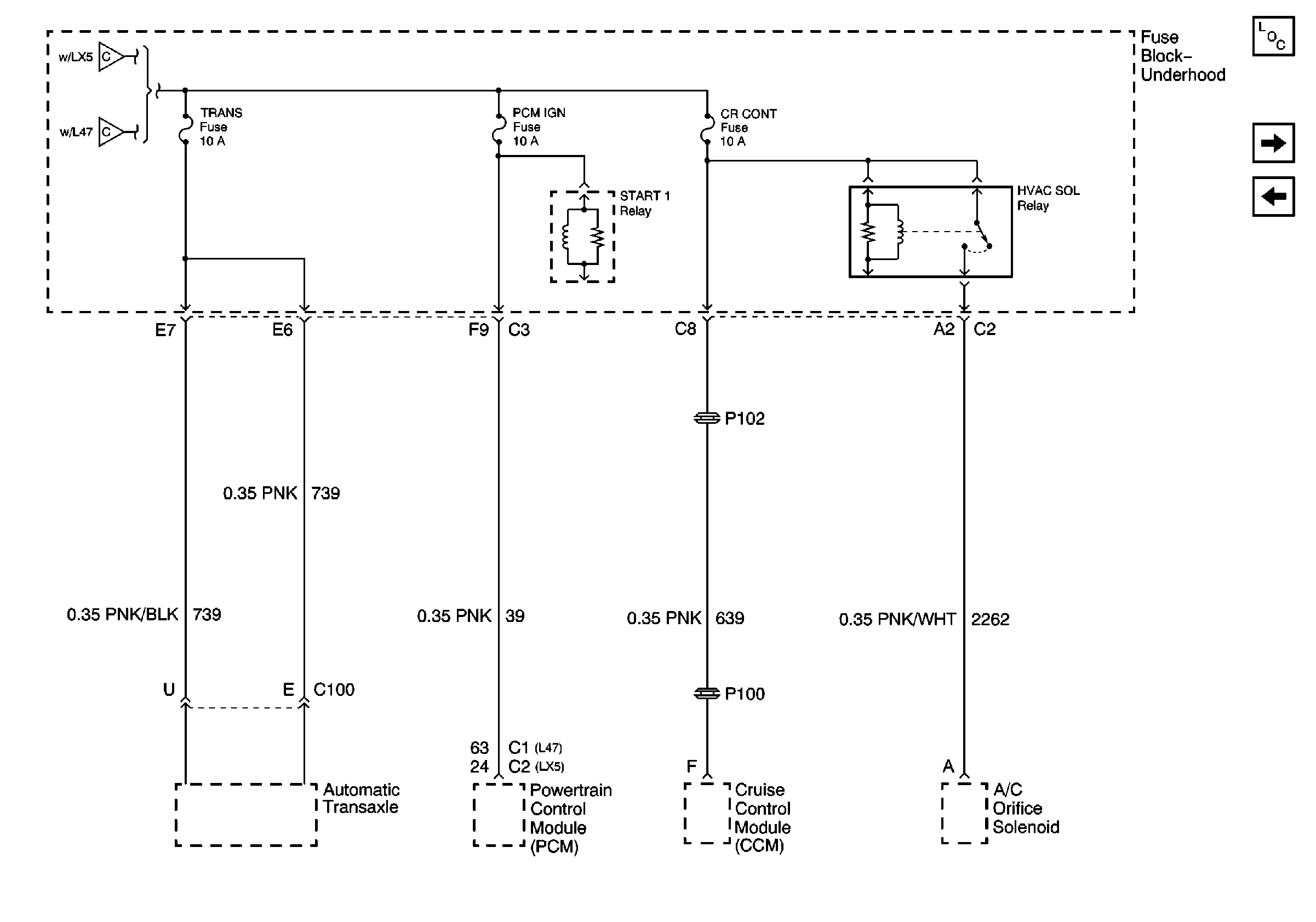
TRANS, PCM IGN, CR CONT Fuses and Start 1, HVAC SOL Relays (Fuse Block-Underhood)
LX5 INJR 1 and INJR 2 Fuses (Fuse Block-Underhood)
Figure 4:

LX5 INJR 1 and INJR 2 Fuses (Fuse Block-Underhood)


Object Number: 394777  Size: FS
Master Electrical Component List
L47 IGN 1, OXY SEN, DIS Fuses and IGN 1 Relay (Fuse Block-Underhood)
LX5 IGN 1, OXY SEN, DIS Fuses and IGN 1 Relay (Fuse Block-Underhood)
LX5 IGN 1, OXY SEN, DIS Fuses and IGN 1 Relay (Fuse Block-Underhood)
Figure 5:

L47 IGN 1, OXY SEN, DIS Fuses and IGN 1 Relay (Fuse Block-Underhood)


Object Number: 394797  Size: FS
Master Electrical Component List
L47 INJR 1 and INJR 2 Fuses (Fuse Block-Underhood)
LX5 INJR 1 and INJR 2 Fuses (Fuse Block-Underhood)
TRANS, PCM IGN, CR CONT Fuses and Start 1, HVAC SOL Relays (Fuse Block-Underhood)
L47 INJR 1 and INJR 2 Fuses (Fuse Block-Underhood)
Figure 6:

L47 INJR 1 and INJR 2 Fuses (Fuse Block-Underhood)


Object Number: 394747  Size: FS
Master Electrical Component List
TRANS, PCM IGN, CR CONT Fuses and Start 1, HVAC SOL Relays (Fuse Block-Underhood)
L47 IGN 1, OXY SEN, DIS Fuses and IGN 1 Relay (Fuse Block-Underhood)
L47 IGN 1, OXY SEN, DIS Fuses and IGN 1 Relay (Fuse Block-Underhood)
Figure 7:

TRANS, PCM IGN, CR CONT Fuses and Start 1, HVAC SOL Relays (Fuse Block-Underhood)


Object Number: 394745  Size: FS
Master Electrical Component List
ABS, AIR PUMP, PCM BATT, HDLP Fuses and HDLP Relays (Fuse Block-Underhood)
L47 INJR 1 and INJR 2 Fuses (Fuse Block-Underhood)
LX5 IGN 1, OXY SEN, DIS Fuses and IGN 1 Relay (Fuse Block-Underhood)
Figure 8:

ABS, AIR PUMP, PCM BATT, HDLP Fuses and HDLP Relays (Fuse Block-Underhood)


Object Number: 394792  Size: FS
Master Electrical Component List
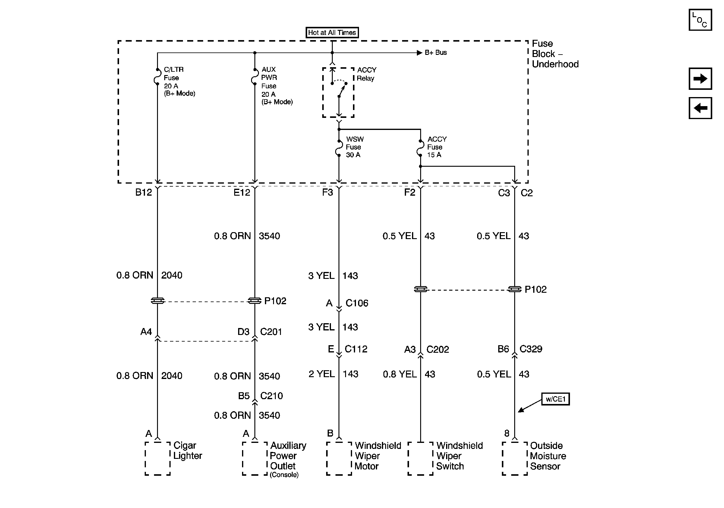
C/LTR, AUX PWR, WSW, ACCY Fuses and ACCY Relay (Fuse Block-Underhood)
TRANS, PCM IGN, CR CONT Fuses and Start 1, HVAC SOL Relays (Fuse Block-Underhood)
Figure 9:

C/LTR, AUX PWR, WSW, ACCY Fuses and ACCY Relay (Fuse Block-Underhood)


Object Number: 765012  Size: FS
Master Electrical Component List
HTDST RF, HTDST LF, DIM, and MEM Fuses (Fuse Block-Rear)
ABS, AIR PUMP, PCM BATT, HDLP Fuses and HDLP Relays (Fuse Block-Underhood)
Figure 10:

HTDST RF, HTDST LF, DIM, and MEM Fuses (Fuse Block-Rear)


Object Number: 394785  Size: FS
Master Electrical Component List
PWR WDO and PWR SEAT Circuit Breakers (Fuse Block-Rear)
C/LTR, AUX PWR, WSW, ACCY Fuses and ACCY Relay (Fuse Block-Underhood)
Figure 11:

PWR WDO and PWR SEAT Circuit Breakers (Fuse Block-Rear)


Object Number: 765013  Size: FS
Master Electrical Component List
LP PKL, LP RKR, DIMR Fuses (Fuse Block-Rear)
PWR WDO and PWR SEAT Circuit Breakers (Fuse Block-Rear)
Figure 12:

PWR WDO and PWR SEAT Circuit Breakers (Fuse Block-Rear)


Object Number: 765014  Size: FS
Master Electrical Component List
LP PKL, LP RKR, DIMR Fuses (Fuse Block-Rear)
PWR WDO and PWR SEAT Circuit Breakers (Fuse Block-Rear)
Figure 13:

LP PKL, LP RKR, DIMR Fuses (Fuse Block-Rear)


Object Number: 394821  Size: FS
Master Electrical Component List
TSIG/HAZ, STOP LAMP, AUDIO, CD, CIGAR Fuses and CIGAR Relay (Fuse Block-Rear)
PWR WDO and PWR SEAT Circuit Breakers (Fuse Block-Rear)
Figure 14:

TSIG/HAZ, STOP LAMP, AUDIO, CD, CIGAR Fuses and CIGAR Relay (Fuse Block-Rear)


Object Number: 765015  Size: FS
Master Electrical Component List
IGN SW Fuse (Fuse Block-Rear)
LP PKL, LP RKR, DIMR Fuses (Fuse Block-Rear)
Figure 15:

IGN SW Fuse (Fuse Block-Rear)


Object Number: 394820  Size: FS
Master Electrical Component List
IGN SW (Fuse Block-Rear)
TSIG/HAZ, STOP LAMP, AUDIO, CD, CIGAR Fuses and CIGAR Relay (Fuse Block-Rear)
IGN SW (Fuse Block-Rear)
Figure 16:

IGN SW (Fuse Block-Rear)


Object Number: 765036  Size: FS
Master Electrical Component List
IGN-1, VENT SOL, SIR Fuses and IGN 1 Relay (Fuse Block-Rear)
IGN SW Fuse (Fuse Block-Rear)
IGN SW Fuse (Fuse Block-Rear)
Figure 17:

IGN-1, VENT SOL, SIR Fuses and IGN 1 Relay (Fuse Block-Rear)


Object Number: 765049  Size: FS
Master Electrical Component List
IGN 3 RR, ABS, HVAC Fuses (Fuse Block-Rear)
IGN SW (Fuse Block-Rear)
Figure 18:

IGN 3 RR, ABS, HVAC Fuses (Fuse Block-Rear)


Object Number: 765051  Size: FS
Master Electrical Component List
HVAC BLO, AUDIO, IP Fuses (Fuse Block-Rear)
IGN-1, VENT SOL, SIR Fuses and IGN 1 Relay (Fuse Block-Rear)
Figure 19:

HVAC BLO, AUDIO, IP Fuses (Fuse Block-Rear)


Object Number: 765052  Size: FS
Master Electrical Component List
IGN 3 RR, ABS, HVAC Fuses (Fuse Block-Rear)