GM Service Manual Online
For 1990-2009 cars only
Makes
🢒
Oldsmobile
🢒
2002
🢒
Aurora
🢒
Body and Accessories
🢒
Body Rear End
🢒 Body Rear End Schematics
Figure
1:
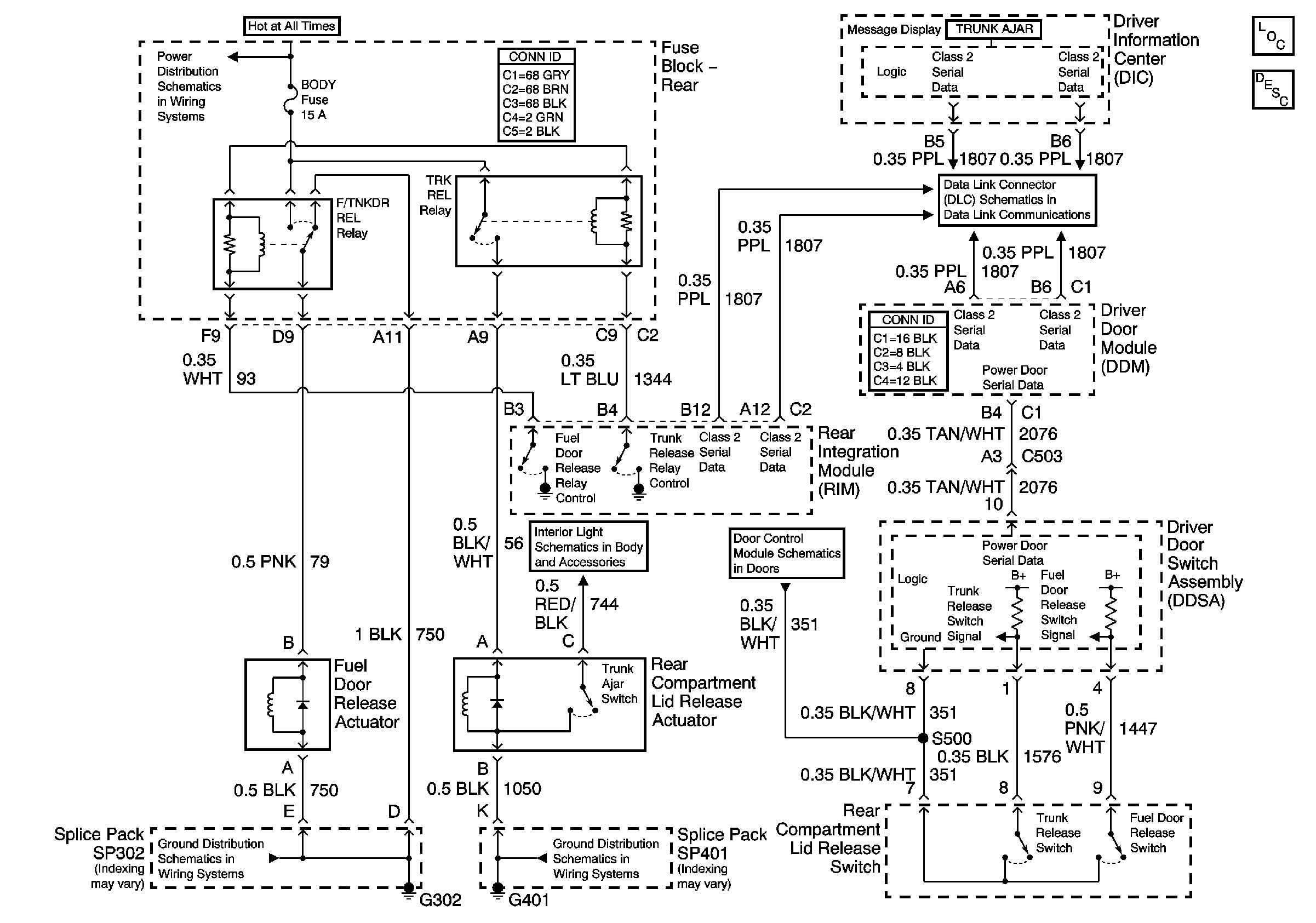
Fuel Door and Decklid Release
Master Electrical Component List
Fuel Door, Decklid Release and Rear Compartment Lamp (2 of 3)w/ Rear Compartment Entrapment Protection
Battery Feed to the Fuse Block-Rear
Garage Door Opener
Serial Data Class 2
PWR WDO and PWR SEAT Circuit Breakers (Fuse Block-Rear)
Driver Door Switch Assembly
G302
G401 (1 of 2)
Fuel Door, Decklid Release and Rear Compartment Lamp (2 of 3)w/ Rear Compartment Entrapment Protection
Figure
2:
Rear Compartment Lamp
Master Electrical Component List
Fuel Door, Decklid Release and Rear Compartment Lamp (1 of 2)
Fuel Door, Decklid Release and Rear Compartment Lamp (1 of 2)
Fuel Door, Decklid Release and Rear Compartment Lamp (1 of 2)
Interior and Front Courtesy Lamp Relays
Interior and Front Courtesy Lamp Relays
Garage Door Opener