GM Service Manual Online
For 1990-2009 cars only
Figure 1:

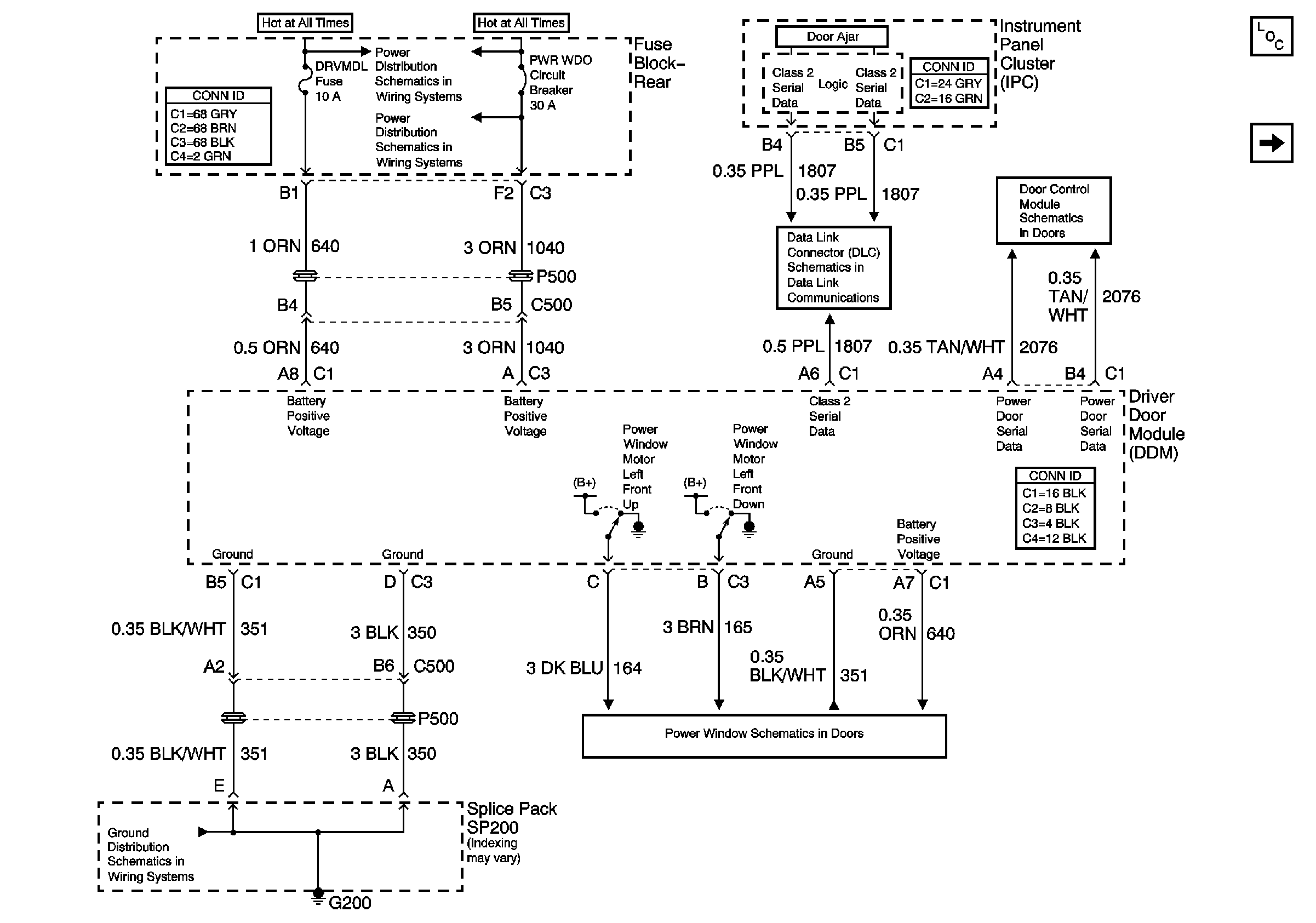
Driver Door Module (DDM) Power and Ground


Object Number: 765559  Size: FS
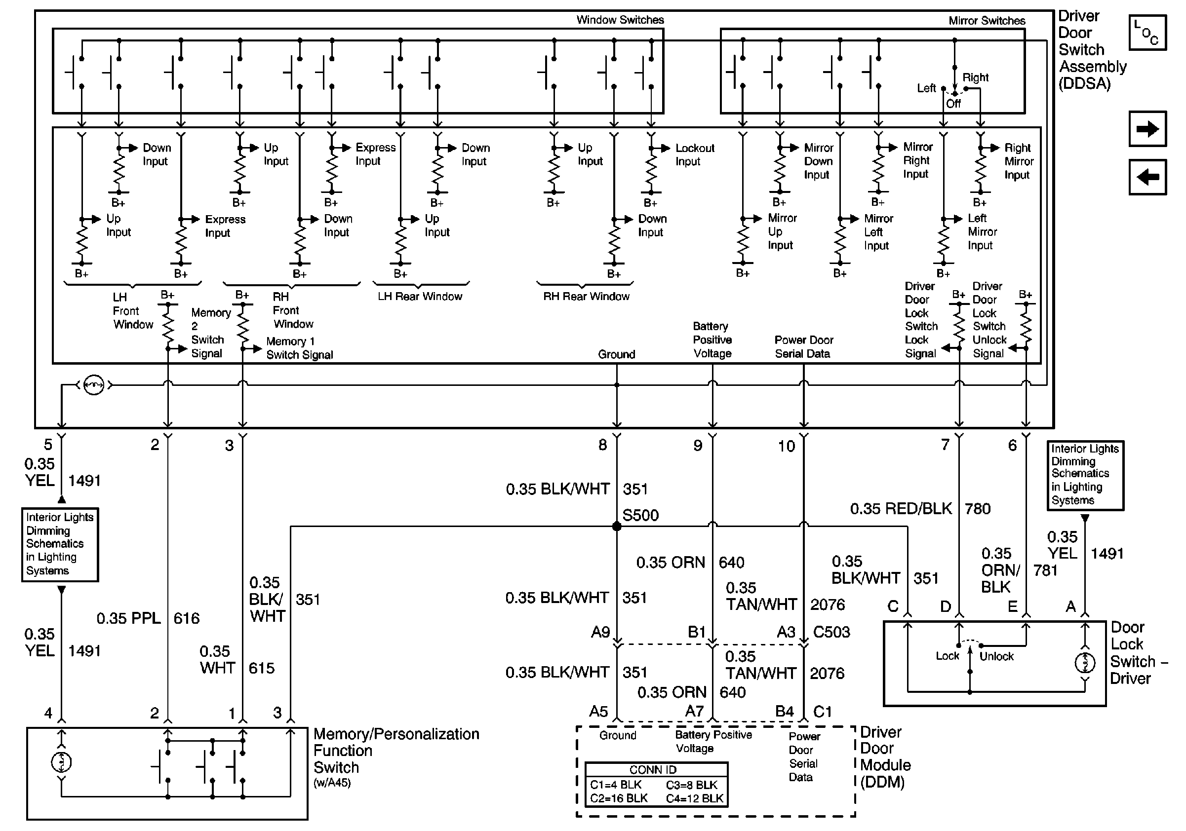
Driver Door Switch Assembly
Passenger Door Module (PDM) Power and Ground
Power Door Serial Data
Serial Data Class 2
G200
Battery Feed to the Fuse Block-Rear
Master Electrical Component List
Figure 2:

Passenger Door Module (PDM) Power and Ground


Object Number: 765560  Size: FS
Driver Door Module (DDM) Inputs/Outputs
G201 (1 of 2)
Driver Door Module (DDM) Power and Ground
Front Passenger Window Switch and Window Motor
Master Electrical Component List
Front Door Dimming
Power Door Serial Data
HVAC Control Module
Battery Feed to the Fuse Block-Rear
Figure 3:

Driver Door Module (DDM) Inputs/Outputs


Object Number: 767242  Size: FS
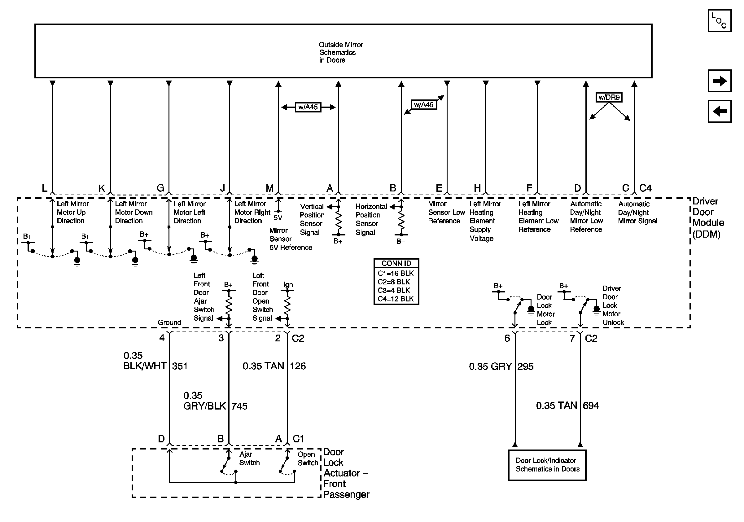
Front Passenger Door Module (FPDM) Inputs/Outputs
Passenger Door Module (PDM) Power and Ground
Driver Outside Rearview Mirror (W/A45)
Driver Door Lock Actuator and Driver Door Lock Switch
Master Electrical Component List
Figure 4:

Front Passenger Door Module (FPDM) Inputs/Outputs


Object Number: 621077  Size: FS
Left Rear Door Module (LRDM) Power, Ground and I/O
Driver Door Module (DDM) Inputs/Outputs
Front Passenger Outside Rearview Mirror (W/A45)
Passenger Door Lock Actuator and Door Lock Switch
Master Electrical Component List
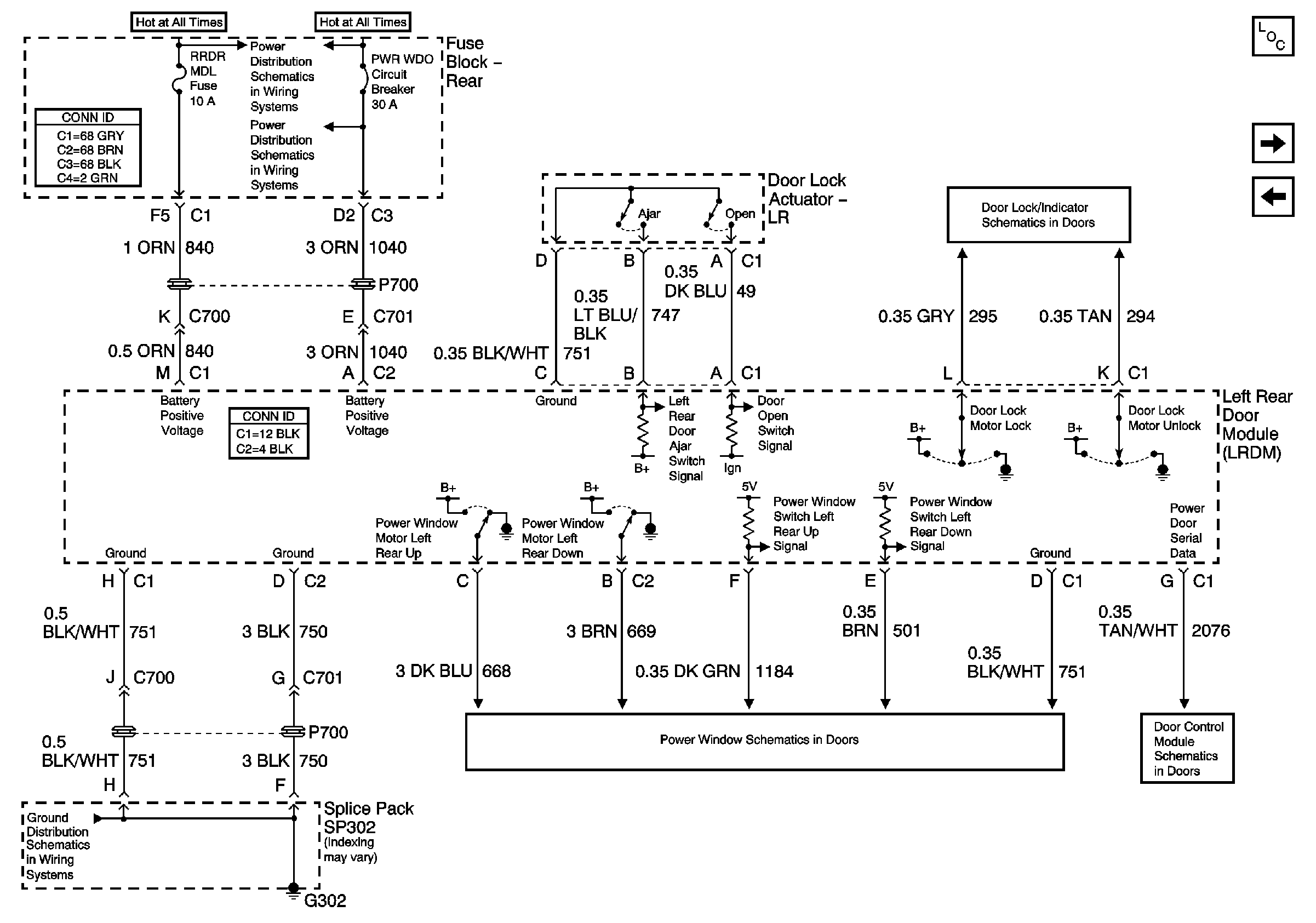
Figure 5:

Left Rear Door Module (LRDM) Power, Ground and I/O


Object Number: 621081  Size: FS
Right Rear Door Module (RRDM) Power, Ground and I/O
G302
Power Door Serial Data
Battery Feed to the Fuse Block-Rear
Front Passenger Door Module (FPDM) Inputs/Outputs
Rear Door Lock Actuator
Left Rear Window Switch and Window Motor
Master Electrical Component List
Figure 6:

Right Rear Door Module (RRDM) Power, Ground and I/O


Object Number: 621078  Size: FS
Driver Door Switch Assembly
Left Rear Door Module (LRDM) Power, Ground and I/O
Right Rear Door Lock Actuator
Power Door Serial Data
Battery Feed to the Fuse Block-Rear
Right Rear Window Switch and Window Motor
G300 and G301 (1 of 2)
Master Electrical Component List
Figure 7:

Driver Door Switch Assembly


Object Number: 621082  Size: FS
Power Door Serial Data
Right Rear Door Module (RRDM) Power, Ground and I/O
Master Electrical Component List
Front Door Dimming
Front Door Dimming
Figure 8:

Power Door Serial Data


Object Number: 765562  Size: FS
Driver Door Switch Assembly
Master Electrical Component List