GM Service Manual Online
For 1990-2009 cars only
Makes
🢒
Oldsmobile
🢒
2002
🢒
Aurora
🢒
Body and Accessories
🢒
Lighting Systems
🢒 Headlights/Daytime Running Lights (DRL) Schematics
Figure
1:
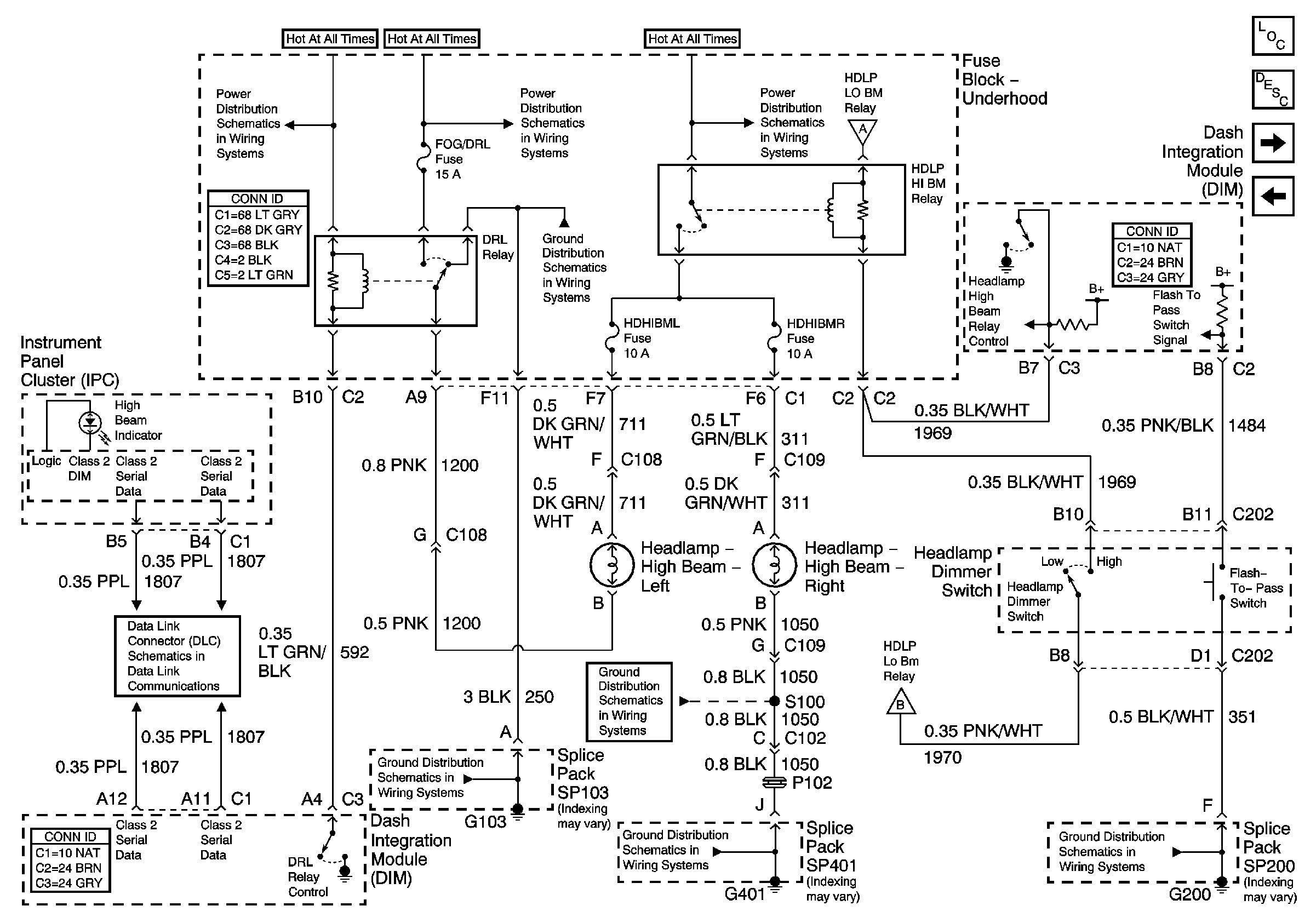
Headlamp Switch and Sunload Sensor Assembly
Master Electrical Component List
Exterior Lighting Systems Description and Operation
DRL, High Beam Headlamps, Headlamp Dimmer Switch
Serial Data Class 2
Air Temperature Sensors
G200
Figure
2:
DRL, High Beam Headlamps, Headlamp Dimmer Switch
Master Electrical Component List
Exterior Lighting Systems Description and Operation
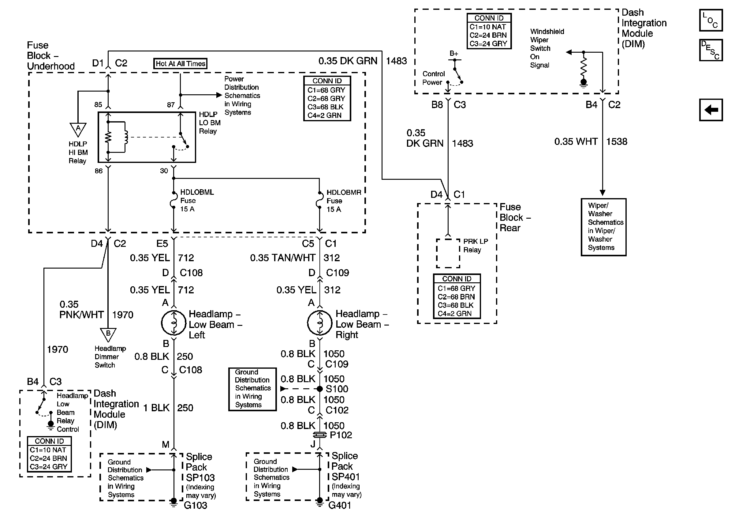
Low Beam Headlamps
Headlamp Switch and Sunload Sensor Assembly
Battery Feed to the Fuse Block-Underhood
Battery Feed to the Fuse Block-Underhood
Battery Feed to the Fuse Block-Underhood
Low Beam Headlamps
G200
Low Beam Headlamps
G401 (2 of 2)
G401 (2 of 2)
G103
G103
Serial Data Class 2
Figure
3:
Low Beam Headlamps
Master Electrical Component List
Exterior Lighting Systems Description and Operation
DRL, High Beam Headlamps, Headlamp Dimmer Switch
Windshield Wiper Switch and Fuse
DRL, High Beam Headlamps, Headlamp Dimmer Switch
Battery Feed to the Fuse Block-Underhood
G401 (2 of 2)
G401 (2 of 2)
G103
DRL, High Beam Headlamps, Headlamp Dimmer Switch