GM Service Manual Online
For 1990-2009 cars only
Makes
🢒
Oldsmobile
🢒
2002
🢒
Aurora
🢒
Body and Accessories
🢒
Wiring Systems
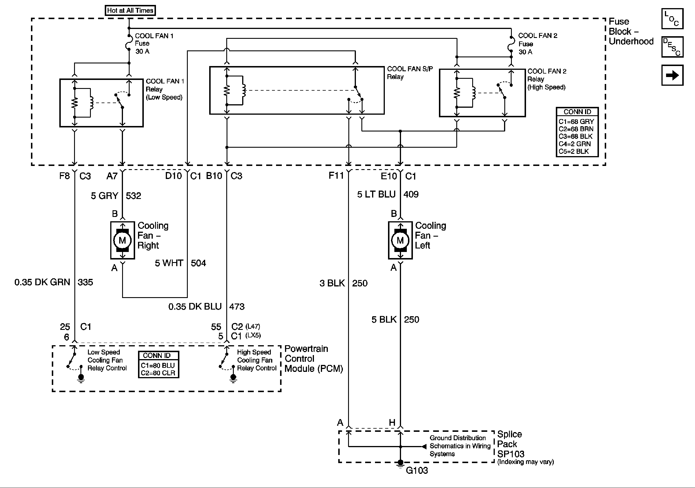
🢒 Engine Cooling Schematics
Figure
1:
Cooling Fans and Relays
Master Electrical Component List
Cooling System Description and Operation
Coolant Level Switch
G103
Figure
2:
Coolant Level Switch
Master Electrical Component List
Cooling System Description and Operation
Cooling Fans and Relays
G103
Serial Data Class 2