GM Service Manual Online
For 1990-2009 cars only
Makes
🢒
Oldsmobile
🢒
2003
🢒
Aurora
🢒
Engine
🢒
Engine Cooling
🢒 Engine Cooling Schematics
Figure
1:
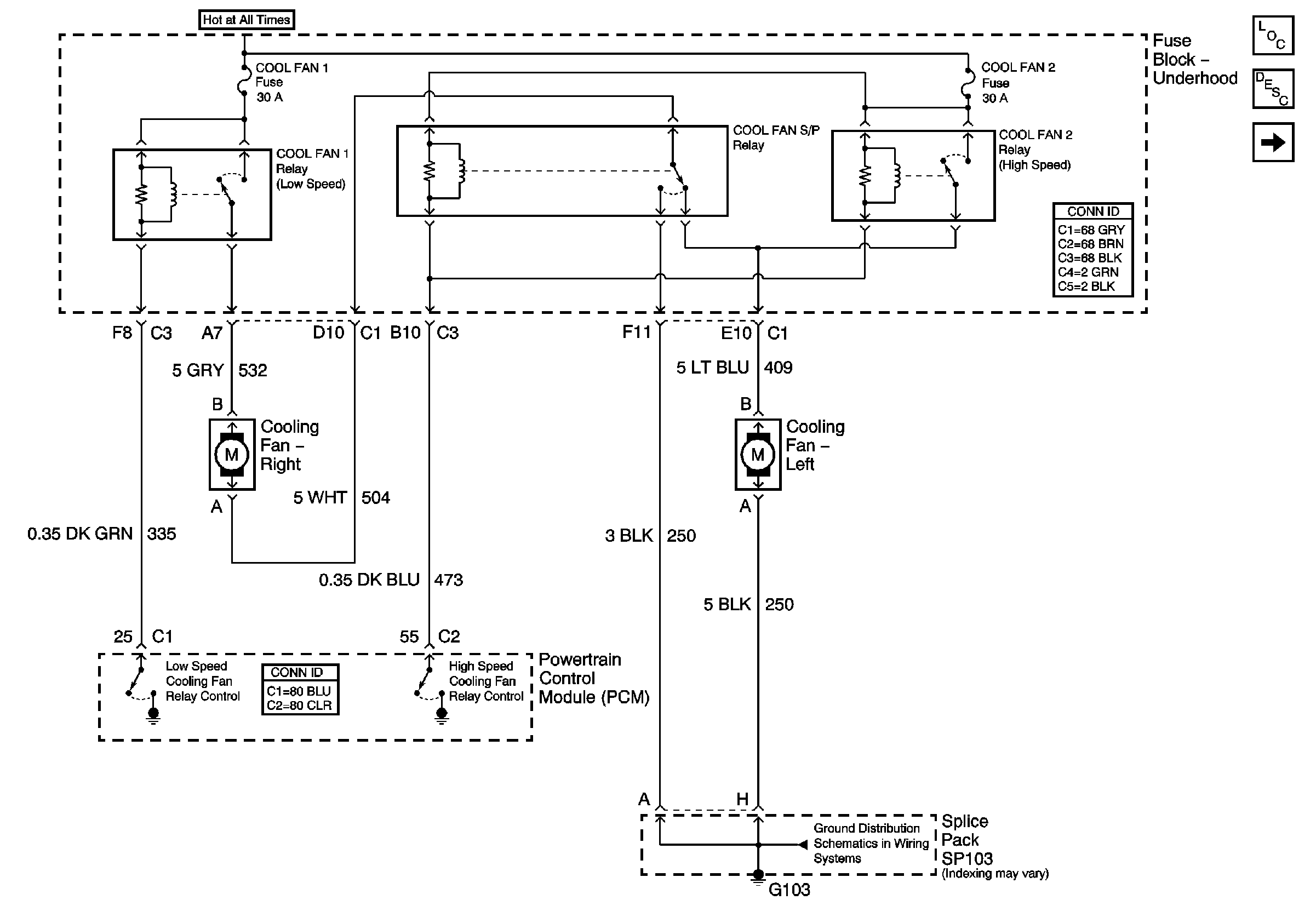
Cooling Fans and Relays
Master Electrical Component List
Cooling System Description and Operation
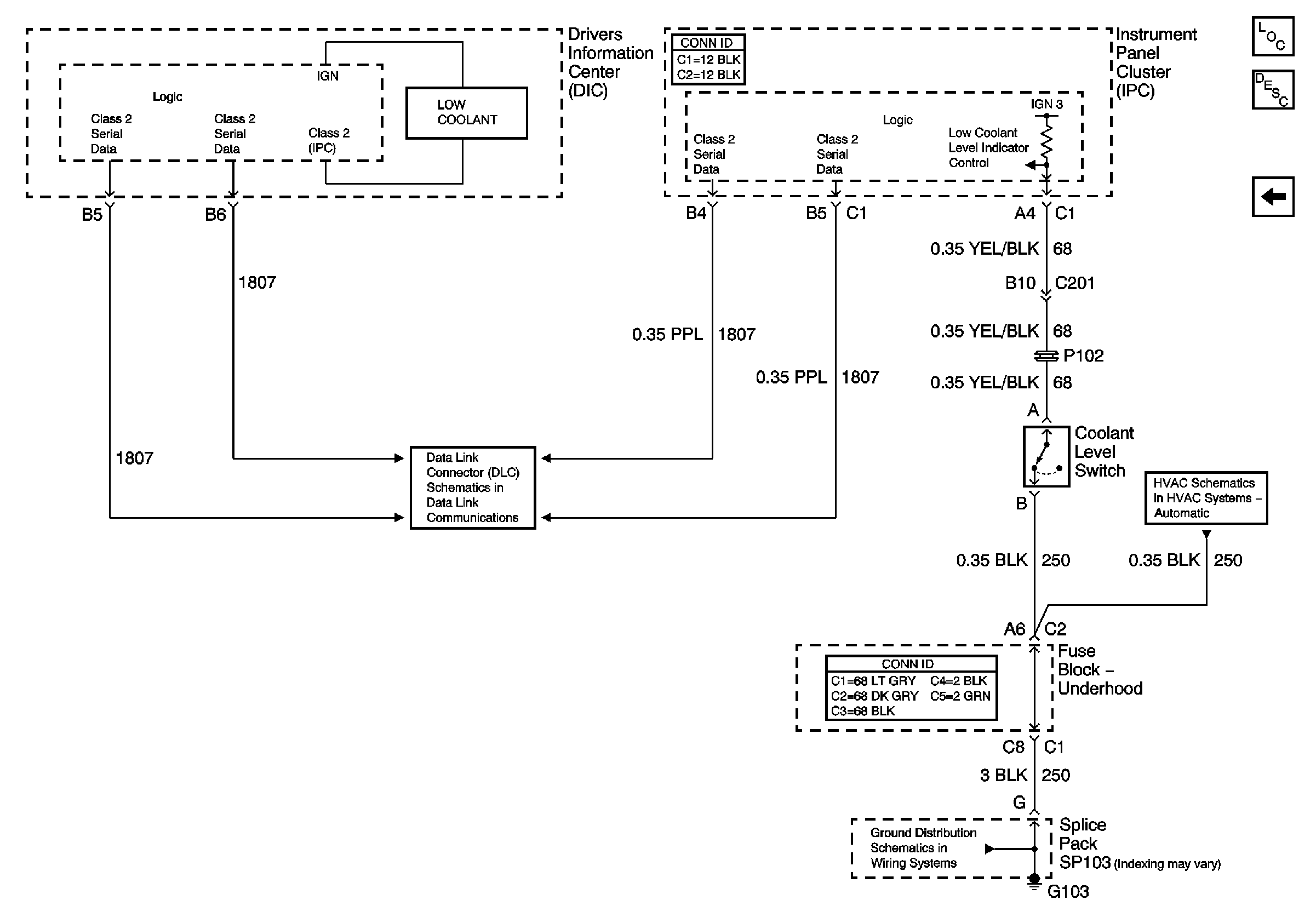
Coolant Level Switch
G103
Figure
2:
Coolant Level Switch
Master Electrical Component List
Cooling System Description and Operation
Cooling Fans and Relays
G103
Serial Data Class 2