GM Service Manual Online
For 1990-2009 cars only

Removal Procedure

Notice: Do not damage the MAF sensor screen. A damaged screen could restrict airflow and lead to a driveability concern.


    Object Number: 180378  Size: SH
  1. Relieve the fuel system pressure. Refer to the Fuel Pressure Relief .

  2. Object Number: 574091  Size: SH
  3. Remove the MAF sensor electrical connector (1) from the MAF sensor (2).
  4. Remove the air cleaner intake duct. Refer to Air Cleaner Inlet Duct Replacement .

  5. Object Number: 522644  Size: SH
  6. Remove the PCV valve fresh air tube.

  7. Object Number: 104766  Size: SH
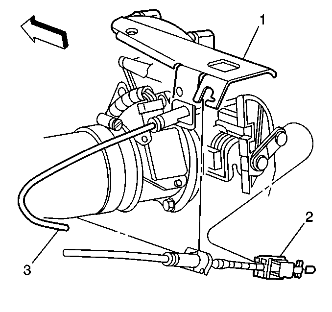
  8. Remove the cruise control cable (2) from the accelerator controls cable bracket (1).
  9. Remove the accelerator cable (3) from the accelerator controls cable bracket (1).
  10. Remove the cruise control cable (2) from the throttle body lever.

  11. Object Number: 175378  Size: SH
  12. Remove the accelerator control cable (3) from the throttle body lever (2).

  13. Object Number: 574138  Size: SH
  14. Remove the idle air control (IAC) valve electrical connector (1) from the IAC valve (4).
  15. Remove the throttle position (TP) sensor electrical connector (2) from the TP sensor (3).

  16. Object Number: 574905  Size: SH
  17. Remove the fuel feed and return lines from the retainer (5) on the accelerator controls cable bracket. Refer to Metal Collar Quick Connect Fitting Service .

  18. Object Number: 574958  Size: SH
  19. Remove the transaxle shift cable clip (1) from the accelerator controls cable bracket.

  20. Object Number: 573468  Size: SH
  21. Remove the throttle body (2) from the water crossover (1).

  22. Object Number: 573471  Size: SH
  23. Remove the accelerator controls cable bracket (3) from the throttle body (1).

Installation Procedure

Notice: Do not use a cleaner which contains methyl ethyl ketone. This extremely strong solvent may damage components and is not necessary for this type of cleaning.

Use a carburetor cleaner in order to remove deposits.

Refer to the instructions provided with the cleaner.

Notice: The outlet of the air cleaner assembly and the MAF sensor inlet duct must line up when completely installed. Misalignment may cause incorrect airflow readings resulting in MIL illumination or a driveability concern. An improperly installed inlet duct assembly or air cleaner assembly may cause misalignment.

Important: DO NOT reuse the old throttle body gasket.


    Object Number: 573468  Size: SH

    Notice: Use the correct fastener in the correct location. Replacement fasteners must be the correct part number for that application. Fasteners requiring replacement or fasteners requiring the use of thread locking compound or sealant are identified in the service procedure. Do not use paints, lubricants, or corrosion inhibitors on fasteners or fastener joint surfaces unless specified. These coatings affect fastener torque and joint clamping force and may damage the fastener. Use the correct tightening sequence and specifications when installing fasteners in order to avoid damage to parts and systems.

  1. Install the throttle body (2) from the water crossover (1).
  2. Tighten
    Tighten the bolts to 12 N·m (106 lb in).


    Object Number: 573471  Size: SH
  3. Position the new throttle body gasket on to the throttle body.
  4. Install accelerator control bracket bolts to the throttle body.
  5. Tighten
    Tighten the bolts to 12 N·m (106 lb in).


    Object Number: 574138  Size: SH
  6. Install the IAC valve electrical connector (1) to the IAC valve (4).
  7. Install the TP sensor electrical connector (2) to the TP sensor (3).

  8. Object Number: 175378  Size: SH
  9. Install the accelerator control cable (3) at the throttle body lever (2).

  10. Object Number: 104766  Size: SH
  11. Install the cruise control cable (2) at the throttle body lever.
  12. Install the accelerator cable (3) to the accelerator controls cable bracket (1).
  13. Install the cruise control cable to the accelerator controls cable bracket (1).

  14. Object Number: 574958  Size: SH
  15. Install the transaxle shift cable clip (1) to the accelerator controls cable bracket.

  16. Object Number: 574905  Size: SH
  17. Install the fuel feed and return lines from the retainer (5) on to the accelerator controls cable bracket.

  18. Object Number: 574091  Size: SH
  19. Install the MAF sensor electrical connector (1) to the MAF sensor (2).
  20. Install the air cleaner intake duct clamp to the air cleaner intake air duct.
  21. Tighten
    Tighten the air cleaner intake duct clamps to 3 N·m (27 lb in).


    Object Number: 522644  Size: SH
  22. Install the PCV valve fresh air tube.

  23. Object Number: 42751  Size: SH
  24. Install the fuel injector sight shield.
  25. Tighten
    Tighten the nuts to 2.3 N·m (20 lb in ).

  26. Install the negative battery cable. Refer to Battery Negative Cable Disconnection and Connection .
  27. Install the rear seat cushion. Refer to Rear Seat Cushion Replacement .