GM Service Manual Online
For 1990-2009 cars only
Figure 1:

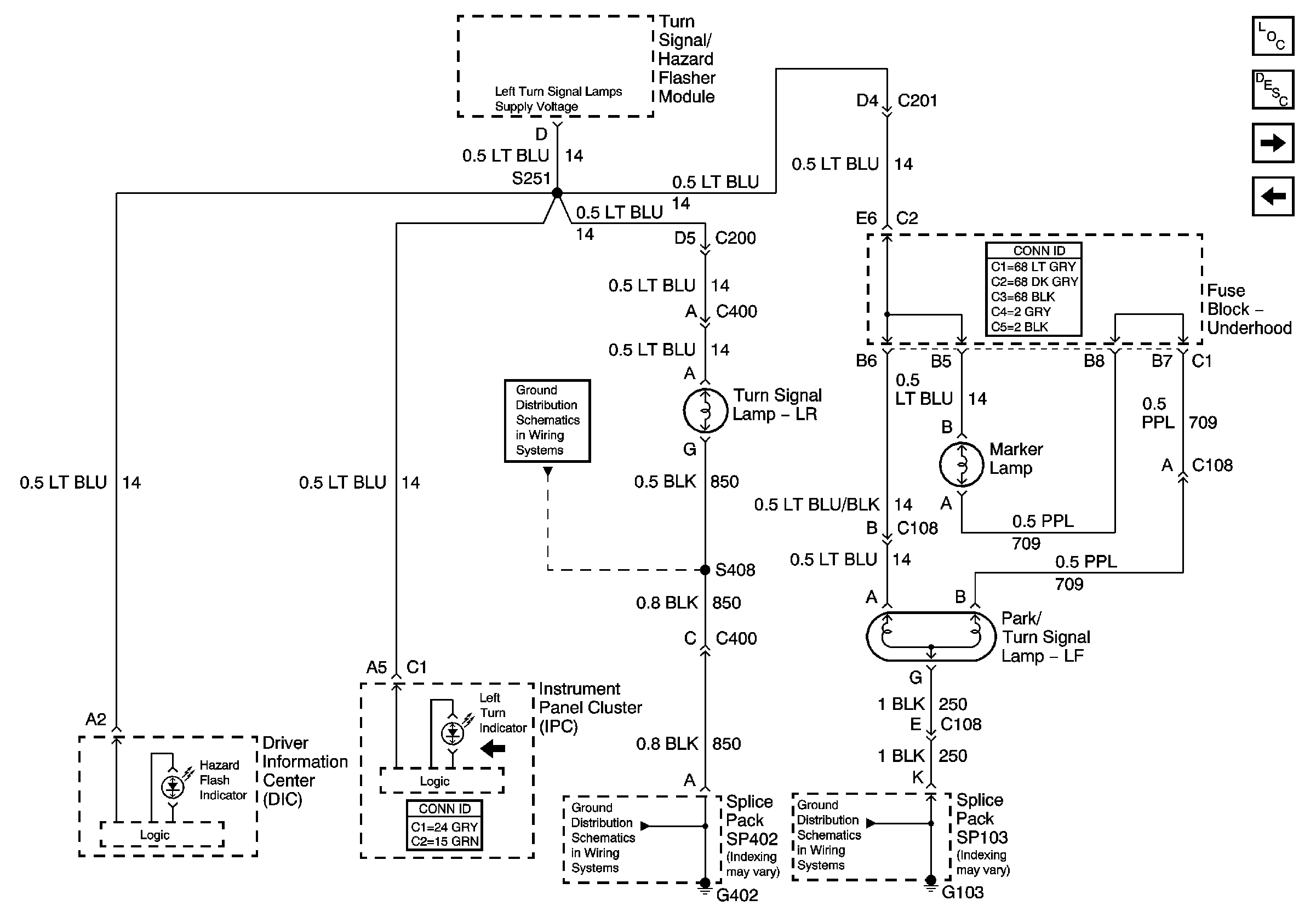
Turn Signal/Hazard Flasher Module Inputs


Object Number: 765456  Size: FS
Master Electrical Component List
Exterior Lighting Systems Description and Operation
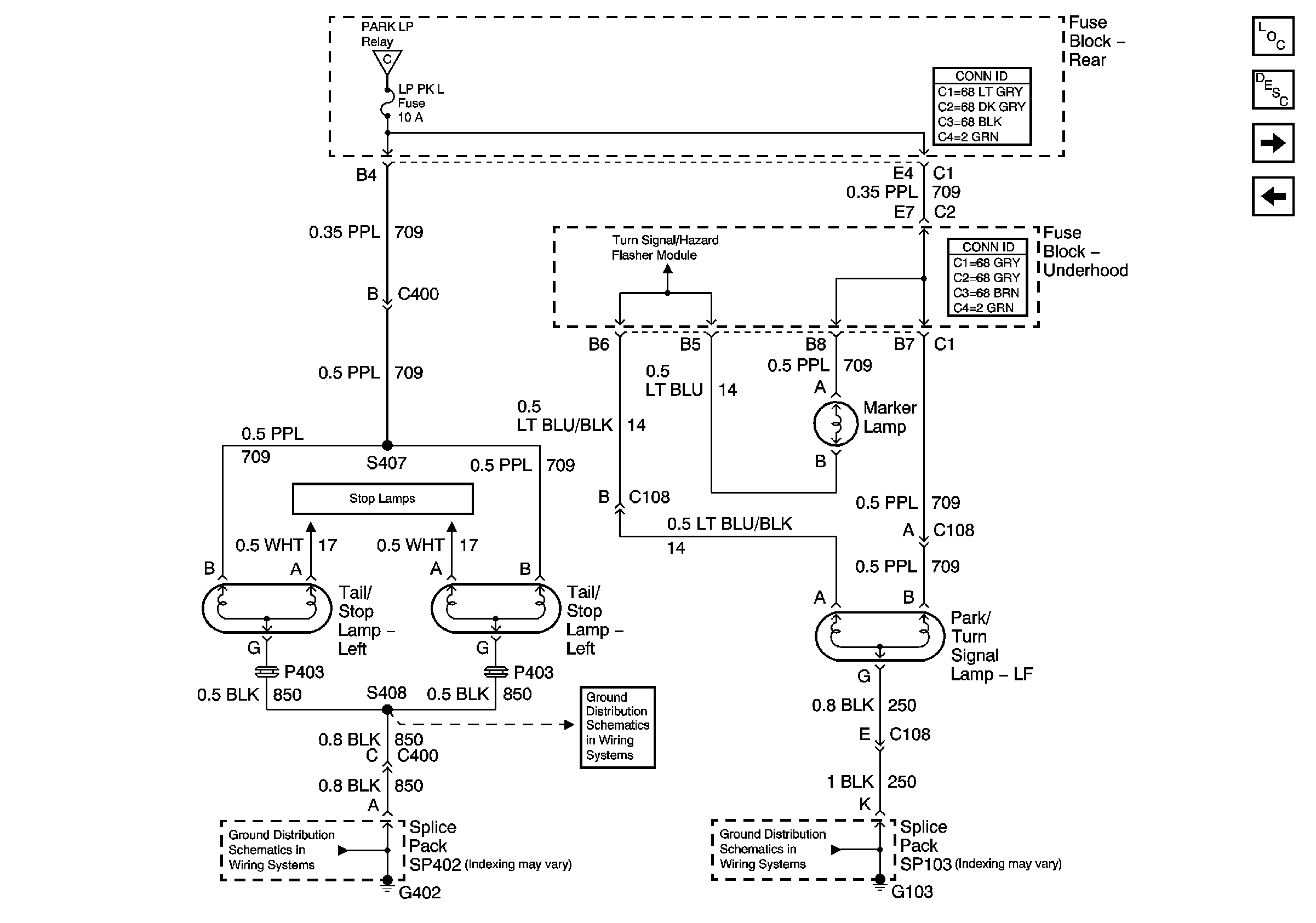
Turn Signal/Hazard Lamp-Left
Battery Feed to the Fuse Block-Rear
IGN-1, VENT SOL, SIR Fuses and IGN 1 Relay (Fuse Block-Rear)
Battery Feed to the Fuse Block-Rear
G201, 1 of 3
G201, 1 of 3
Figure 2:

Turn Signal/Hazard Lamps-Left


Object Number: 765459  Size: FS
Master Electrical Component List
Exterior Lighting Systems Description and Operation
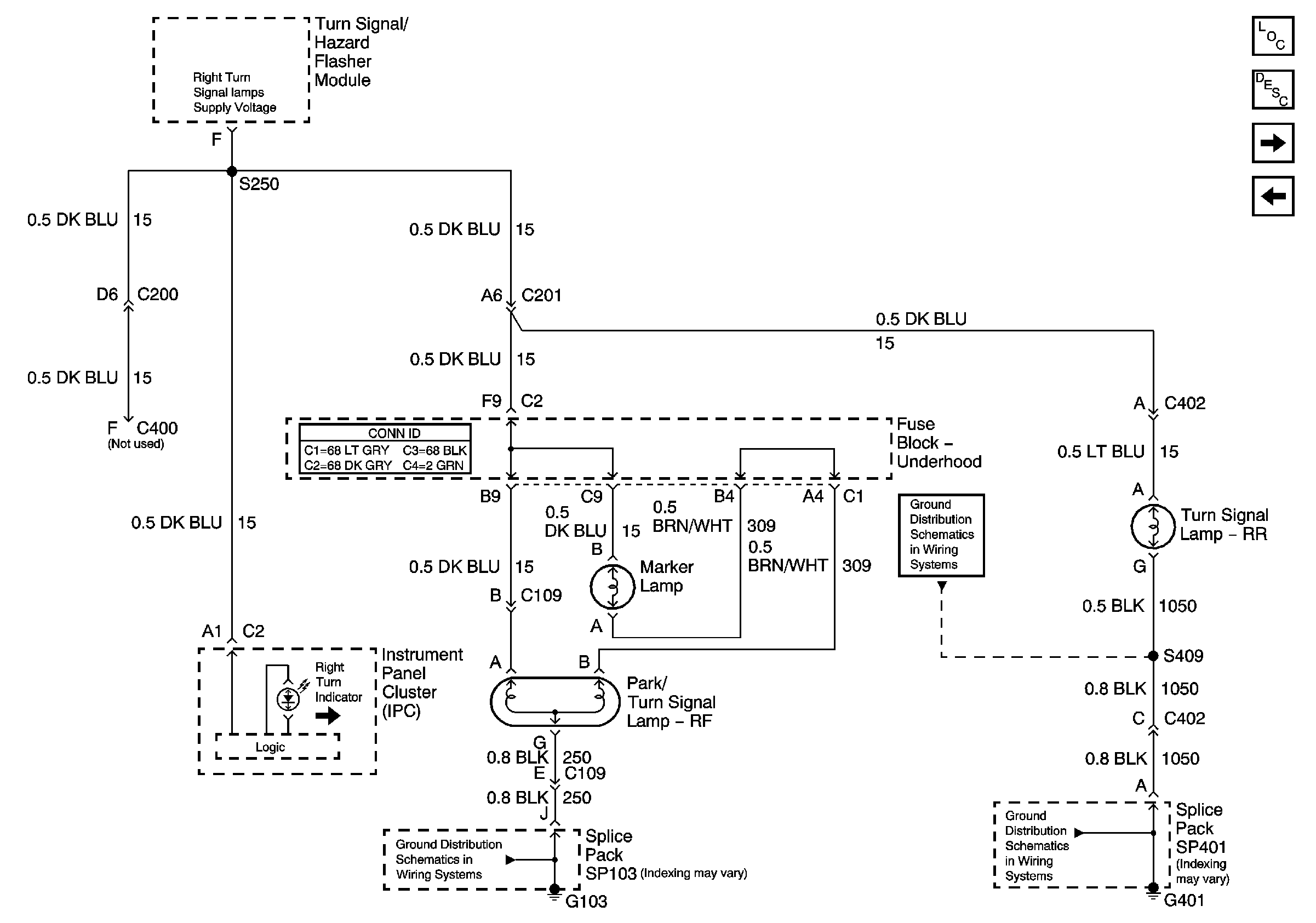
RH Turn Signal/Hazard Lamps
Turn Signal/Hazard Flasher Module Inputs
G402
G103
G402
Figure 3:

RH Turn Signal/Hazard Lamps


Object Number: 765461  Size: FS
Master Electrical Component List
Exterior Lighting Systems Description and Operation
Tail/Stop Lamps
Turn Signal/Hazard Lamp-Left
G401 (2 of 2)
G401 (2 of 2)
G103
Figure 4:

Tail/Stop Lamps


Object Number: 765464  Size: FS
Master Electrical Component List
Exterior Lighting Systems Description and Operation
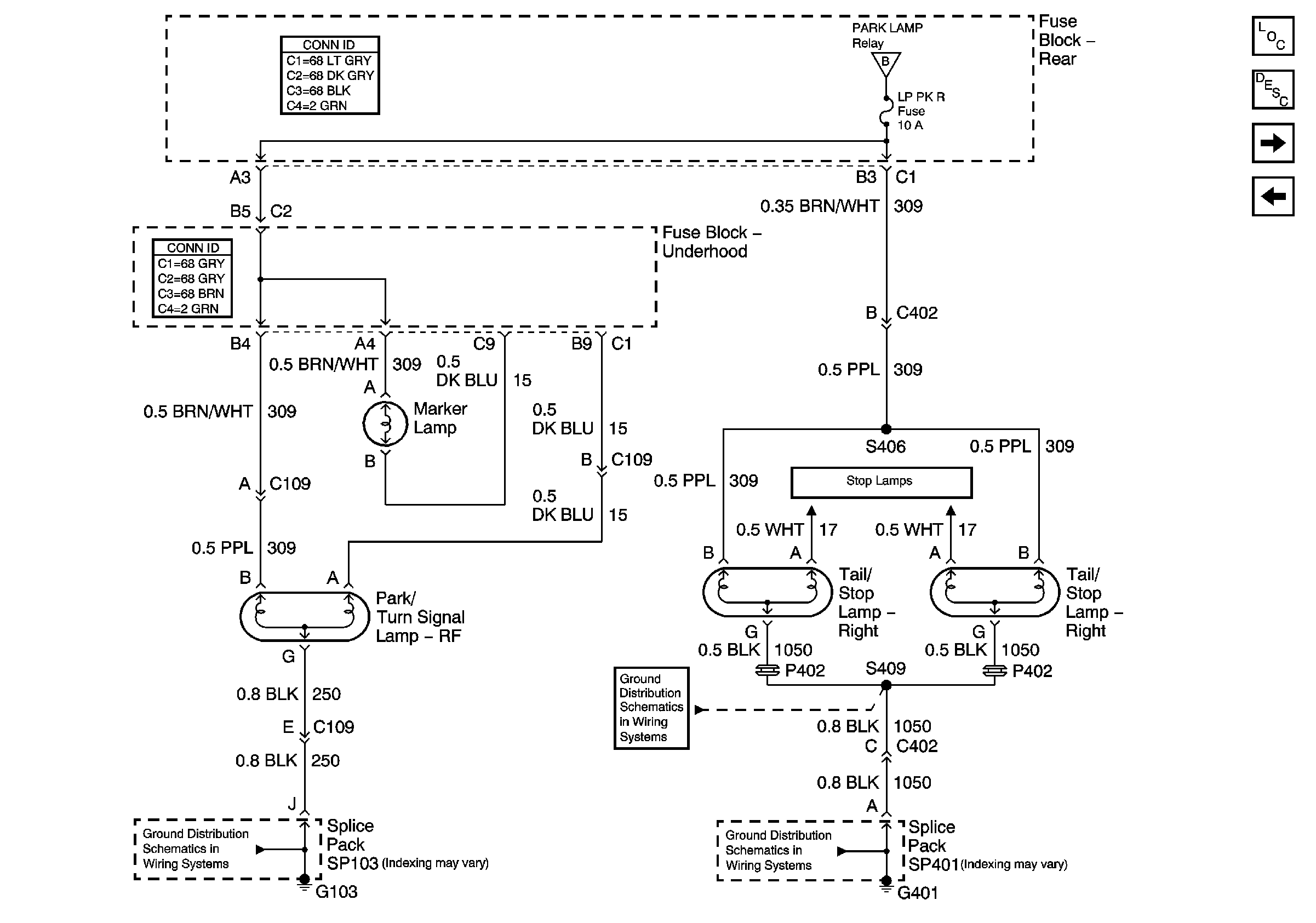
Car Park/Tail/Stop Lamps-Left
RH Turn Signal/Hazard Lamps
Battery Feed to the Fuse Block-Rear
CCM, PCM Controls and Vehicle Speed Input
Power, Ground, Stoplamp Switch, Solenoid Valves, and Pump Motor
Car Park/Tail/Stop Lamps-Left
Park/Tail/Stop Lamps-Right
G402
G401 (2 of 2)
G402
G401 (2 of 2)
Figure 5:

Park/Tail/Stop Lamps-Left


Object Number: 397848  Size: FS
Master Electrical Component List
Exterior Lighting Systems Description and Operation
Park/Tail/Stop Lamps-Right
Tail/Stop Lamps
License Plate Lamps, Park Lamp Relay
Tail/Stop Lamps
G402
G103
G402
Figure 6:

Park/Tail/Stop Lamps-Right


Object Number: 618696  Size: FS
Master Electrical Component List
Exterior Lighting Systems Description and Operation
License Plate Lamps, Park Lamp Relay
Car Park/Tail/Stop Lamps-Left
License Plate Lamps, Park Lamp Relay
Tail/Stop Lamps
G401 (2 of 2)
G401 (2 of 2)
G103
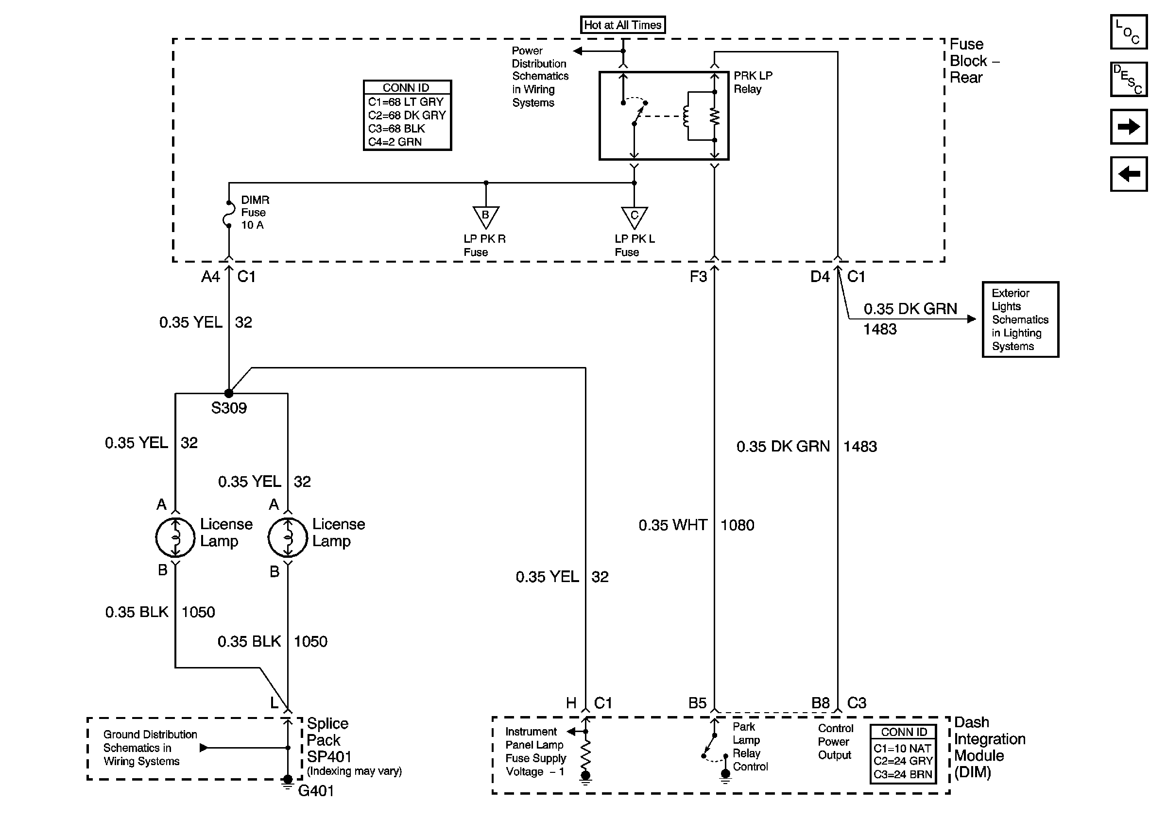
Figure 7:

License Plate Lamps, Park Lamp Relay


Object Number: 397852  Size: FS
Master Electrical Component List
Exterior Lighting Systems Description and Operation
Backup Lamps
Park/Tail/Stop Lamps-Right
Battery Feed to the Fuse Block-Rear
G401, 1 of 2
Park/Tail/Stop Lamps-Right
Car Park/Tail/Stop Lamps-Left
Low Beam Headlamps
Figure 8:

Backup Lamps


Object Number: 798658  Size: FS
Master Electrical Component List
Exterior Lighting Systems Description and Operation
Navigation System
License Plate Lamps, Park Lamp Relay
Inside Rearview Mirror W/DD7 or DD8
Battery Feed to the Fuse Block-Rear
Battery Feed to the Fuse Block-Rear
G401 (2 of 2)
G402
G401 (2 of 2)
G402