GM Service Manual Online
For 1990-2009 cars only
Figure 1:

Dimming Control


Object Number: 397793  Size: FS
Master Electrical Component List
Interior Lighting Systems Description and Operation
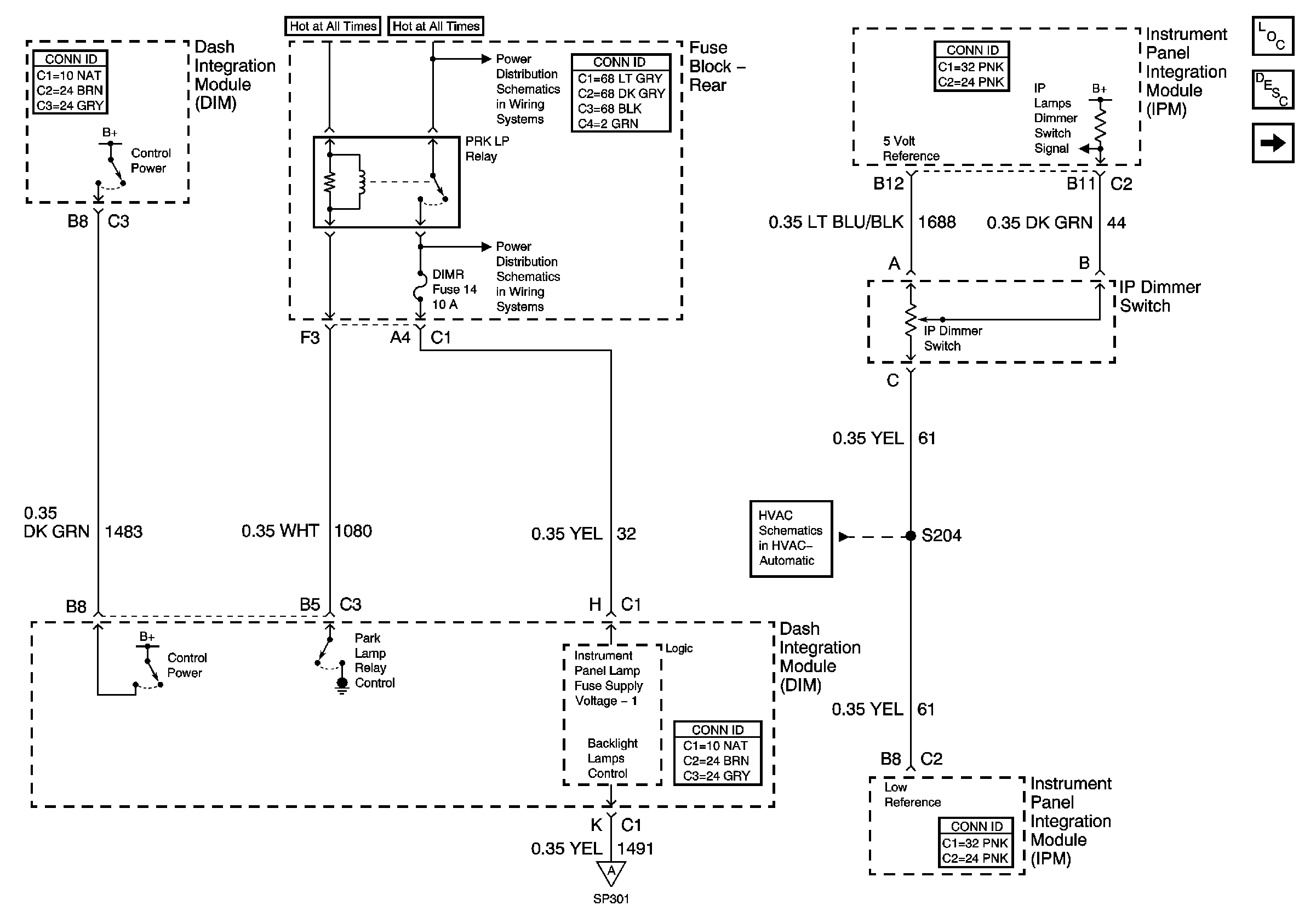
Instrument Panel/Console Dimming
Battery Feed to the Fuse Block-Rear
Battery Feed to the Fuse Block-Rear
Air Temperature Sensors
Instrument Panel/Console Dimming
Instrument Panel/Console Dimming
Figure 2:

Instrument Panel/Console Dimming


Object Number: 765479  Size: FS
Master Electrical Component List
Interior Lighting Systems Description and Operation
Front Door Dimming
Dimming Control
Dimming Control
Steering Column Dimming
G201, 1 of 3
Figure 3:

Front Door Dimming


Object Number: 397799  Size: FS
Master Electrical Component List
Interior Lighting Systems Description and Operation
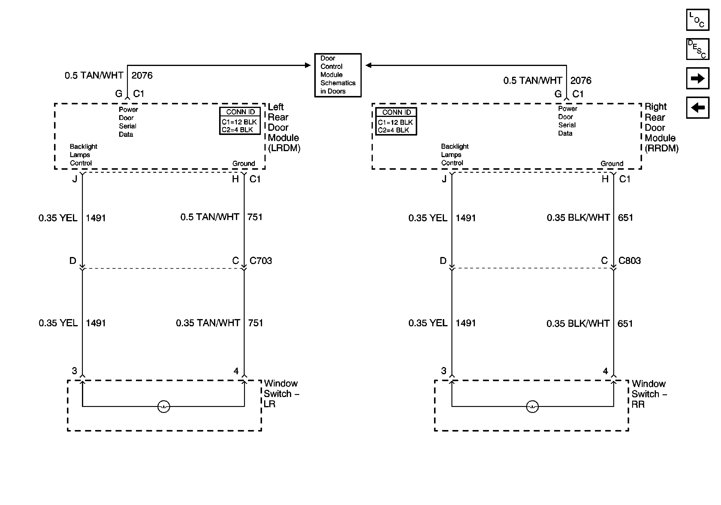
Rear Door Dimming
Instrument Panel/Console Dimming
Power Door Serial Data
Figure 4:

Rear Door Dimming


Object Number: 397803  Size: FS
Master Electrical Component List
Interior Lighting Systems Description and Operation
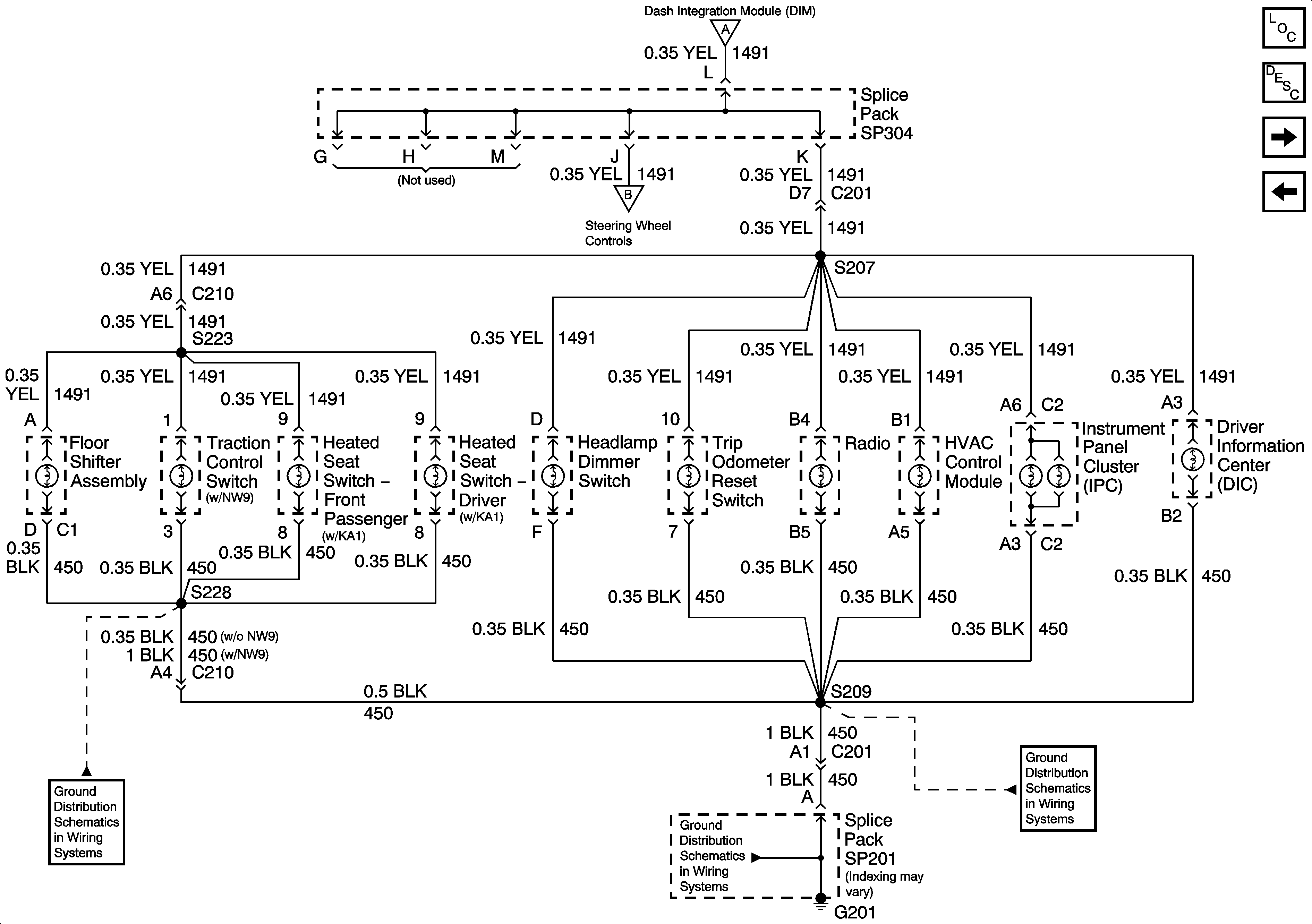
Steering Column Dimming
Front Door Dimming
Power Door Serial Data
Figure 5:

Steering Column Dimming


Object Number: 715898  Size: FS
Master Electrical Component List
Interior Lighting Systems Description and Operation
Rear Door Dimming
Instrument Panel/Console Dimming
G200
G200
SIR Handling Caution
SIR Handling Caution
Instrument Panel/Console Dimming