GM Service Manual Online
For 1990-2009 cars only
Makes
🢒
Oldsmobile
🢒
2003
🢒
Aurora
🢒
Body and Accessories
🢒
Lighting Systems
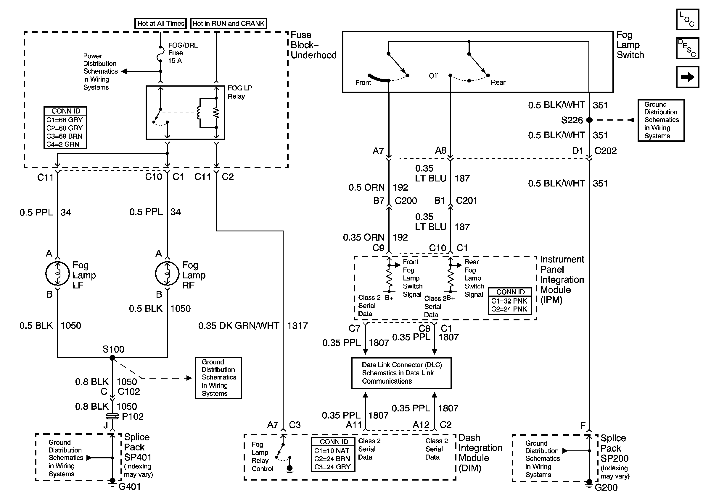
🢒 Fog Lights Schematics
Figure
1:
Front
Master Electrical Component List
Exterior Lighting Systems Description and Operation
Fog Lamps (Rear)
G200
G200
Serial Data Class 2
G401 (2 of 2)
G401 (2 of 2)
Car Battery Feed to the Fuse Block-Underhood
Figure
2:
Rear
Master Electrical Component List
Exterior Lighting Systems Description and Operation
Fog Lamps (Front)
Battery Feed to the Fuse Block-Rear
G200
G200
Serial Data Class 2
G401, 1 of 2