GM Service Manual Online
For 1990-2009 cars only
Makes
🢒
Oldsmobile
🢒
2003
🢒
Aurora
🢒
Body and Accessories
🢒
Instrument Panel, Gages, and Console
🢒 Instrument Cluster Schematics
Figure
1:
Power, Ground, and Class 2
Master Electrical Component List
Instrument Cluster Description and Operation
Gauges
Battery Feed to the Fuse Block-Rear
IGN-1, VENT SOL, SIR Fuses and IGN 1 Relay (Fuse Block-Rear)
Battery Feed to the Fuse Block-Rear
HVAC BLO, AUDIO, IP Fuses (Fuse Block-Rear)
IGN-1, VENT SOL, SIR Fuses and IGN 1 Relay (Fuse Block-Rear)
HVAC BLO, AUDIO, IP Fuses (Fuse Block-Rear)
G201, 2 of 3
G201, 2 of 3
Instrument Panel/Console Dimming
G201, 1 of 3
G201, 1 of 3
Serial Data Class 2
Generator Controls and Battery
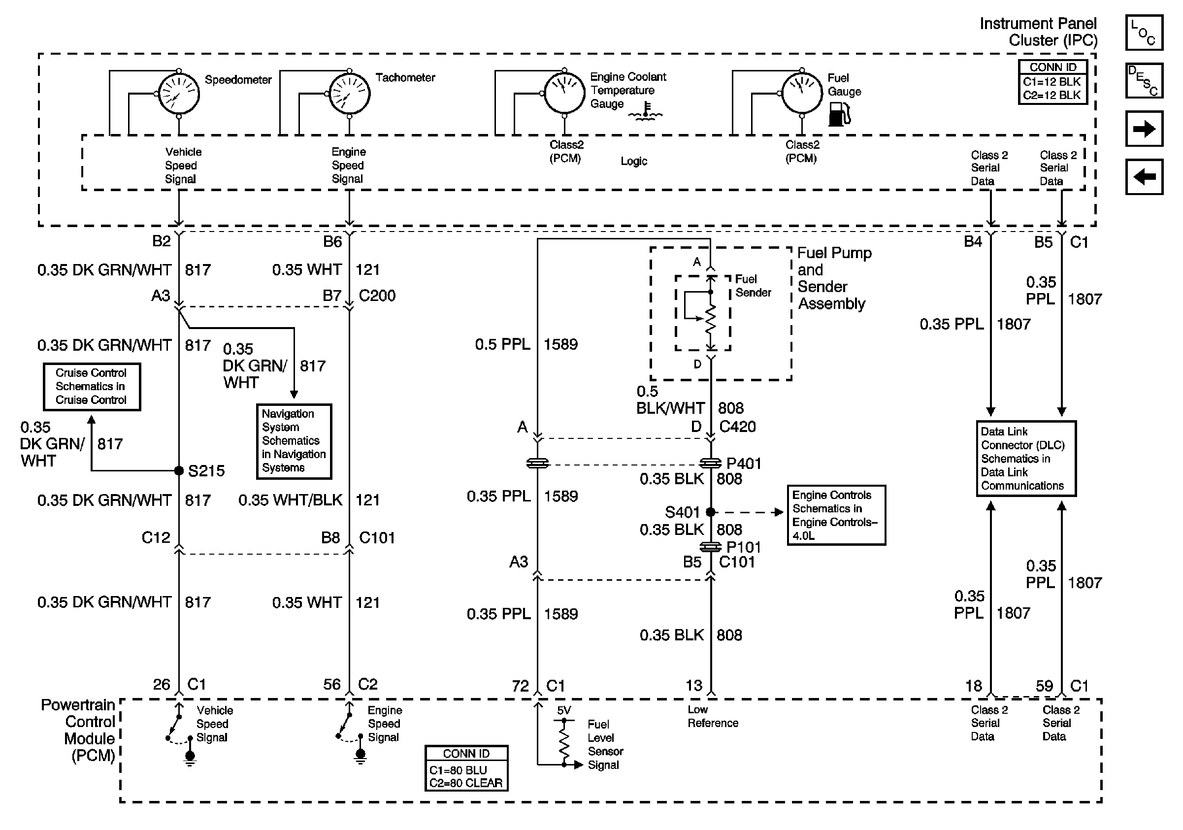
Figure
2:
Gages
Master Electrical Component List
Instrument Cluster Description and Operation
Indicators
Power, Ground, and Class 2
Serial Data Class 2
Engine Data Sensors - Pressure and Temperature
Fuel Controls - EVAP Controls
CCM, PCM Controls and Vehicle Speed Input
Figure
3:
Indicators
Master Electrical Component List
Gauges
Instrument Panel/Console Dimming
Turn Signal/Hazard Lamp-Left
Indicators and Traction Control Switch
Brake Warning System Schematics
Serial Data Class 2
Wiper Washer Rain Sensor
Module Power, Ground, Serial Data and MIL
G201, 1 of 3
G201, 1 of 3