GM Service Manual Online
For 1990-2009 cars only

Tools Required

J 37097-A Hose Clamp Remover/Installer

Removal Procedure

  1. Partially drain the engine coolant. Refer to Cooling System Draining and Filling .

  2. Object Number: 527517  Size: SH
  3. Disconnect the surge tank inlet hose from the surge tank.

  4. Object Number: 518257  Size: SH
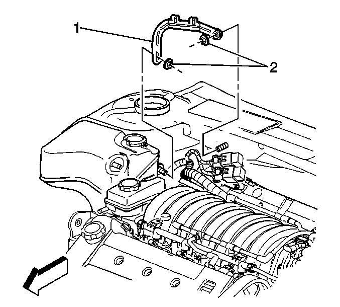
  5. Remove the secondary AIR relay bracket mounting nuts (2).
  6. Remove the secondary AIR relay bracket (1).

  7. Object Number: 517960  Size: SH
  8. Remove the surge tank mounting screw (3) and nuts (2).
  9. Disconnect the coolant level sensor.

  10. Object Number: 527530  Size: SH
  11. Using the J 37097-A release the clamp.
  12. Remove the surge tank outlet hose from the surge tank.
  13. Remove the surge tank.

Installation Procedure


    Object Number: 527530  Size: SH
  1. Install the surge tank outlet hose to the surge tank.
  2. Using the J 37097-A reposition the clamp.

  3. Object Number: 517960  Size: SH
  4. Position the surge tank (1) over the 2 studs at the wheelhouse.
  5. Notice: Use the correct fastener in the correct location. Replacement fasteners must be the correct part number for that application. Fasteners requiring replacement or fasteners requiring the use of thread locking compound or sealant are identified in the service procedure. Do not use paints, lubricants, or corrosion inhibitors on fasteners or fastener joint surfaces unless specified. These coatings affect fastener torque and joint clamping force and may damage the fastener. Use the correct tightening sequence and specifications when installing fasteners in order to avoid damage to parts and systems.

  6. Install the surge tank fasteners and push nut (3).
  7. Tighten
    Tighten the surge tank nut (2) and bolt to 6 N·m (53 lb in).

  8. Connect the coolant level sensor electrical connection.

  9. Object Number: 518257  Size: SH
  10. Install the secondary AIR relay bracket (1) over the studs.
  11. Install the 2 secondary AIR relay bracket nuts (2).
  12. Tighten
    Tighten the secondary AIR relay bracket nuts (2) to 6 N·m (53 lb in).


    Object Number: 527517  Size: SH
  13. Connect the surge tank inlet hose to the surge tank.
  14. Fill the cooling system. Refer to Cooling System Draining and Filling .