GM Service Manual Online
For 1990-2009 cars only
Makes
🢒
Oldsmobile
🢒
2003
🢒
Aurora
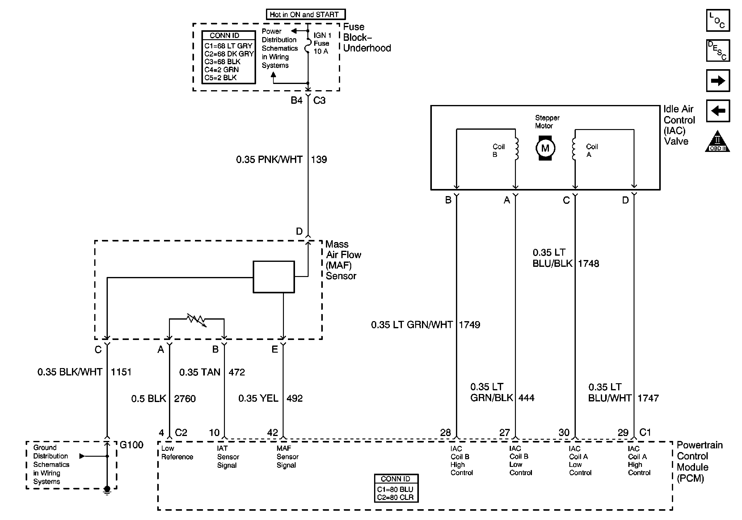
🢒 MAF Sensor and IAC Valve
MAF Sensor and IAC Valve
MAF Sensor and IAC Valve
Master Electrical Component List
Air Intake System Description
AIR Pump Relays and Motors
Oxygen Sensors
OBD II Symbol Description Notice
Battery Feed to the Fuse Block-Underhood
G100 and G102, L47