GM Service Manual Online
For 1990-2009 cars only
Makes
🢒
Oldsmobile
🢒
2003
🢒
Aurora
🢒 AIR Pump and Controls
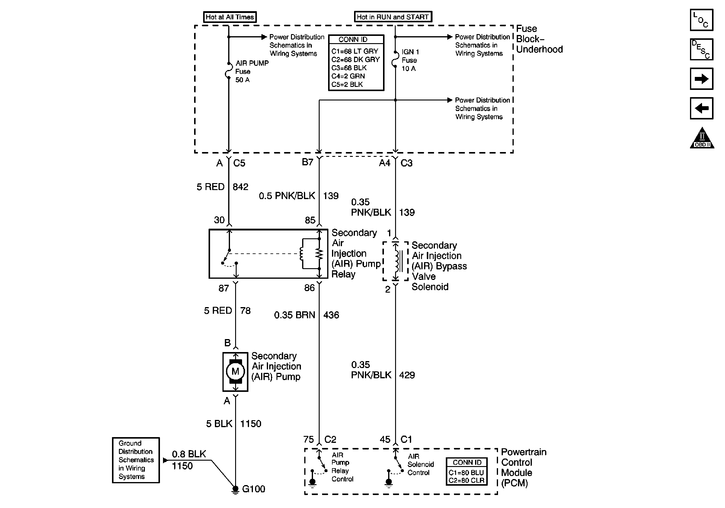
AIR Pump and Controls
AIR Pump and Controls
Master Electrical Component List
Secondary Air Injection System Description
PCM Controls (1 of 2)
EVAP Canister Purge Valve, IAC, and MAF
OBD II Symbol Description Notice
G100 and G102, LX5
Battery Feed to the Fuse Block-Underhood
Battery Feed to the Fuse Block-Underhood
L47 IGN 1, OXY SEN, DIS Fuses and IGN 1 Relay (Fuse Block-Underhood)