GM Service Manual Online
For 1990-2009 cars only
Makes
🢒
Oldsmobile
🢒
2003
🢒
Aurora
🢒 Fuel Tank and Sender Assembly and Controls
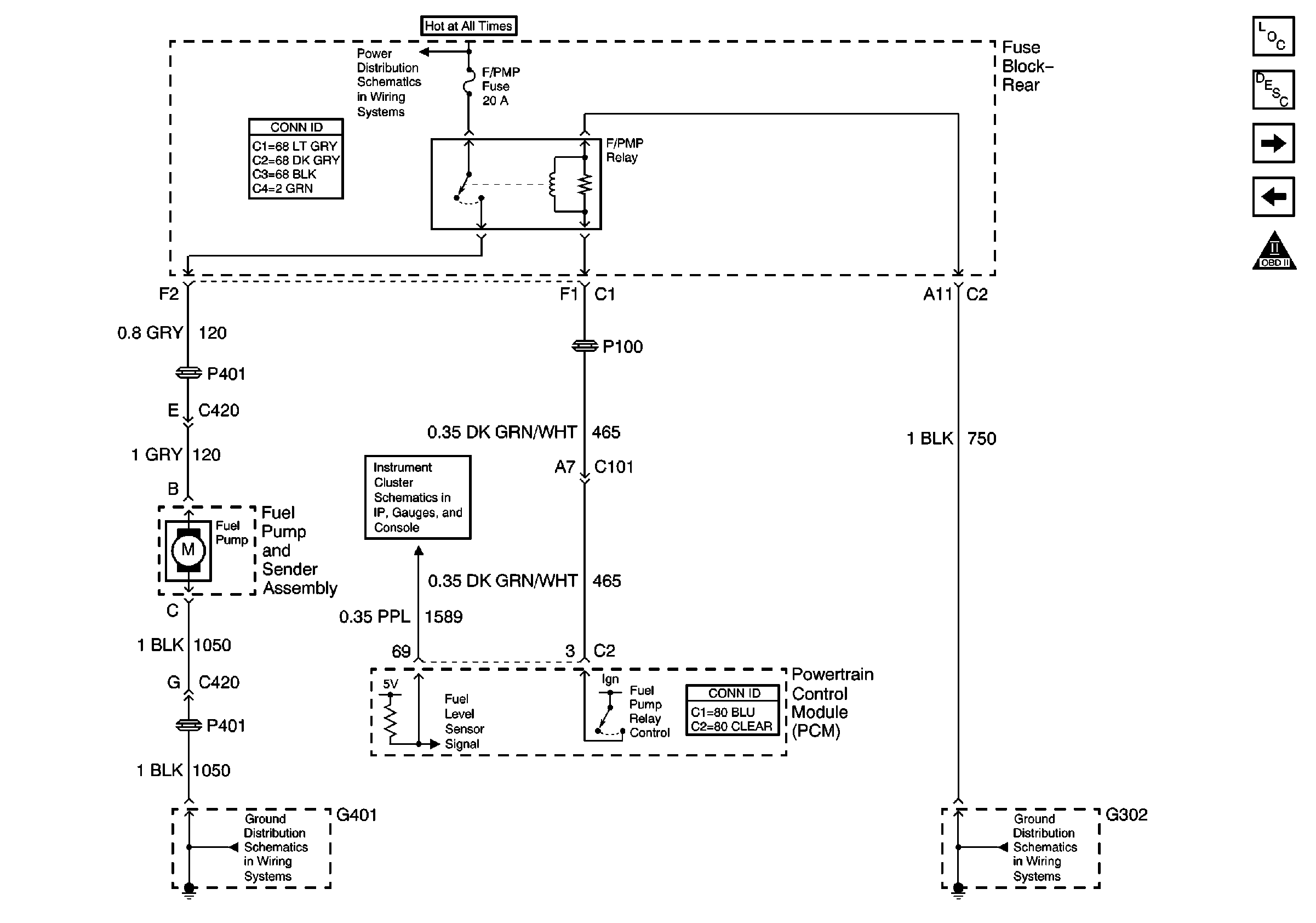
Fuel Tank and Sender Assembly and Controls
Fuel Tank and Sender Assembly and Controls
Master Electrical Component List
Fuel System Description
Fuel Injectors
Camshaft and Crankshaft Position Sensors, TCC/Cruise Release Switch
OBD II Symbol Description Notice
G302
G401 (1 of 2)
Battery Feed to the Fuse Block-Rear
Gauges