GM Service Manual Online
For 1990-2009 cars only
Makes
🢒
Oldsmobile
🢒
2003
🢒
Aurora
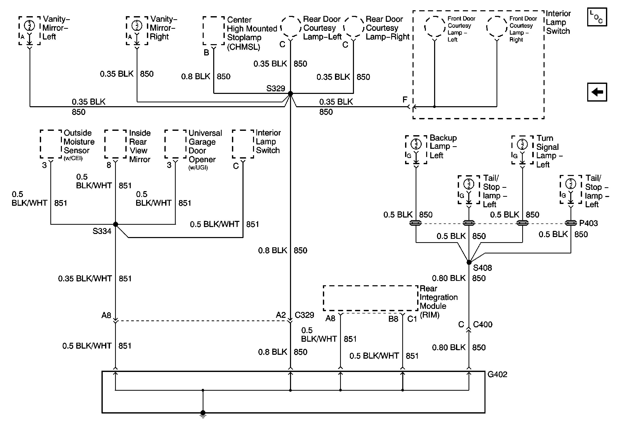
🢒 G402
G402
G402
Master Electrical Component List
G401 (2 of 2)