GM Service Manual Online
For 1990-2009 cars only
Makes
🢒
Oldsmobile
🢒
2003
🢒
Aurora
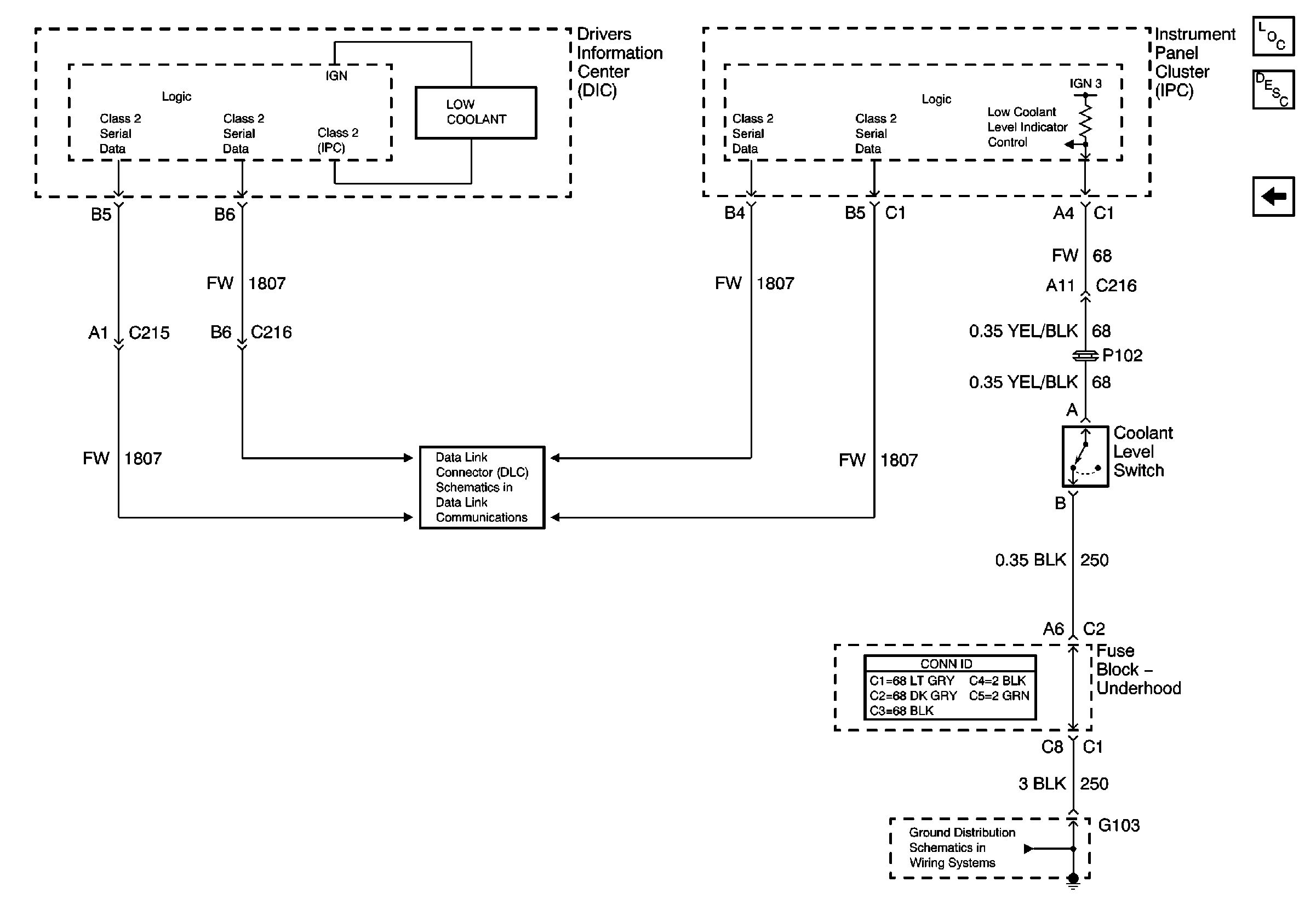
🢒 Coolant Level Switch
Coolant Level Switch
Coolant Level Switch
Master Electrical Component List
Cooling System Description and Operation
Cooling Fans and Relays
G103
Serial Data Class 2