GM Service Manual Online
For 1990-2009 cars only
Makes
🢒
Oldsmobile
🢒
2003
🢒
Aurora
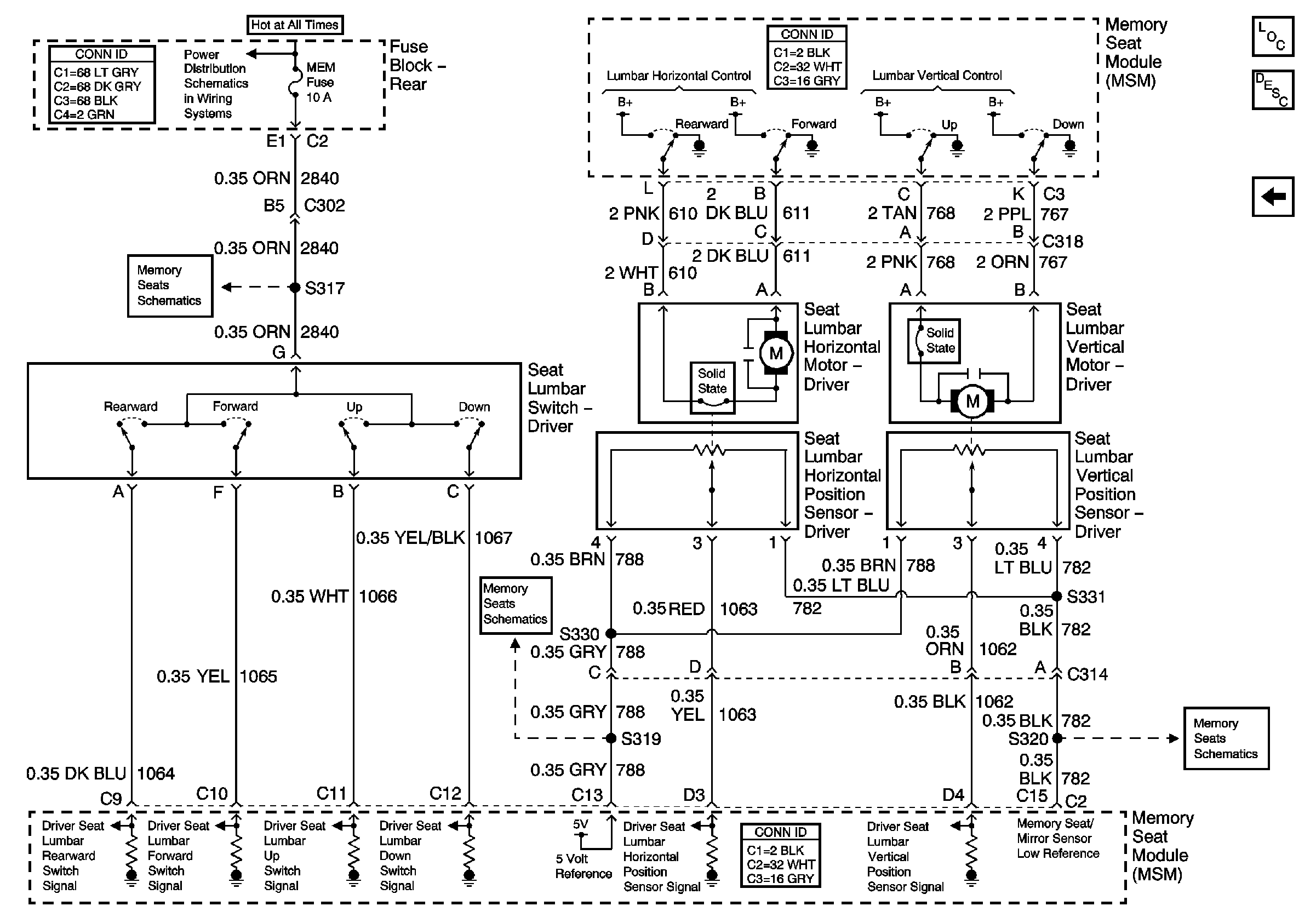
🢒 Driver Seat Lumbar (w/ A45)
Driver Seat Lumbar (w/ A45)
Driver Seat Lumbar (w/ A45)
Master Electrical Component List
Lumbar Support Description and Operation w/o A45
RH Seat Switch and Motors (w/AG2, A81, AL2)
Driver Seat Vertical and Horizontal Motors and Sensors
Battery Feed to the Fuse Block-Rear
Power, Ground, Driver Seat Adjuster Switch and MSM
Driver Seat Recline Motor and Sensor