GM Service Manual Online
For 1990-2009 cars only

SMU - SECTION 7A14D - 4L60-E AUTOMATIC TRANSMISSION

THIS BULLETIN IS BEING REVISED TO INFORM "GM OF CANADA" DEALERS THAT THEY ARE NOT AUTHORIZED TO UTILIZE THIS SERVICE BULLETIN.

*********************************************************************

"GM OF CANADA" DEALERS ARE NOT AUTHORIZED TO UTILIZE THIS SERVICE BULLETIN.

*********************************************************************

SUBJECT: SERVICE MANUAL UPDATE - SECTION 7A14D - 4L60-E AUTOMATIC TRANSMISSION ON-VEHICLE SERVICE - ADDITIONAL INFORMATION ON SERVICE PROCEDURES FOR SHIFT CONTROL ASSEMBLY AND SHIFT CABLE

MODELS: 1996 OLDSMOBILE BRAVADA

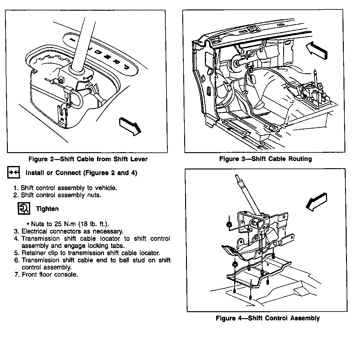
THIS BULLETIN IS BEING ISSUED TO PROVIDE REMOVAL AND INSTALLATION PROCEDURES FOR THE TRANSMISSION SHIFT CABLE AND TRANSMISSION SHIFT CONTROL ASSEMBLY FOR THE OLDSMOBILE BRAVADA. THESE PROCEDURES WERE INADVERTENTLY OMITTED FROM THE 1996 S/T TRUCK SERVICE MANUAL.

FIGURES: 0 ATTACHMENTS: 2


Object Number: 76368  Size: FS


Object Number: 78710  Size: FS

GENERAL MOTORS BULLETINS ARE INTENDED FOR USE BY PROFESSIONAL TECHNICIANS, NOT A "DO-IT-YOURSELFER". THEY ARE WRITTEN TO INFORM THOSE TECHNICIANS OF CONDITIONS THAT MAY OCCUR ON SOME VEHICLES, OR TO PROVIDE INFORMATION THAT COULD ASSIST IN THE PROPER SERVICE OF A VEHICLE. PROPERLY TRAINED TECHNICIANS HAVE THE EQUIPMENT, TOOLS, SAFETY INSTRUCTIONS AND KNOW-HOW TO DO A JOB PROPERLY AND SAFELY. IF A CONDITION IS DESCRIBED, DO NOT ASSUME THAT THE BULLETIN APPLIES TO YOUR VEHICLE, OR THAT YOUR VEHICLE WILL HAVE THAT CONDITION. SEE A GENERAL MOTORS DEALER SERVICING YOUR BRAND OF GENERAL MOTORS VEHICLE FOR INFORMATION ON WHETHER YOUR VEHICLE MAY BENEFIT FROM THE INFORMATION.

COPYRIGHT 1996 GENERAL MOTORS CORPORATION. ALL RIGHTS RESERVED.