GM Service Manual Online
For 1990-2009 cars only

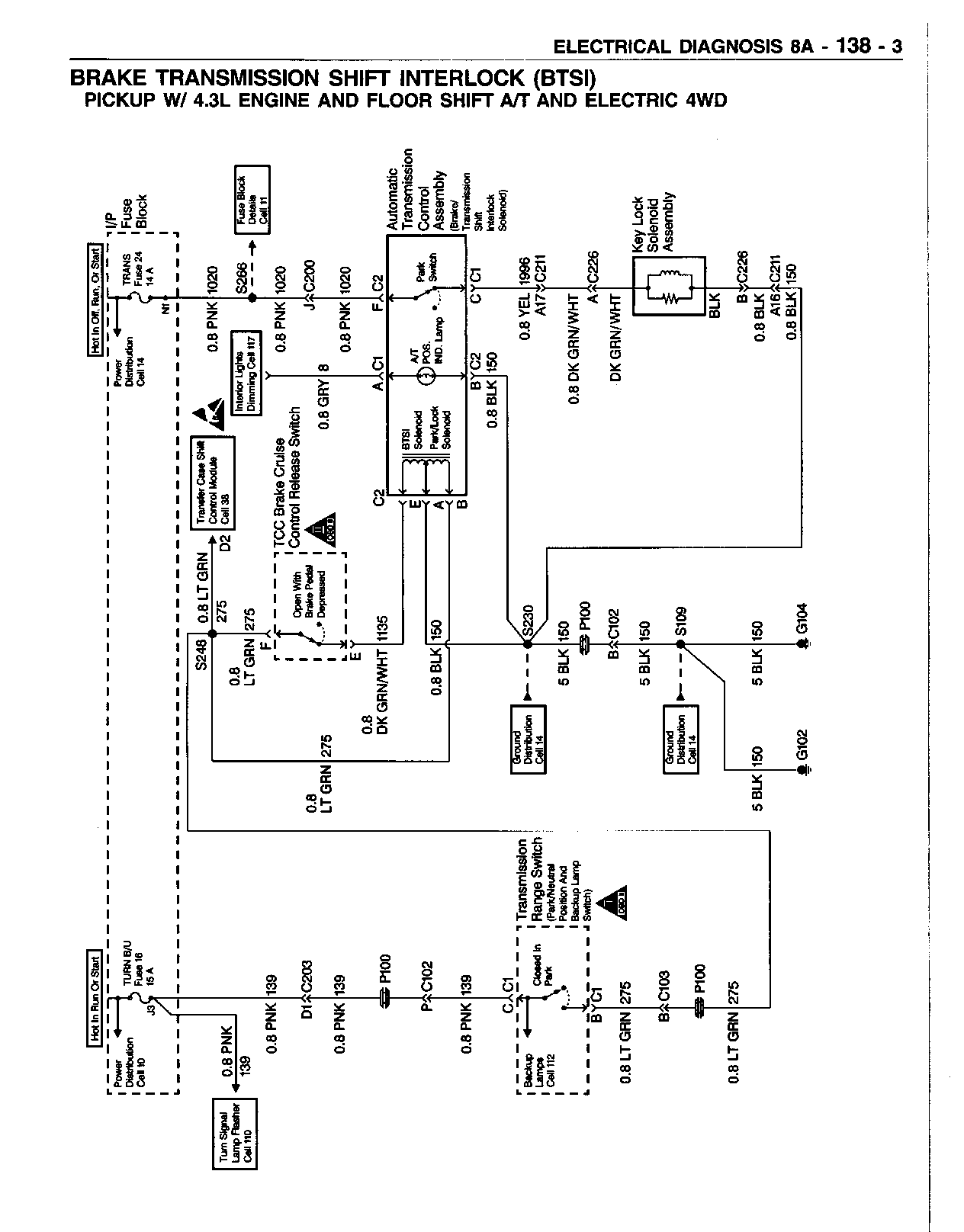
SMU - SECTION 8A-138 BRAKE/ TRANSMISSION SHIFT INTERLOCK

SUBJECT: SERVICE MANUAL UPDATE - SECTION 8A-138 BRAKE/TRANSMISSION SHIFT INTERLOCK (BTSI) - REVISE AND ADD SCHEMATIC PAGES

MODELS: 1997 CHEVROLET AND GMC S/T MODELS 1997 OLDSMOBILE BRAVADA

THIS BULLETIN ADDS MISSING WIRING INFORMATION FOR THE KEY LOCK SOLENOID ASSEMBLY FOR VEHICLES EQUIPPED WITH FLOOR SHIFT AUTOMATIC TRANSMISSIONS. EXISTING PAGE 8A-138-1 IS REVISED AND PAGES 8A-132-2 THROUGH 8A-132-5 ARE ADDED FOR THE 1997 S/T TRUCK SERVICE MANUAL.

FIGURES: 00 ATTACHMENTS: 05


Object Number: 169219  Size: FS


Object Number: 169220  Size: FS


Object Number: 169221  Size: FS


Object Number: 169222  Size: FS


Object Number: 169223  Size: FS

GENERAL MOTORS BULLETINS ARE INTENDED FOR USE BY PROFESSIONAL TECHNICIANS, NOT A "DO-IT-YOURSELFER". THEY ARE WRITTEN TO INFORM THOSE TECHNICIANS OF CONDITIONS THAT MAY OCCUR ON SOME VEHICLES, OR TO PROVIDE INFORMATION THAT COULD ASSIST IN THE PROPER SERVICE OF A VEHICLE. PROPERLY TRAINED TECHNICIANS HAVE THE EQUIPMENT, TOOLS, SAFETY INSTRUCTIONS AND KNOW-HOW TO DO A JOB PROPERLY AND SAFELY. IF A CONDITION IS DESCRIBED, DO NOT ASSUME THAT THE BULLETIN APPLIES TO YOUR VEHICLE, OR THAT YOUR VEHICLE WILL HAVE THAT CONDITION. SEE A GENERAL MOTORS DEALER SERVICING YOUR BRAND OF GENERAL MOTORS VEHICLE FOR INFORMATION ON WHETHER YOUR VEHICLE MAY BENEFIT FROM THE INFORMATION.

COPYRIGHT 1997 GENERAL MOTOR CORPORATION. ALL RIGHTS RESERVED.