GM Service Manual Online
For 1990-2009 cars only
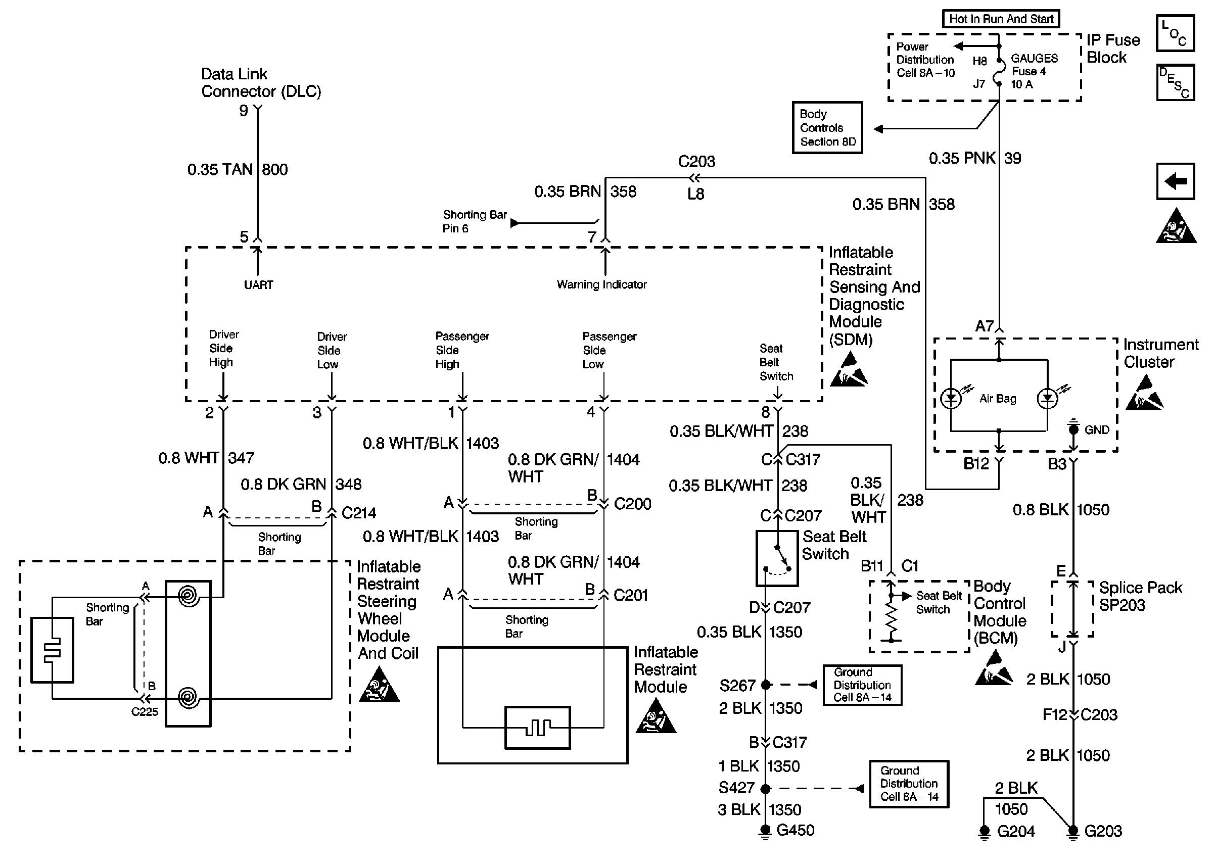
Figure 1:

Cell 47: SIR Fuse 16 and IP Module Switch


Object Number: 158467  Size: FS
Cell 47: Discriminating Sensors
Cell 47: Discriminating Sensors
Cell 47: Discriminating Sensors
SIR Components
SIR System Component Description and Definitions
Cell 47: Discriminating Sensors
SIR Caution
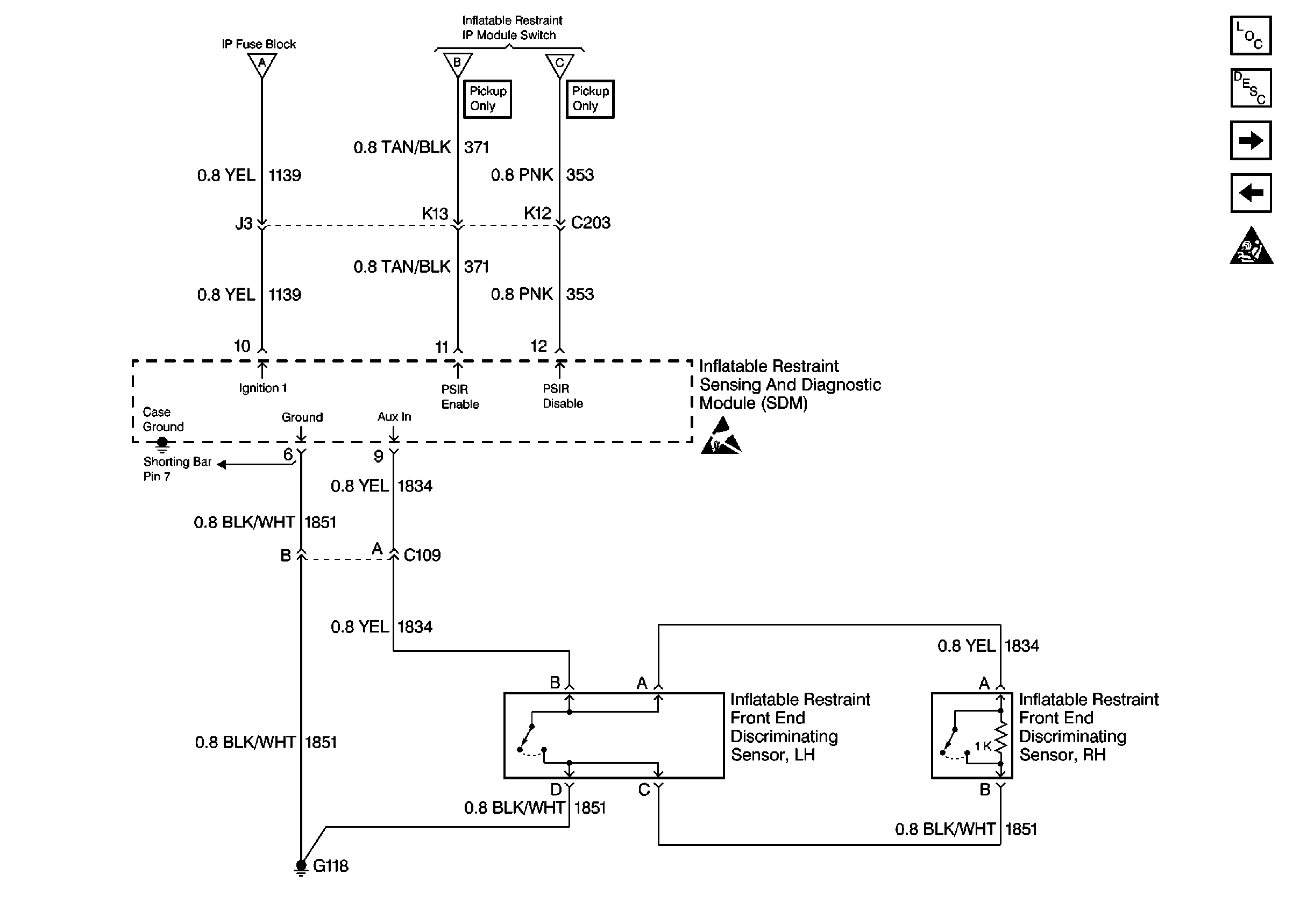
Figure 2:

Cell 47: Discriminating Sensors


Object Number: 158474  Size: FS
Cell 47: SIR Fuse 16 and IP Module Switch
Cell 47: SIR Fuse 16 and IP Module Switch
Cell 47: SIR Fuse 16 and IP Module Switch
Handling Electrostatic Discharge Sensitive Parts Notice
SIR Components
SIR System Component Description and Definitions
Cell 47: Sensing And Diagnostic Module - Utility
Cell 47: SIR Fuse 16 and IP Module Switch
SIR Caution
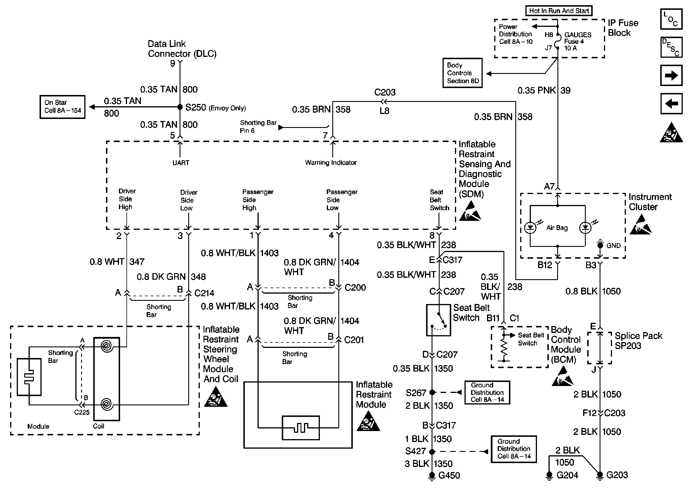
Figure 3:

Cell 47: Sensing And Diagnostic Module -- Utility


Object Number: 158493  Size: FS
SIR Caution
SIR Caution
Handling Electrostatic Discharge Sensitive Parts Notice
Handling Electrostatic Discharge Sensitive Parts Notice
SIR Components
SIR System Component Description and Definitions
Cell 47: Sensing And Diagnostic Module - Pickup
Cell 47: Discriminating Sensors
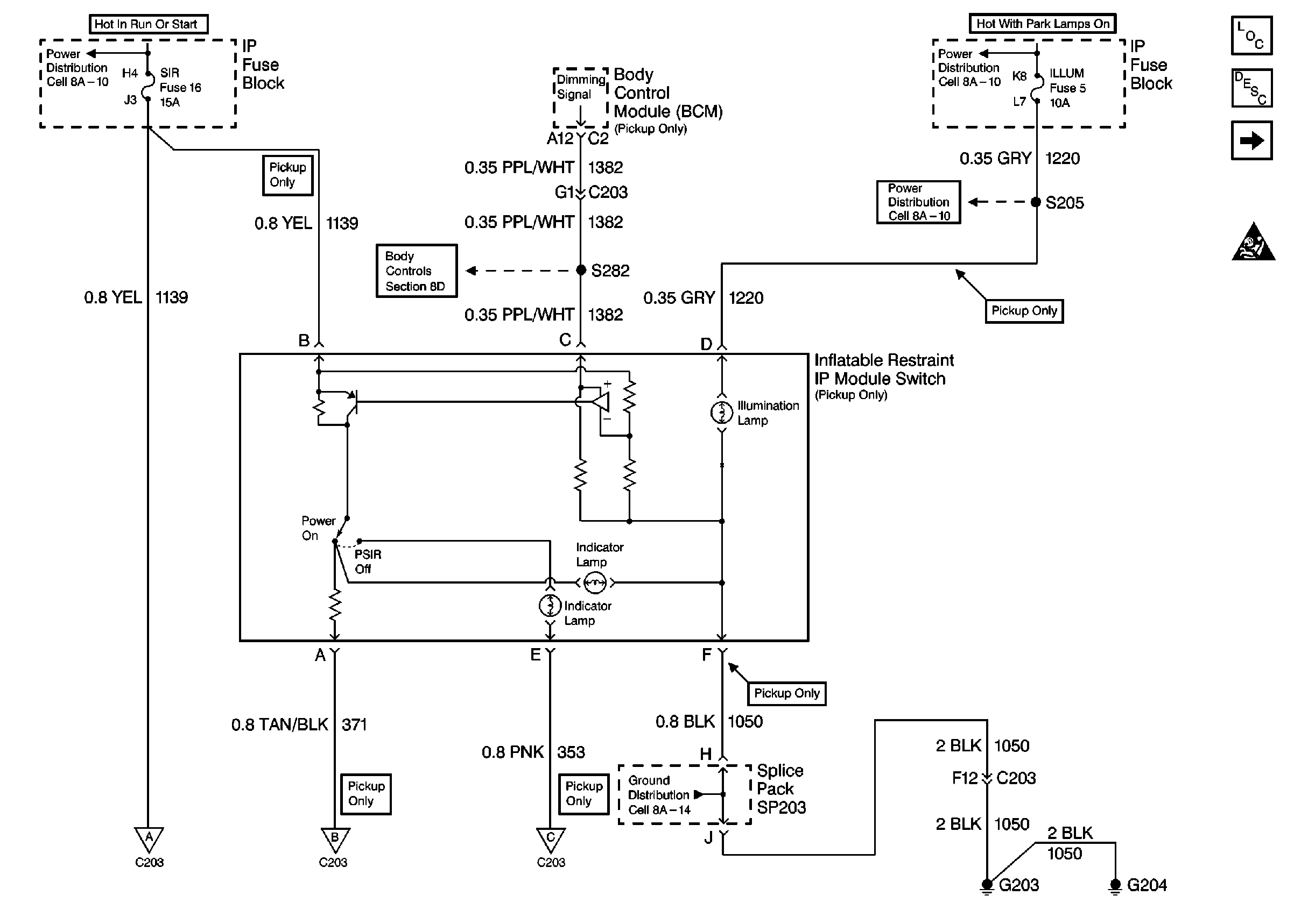
Figure 4:

Cell 47: Sensing And Diagnostic Module -- Pickup


Object Number: 242450  Size: FS
SIR Caution
SIR Caution
Handling Electrostatic Discharge Sensitive Parts Notice
Handling Electrostatic Discharge Sensitive Parts Notice
SIR Components
SIR System Component Description and Definitions
Cell 47: Sensing And Diagnostic Module - Utility