GM Service Manual Online
For 1990-2009 cars only
Makes
🢒
Oldsmobile
🢒
1998
🢒
Bravada
🢒
Body and Accessories
🢒
Instrument Panel, Gauges, and Console
🢒 Audible Warnings Schematics
Figure
1:
Cell 76: Power and Ground
Audible Warnings Components
Audible Warnings Circuit Description
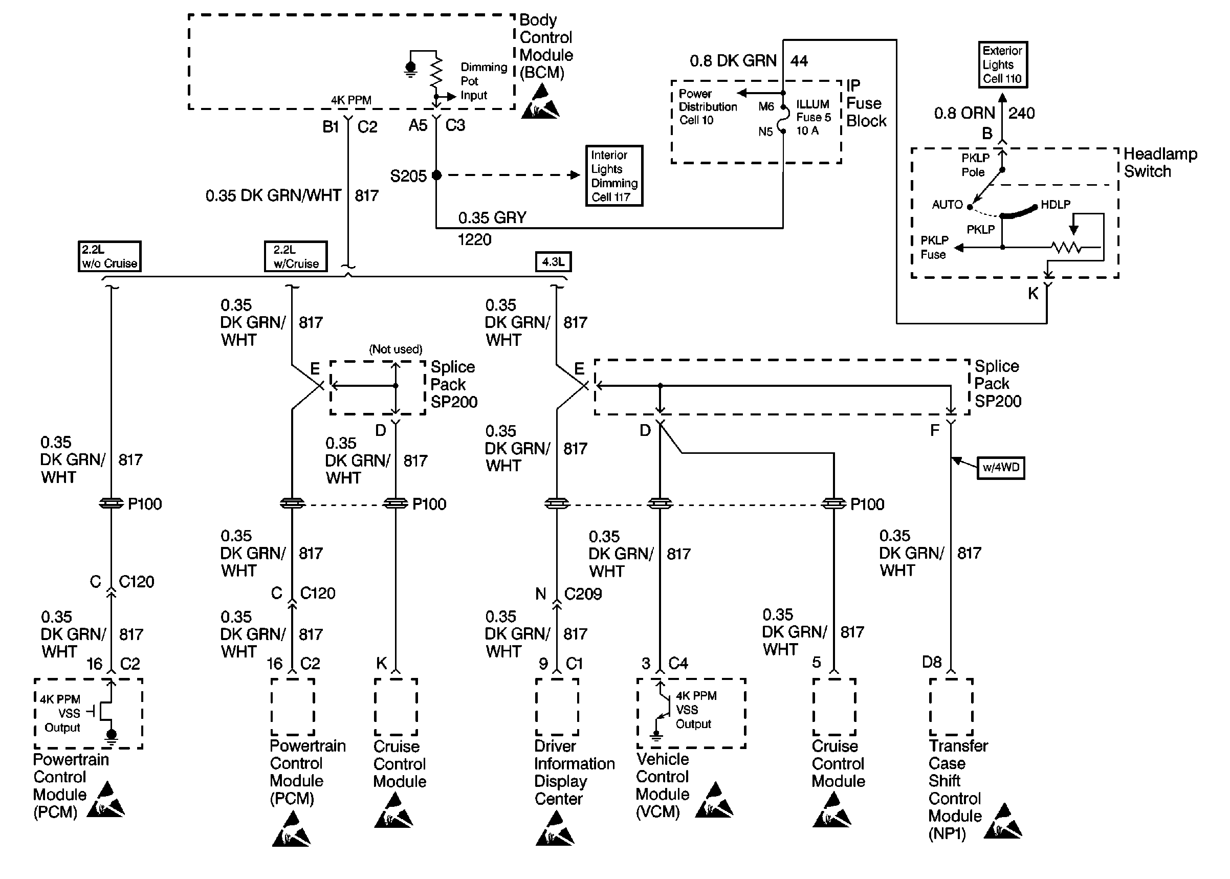
Cell 76: BCM, PCM/VCM and Headlamp Switch
Power Distribution Schematics
Power Distribution Schematics
Power Distribution Schematics
Power Distribution Schematics
Ground Distribution Schematics
Ground Distribution Schematics
Ground Distribution Schematics
Ground Distribution Schematics
Fog Lights Schematics
Interior Lights Schematics
Instrument Cluster: Analog Schematics
Keyless Entry Schematics
Handling ESD Sensitive Parts Notice
Figure
2:
Cell 76: BCM, PCM/VCM and Headlamp Switch
Audible Warnings Components
Audible Warnings Circuit Description
Cell 76: Turn Signal Ground
Cell 76: Power and Ground
Handling ESD Sensitive Parts Notice
Handling ESD Sensitive Parts Notice
Handling ESD Sensitive Parts Notice
Handling ESD Sensitive Parts Notice
Handling ESD Sensitive Parts Notice
Handling ESD Sensitive Parts Notice
Handling ESD Sensitive Parts Notice
Handling ESD Sensitive Parts Notice
Figure
3:
Cell 76: Turn Signal Ground
Audible Warnings Components
Audible Warnings Circuit Description
Cell 76: BCM, PCM/VCM and Headlamp Switch
Instrument Cluster: Analog Schematics
Handling ESD Sensitive Parts Notice
Exterior Lights Schematics
Exterior Lights Schematics
Exterior Lights Schematics
Exterior Lights Schematics
Power Distribution Schematics
Ground Distribution Schematics
Power Distribution Schematics
Ground Distribution Schematics