GM Service Manual Online
For 1990-2009 cars only
Makes
🢒
Oldsmobile
🢒
1998
🢒
Bravada
🢒
Body and Accessories
🢒
Seats
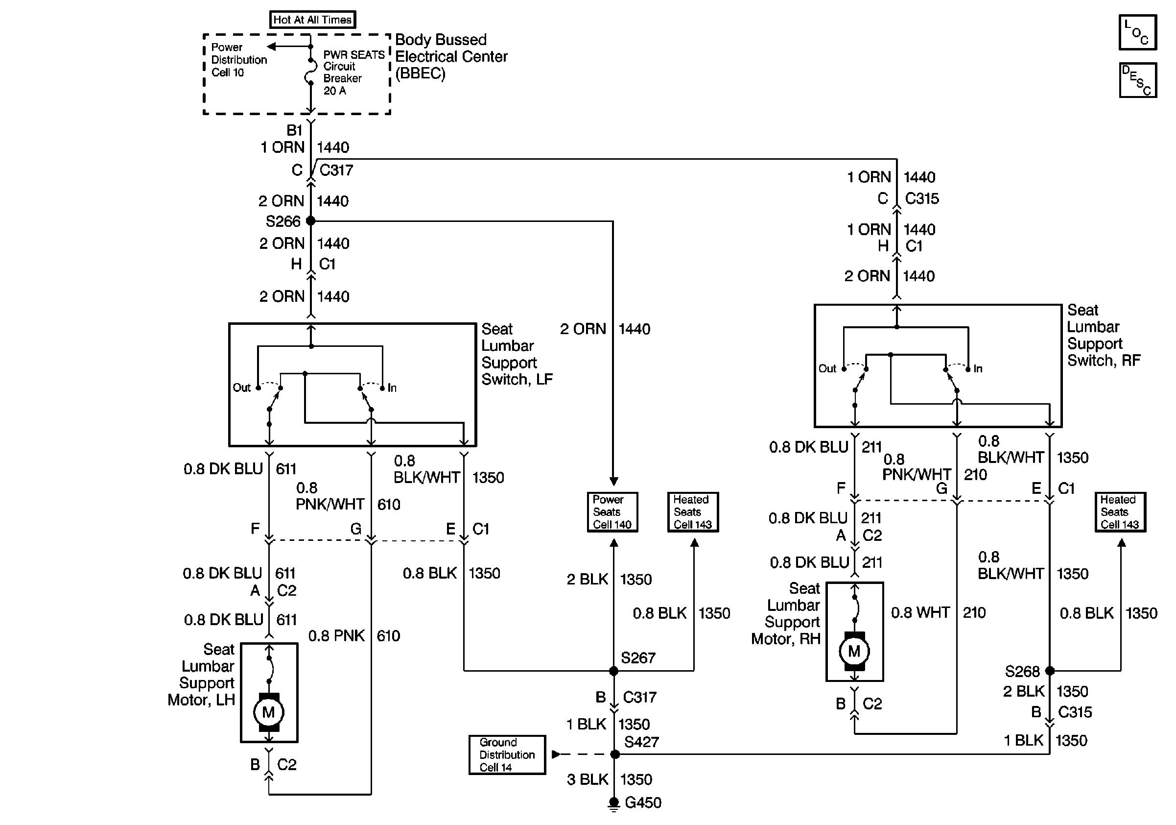
🢒 Lumbar Support Schematics
Cell 142
Power Lumbar Circuit Description
Heated Seats Schematics
Ground Distribution Schematics
Power Seats Schematics