GM Service Manual Online
For 1990-2009 cars only
Makes
🢒
Oldsmobile
🢒
1998
🢒
Bravada
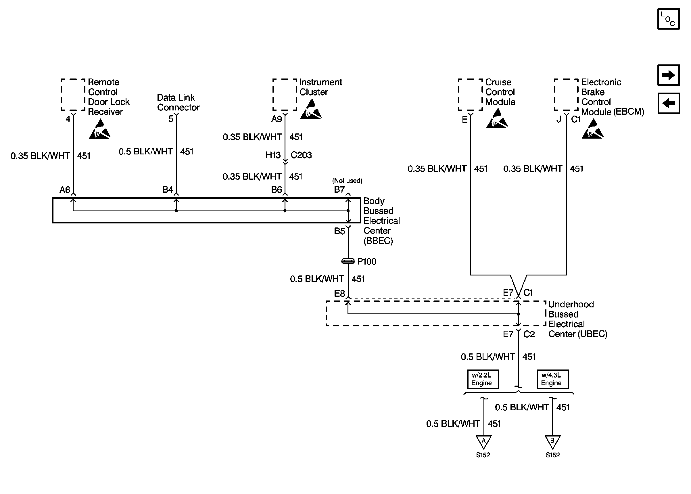
🢒 Cell 14: BBEC and UBEC (Pickup)
Cell 14: BBEC and UBEC (Pickup)
Cell 14: BBEC and UBEC (Pickup)
Power and Grounding Components
Cell 14: G103 and G105 (Pickup 2.2L)
Cell 14: G102 (Utility)
Handling ESD Sensitive Parts Notice
Handling ESD Sensitive Parts Notice
Handling ESD Sensitive Parts Notice
Handling ESD Sensitive Parts Notice
Cell 14: G103 and G105 (Pickup 2.2L)
Cell 14: G103 and G105 (Pickup 4.3L)