GM Service Manual Online
For 1990-2009 cars only
Makes
🢒
Oldsmobile
🢒
2000
🢒
Bravada
🢒
Suspension
🢒
Automatic Level Control
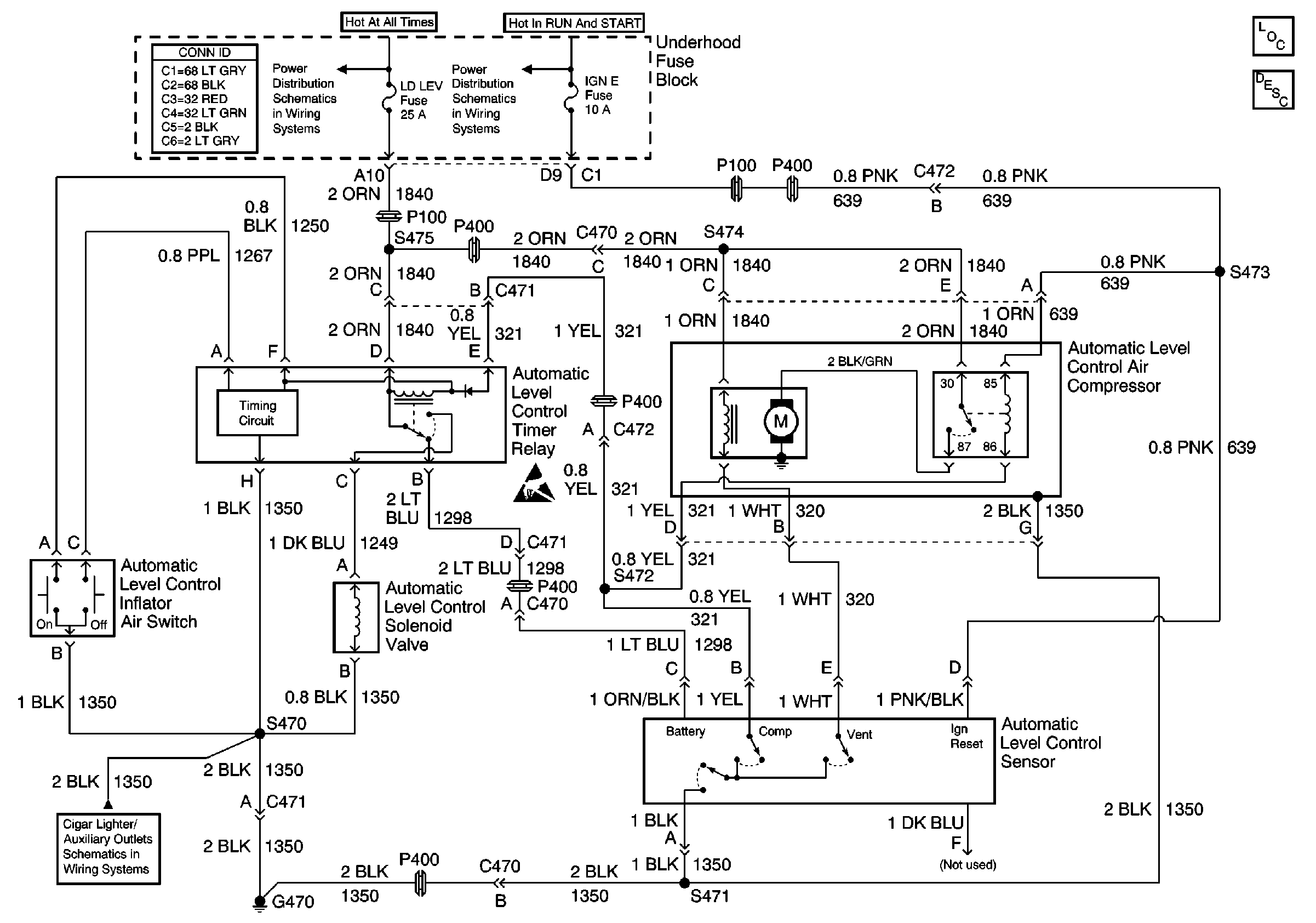
🢒 Automatic Level Control Schematics
Automatic Level Control Suspension Components
Automatic Level Control Circuit Description
Power and Grounding Connector End Views
B+ Bus Bar
Ign RUN and START Bus Bar
Envoy Only
Handling ESD Sensitive Parts Notice