GM Service Manual Online
For 1990-2009 cars only
Figure 1:

High Mount Stop Lamp, Multifunction Switch (Turn Signal Switch) and Turn Signal Lamp Flasher


Object Number: 537727  Size: FS
Lighting Systems Components
Exterior Lights Circuit Description
Instrument Cluster Turn Signal Indicators
Power and Grounding Connector End Views
G102 (Except Export)
G202 (Pickup)
Inside Rear View Mirror or Driver Information Display Module
Cruise Control Module and PCM/VCM
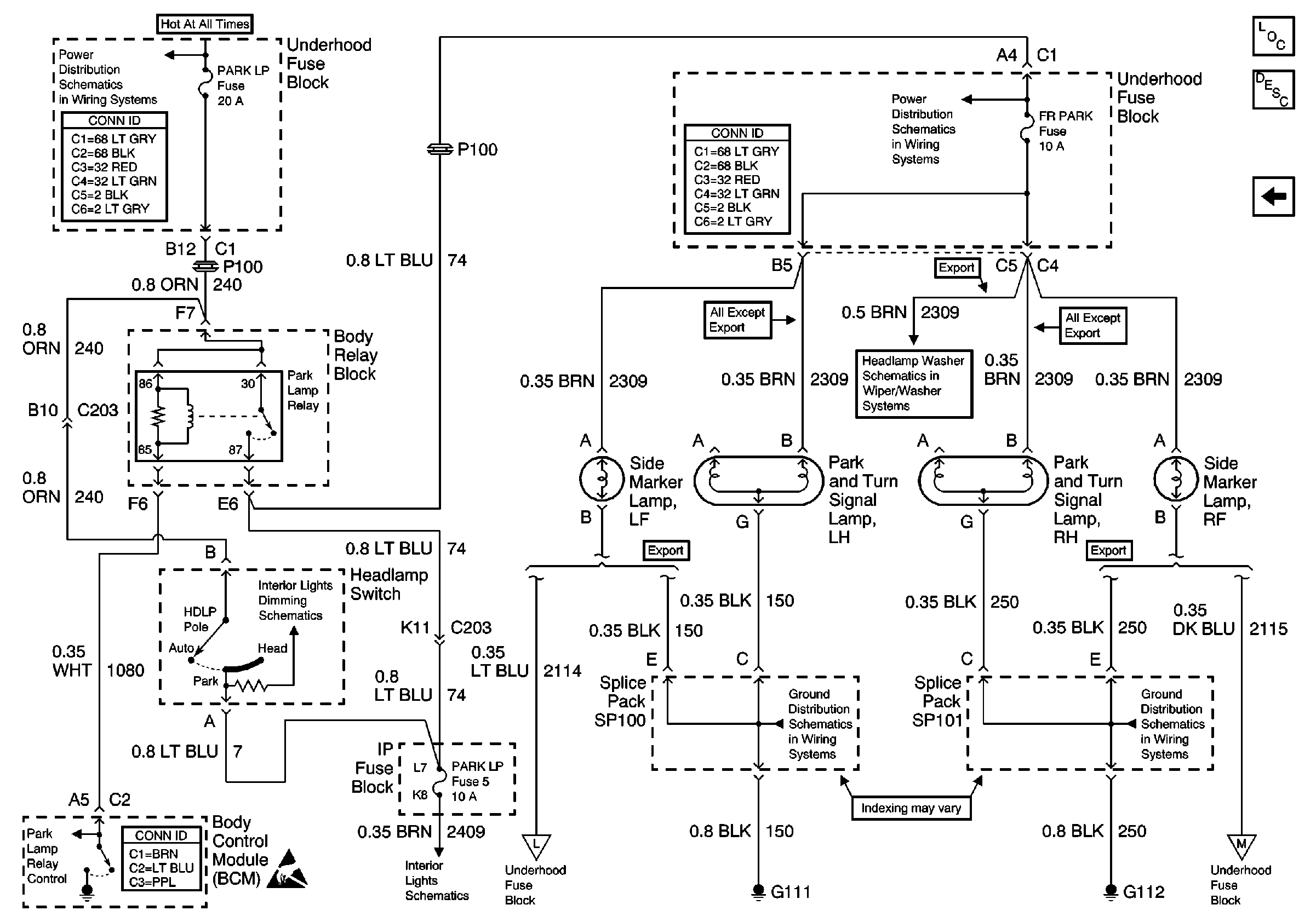
Tail, Stop and License Lamps (Export)
G420 and G450 (Utility w/ Endgate)
B+ Bus Bar
Stop, Turn and Hazard Bus Bar
Instrument Cluster Turn Signal Indicators
Turn Signal Lamps, Front and Turn Signal Fuses, Rear
B+ Bus Bar
Ign RUN and START Bus Bar
G205 and G206 (Utility)
G205 and G206 (Utility)
Figure 2:

Instrument Cluster Turn Signal Indicators


Object Number: 537736  Size: FS
Lighting Systems Components
Exterior Lights Circuit Description
Turn Signal Lamps, Front and Turn Signal Fuses, Rear
High Mount Stop Lamp, Multifunction Switch (Turn Signal Switch) and Turn Signal Lamp Flasher
Turn Signal Lamps, Front and Turn Signal Fuses, Rear
High Mount Stop Lamp, Multifunction Switch (Turn Signal Switch) and Turn Signal Lamp Flasher
Turn Signal Lamps, Front and Turn Signal Fuses, Rear
High Mount Stop Lamp, Multifunction Switch (Turn Signal Switch) and Turn Signal Lamp Flasher
Turn Signals
Power
Handling ESD Sensitive Parts Notice
2000 S/T Headlight Leveling
G203 and G204 (Pickup)
Figure 3:

Turn Signal Lamps, Front and Turn Signal Fuses, Rear


Object Number: 537731  Size: FS
Lighting Systems Components
Exterior Lights Circuit Description
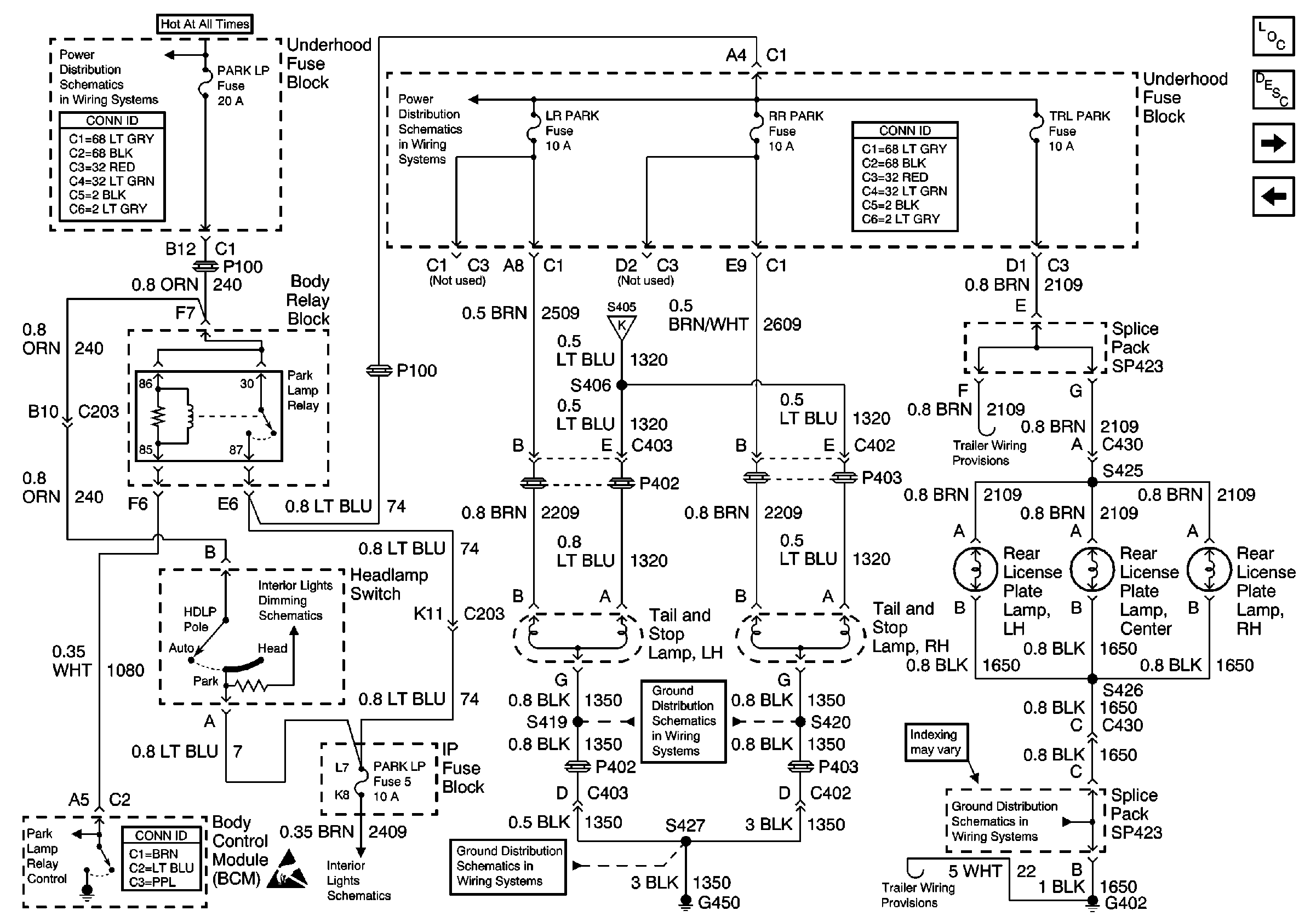
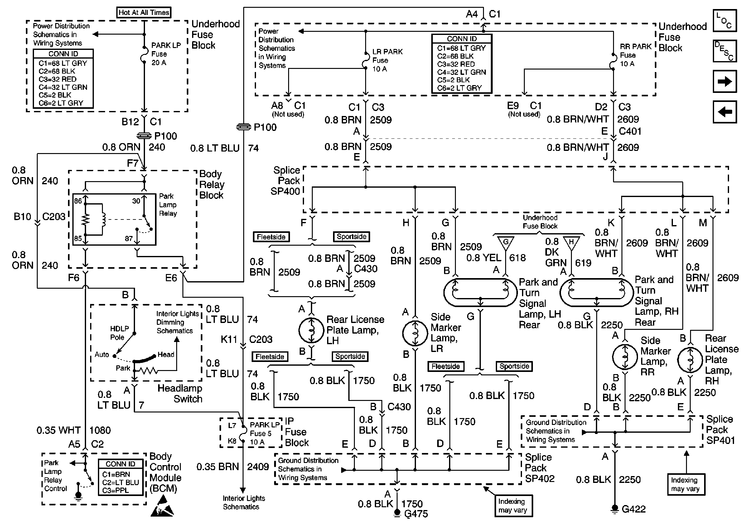
Park and Turn Signal Lamps, Marker and License Lamps, Rear (Pickup)
Instrument Cluster Turn Signal Indicators
Instrument Cluster Turn Signal Indicators
High Mount Stop Lamp, Multifunction Switch (Turn Signal Switch) and Turn Signal Lamp Flasher
Power and Grounding Connector End Views
Park Lamps and Marker Lamps, Front
Park Lamps and Marker Lamps, Front
G109, G111, G112 and G113 (Except Export)
G109, G111, G112 and G113 (Except Export)
Turn Signal Lamps, Rear (Utility)
Park and Turn Signal Lamps, Marker and License Lamps, Rear (Pickup)
Turn Signal Lamps, Rear (Utility)
Park and Turn Signal Lamps, Marker and License Lamps, Rear (Pickup)
Figure 4:

Park and Turn Signal Lamps, Marker and License Lamps, Rear (Pickup)


Object Number: 537744  Size: FS
Lighting Systems Components
Exterior Lights Circuit Description
Turn Signal Lamps, Rear (Utility)
Turn Signal Lamps, Front and Turn Signal Fuses, Rear
B+ Bus Bar
Power and Grounding Connector End Views
FR PRK, LR PRK, RR PRK Fuses and Fog Lamp Relay (Pickup)
Power and Grounding Connector End Views
Headlamp Switch
Body Control System Connector End Views
Handling ESD Sensitive Parts Notice
Headlamp Switch
G402, G422 and G475 (Fleetside Pickup)
Turn Signal Lamps, Front and Turn Signal Fuses, Rear
G402, G422 and G475 (Fleetside Pickup)
Figure 5:

Turn Signal Lamps, Rear (Utility)


Object Number: 537747  Size: FS
Lighting Systems Components
Exterior Lights Circuit Description
Park and License Lamps, Rear (Utility)
Park and Turn Signal Lamps, Marker and License Lamps, Rear (Pickup)
Turn Signal Lamps, Front and Turn Signal Fuses, Rear
Turn Signal Lamps, Front and Turn Signal Fuses, Rear
Utility
G420 and G450 (Utility w/ Endgate)
Utility
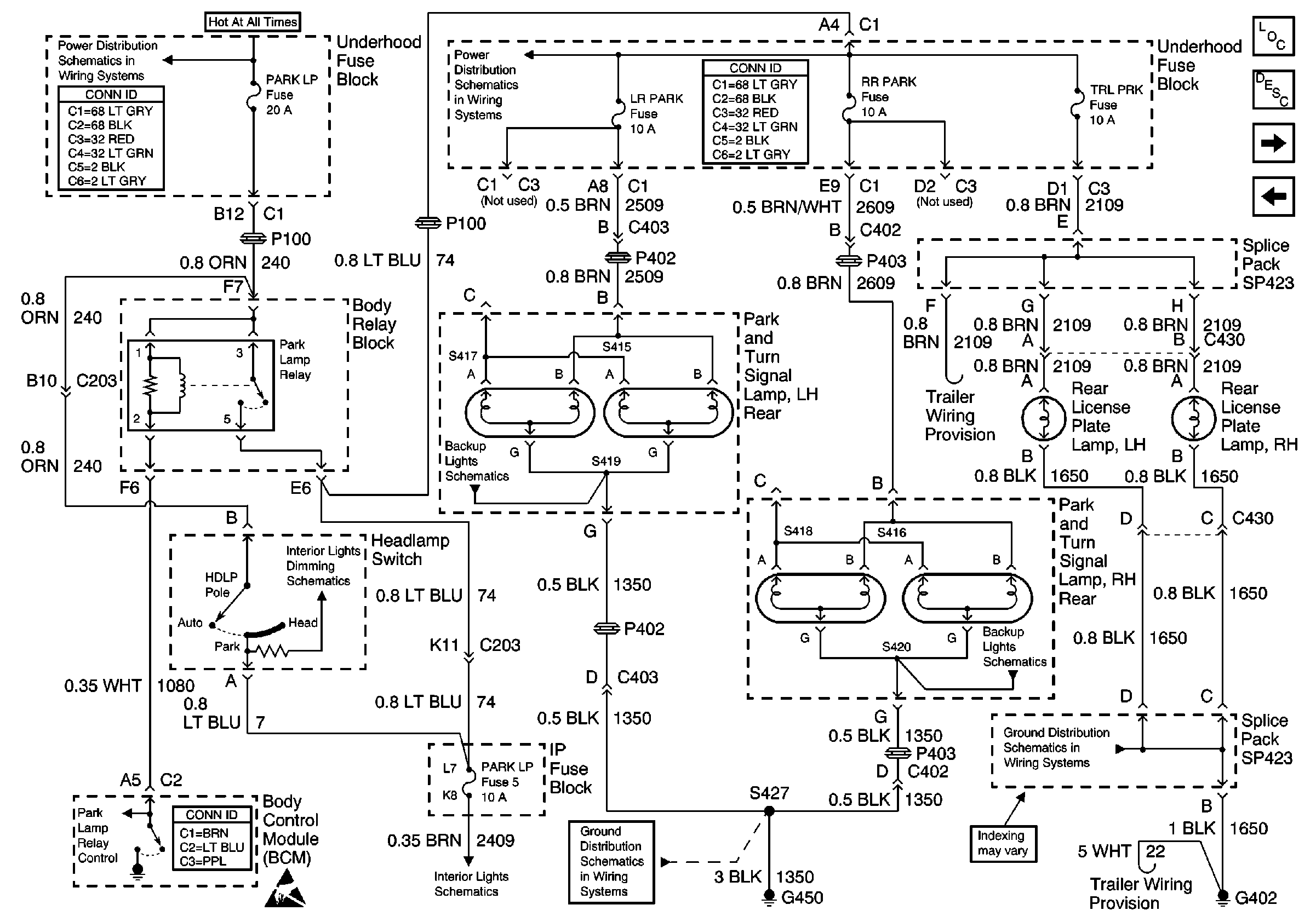
Figure 6:

Park and License Lamps, Rear (Utility)


Object Number: 569580  Size: FS
Lighting Systems Components
Exterior Lights Circuit Description
Tail, Stop and License Lamps (Export)
Turn Signal Lamps, Rear (Utility)
B+ Bus Bar
Power and Grounding Connector End Views
FR PRK, LR PRK, RR PRK, TRL PRK Fuses and Fog Lamp Relay (Utility)
Power and Grounding Connector End Views
Headlamp Switch
Body Control System Connector End Views
Handling ESD Sensitive Parts Notice
Utility
Headlamp Switch
G420 and G450 (Utility w/ Endgate)
Utility
G402 (Utility)
Figure 7:

Tail, Stop and License Lamps (Export)


Object Number: 537739  Size: FS
Lighting Systems Components
Exterior Lights Circuit Description
Park Lamps and Marker Lamps, Front
Park and License Lamps, Rear (Utility)
B+ Bus Bar
Power and Grounding Connector End Views
FR PRK, LR PRK, RR PRK, TRL PRK Fuses and Fog Lamp Relay (Utility)
Power and Grounding Connector End Views
Body Control System Connector End Views
Handling ESD Sensitive Parts Notice
Headlamp Switch
High Mount Stop Lamp, Multifunction Switch (Turn Signal Switch) and Turn Signal Lamp Flasher
S313 and S419
S313 and S419
G402 (Utility)
Figure 8:

Park Lamps and Marker Lamps, Front


Object Number: 537724  Size: FS
Lighting Systems Components
Exterior Lights Circuit Description
Tail, Stop and License Lamps (Export)
B+ Bus Bar
Power and Grounding Connector End Views
Power and Grounding Connector End Views
FR PRK, LR PRK, RR PRK, TRL PRK Fuses and Fog Lamp Relay (Utility)
Body Control System Connector End Views
Headlamp Switch
Handling ESD Sensitive Parts Notice
Headlamp Switch
Turn Signal Lamps, Front and Turn Signal Fuses, Rear
Headlamp Washer System Schematics
G111 and G112 (Export)
G111 and G112 (Export)
Turn Signal Lamps, Front and Turn Signal Fuses, Rear