GM Service Manual Online
For 1990-2009 cars only
Figure 1:

G109, G111, G112 and G113 (Except Export)


Object Number: 556549  Size: FS
Power and Grounding Components
G111 and G112 (Export)
Figure 2:

G111 and G112 (Export)


Object Number: 556555  Size: FS
Power and Grounding Components
G100, G106, G107, G108, G110 and G118
G109, G111, G112 and G113 (Except Export)
Figure 3:

G100, G106, G107, G108, G110 and G118


Object Number: 556559  Size: FS
Power and Grounding Components
G102 (Except Export)
G111 and G112 (Export)
Antilock Brake System Connector End Views
Handling ESD Sensitive Parts Notice
Antilock Brake System Connector End Views
Handling ESD Sensitive Parts Notice
SIR Handling Caution
Handling ESD Sensitive Parts Notice
Figure 4:

G102 (Except Export)


Object Number: 556562  Size: FS
Power and Grounding Components
G102 (Export)
G100, G106, G107, G108, G110 and G118
Power and Grounding Connector End Views
Figure 5:

G102 (Export)


Object Number: 556570  Size: FS
Power and Grounding Components
G103 and G105 (2.2L)
G102 (Except Export)
Power and Grounding Connector End Views
Figure 6:

G103 and G105 (2.2L)


Object Number: 556582  Size: FS
Power and Grounding Components
G103 and G105 (4.3L)
G102 (Export)
Handling ESD Sensitive Parts Notice
Handling ESD Sensitive Parts Notice
Powertrain Control Module Connector End Views
Handling ESD Sensitive Parts Notice
Engine Controls Connector End Views
Handling ESD Sensitive Parts Notice
Shift Lock Control Connector End Views
Handling ESD Sensitive Parts Notice
Handling ESD Sensitive Parts Notice
Antilock Brake System Connector End Views
Power and Grounding Connector End Views
Figure 7:

G103 and G105 (4.3L)


Object Number: 556596  Size: FS
Power and Grounding Components
G104 and G117
G103 and G105 (2.2L)
Handling ESD Sensitive Parts Notice
Handling ESD Sensitive Parts Notice
Handling ESD Sensitive Parts Notice
VCM Connector End Views
Driver Information Systems Connector End Views
Handling ESD Sensitive Parts Notice
Handling ESD Sensitive Parts Notice
Shift Lock Control Connector End Views
Transfer Case Control Connector End Views
Handling ESD Sensitive Parts Notice
Handling ESD Sensitive Parts Notice
Handling ESD Sensitive Parts Notice
Power and Grounding Connector End Views
Figure 8:

G104 and G117


Object Number: 556601  Size: FS
Power and Grounding Components
G200, G201 and G207 (Pickup)
G103 and G105 (4.3L)
Handling ESD Sensitive Parts Notice
Handling ESD Sensitive Parts Notice
Figure 9:

G200, G201 and G207 (Pickup)


Object Number: 556603  Size: FS
Power and Grounding Components
G200, G201 and G207 (Utility)
G104 and G117
Handling ESD Sensitive Parts Notice
Body Control System Connector End Views
Figure 10:

G200, G201 and G207 (Utility)


Object Number: 556606  Size: FS
Power and Grounding Components
G200, G201 and G207 (Envoy)
G200, G201 and G207 (Pickup)
Handling ESD Sensitive Parts Notice
Body Control System Connector End Views
Figure 11:

G200, G201 and G207 (Envoy)


Object Number: 556612  Size: FS
Power and Grounding Components
G200, G201 and G207 (Export)
G200, G201 and G207 (Utility)
Handling ESD Sensitive Parts Notice
Body Control System Connector End Views
Figure 12:

G200, G201 and G207 (Export)


Object Number: 556615  Size: FS
Power and Grounding Components
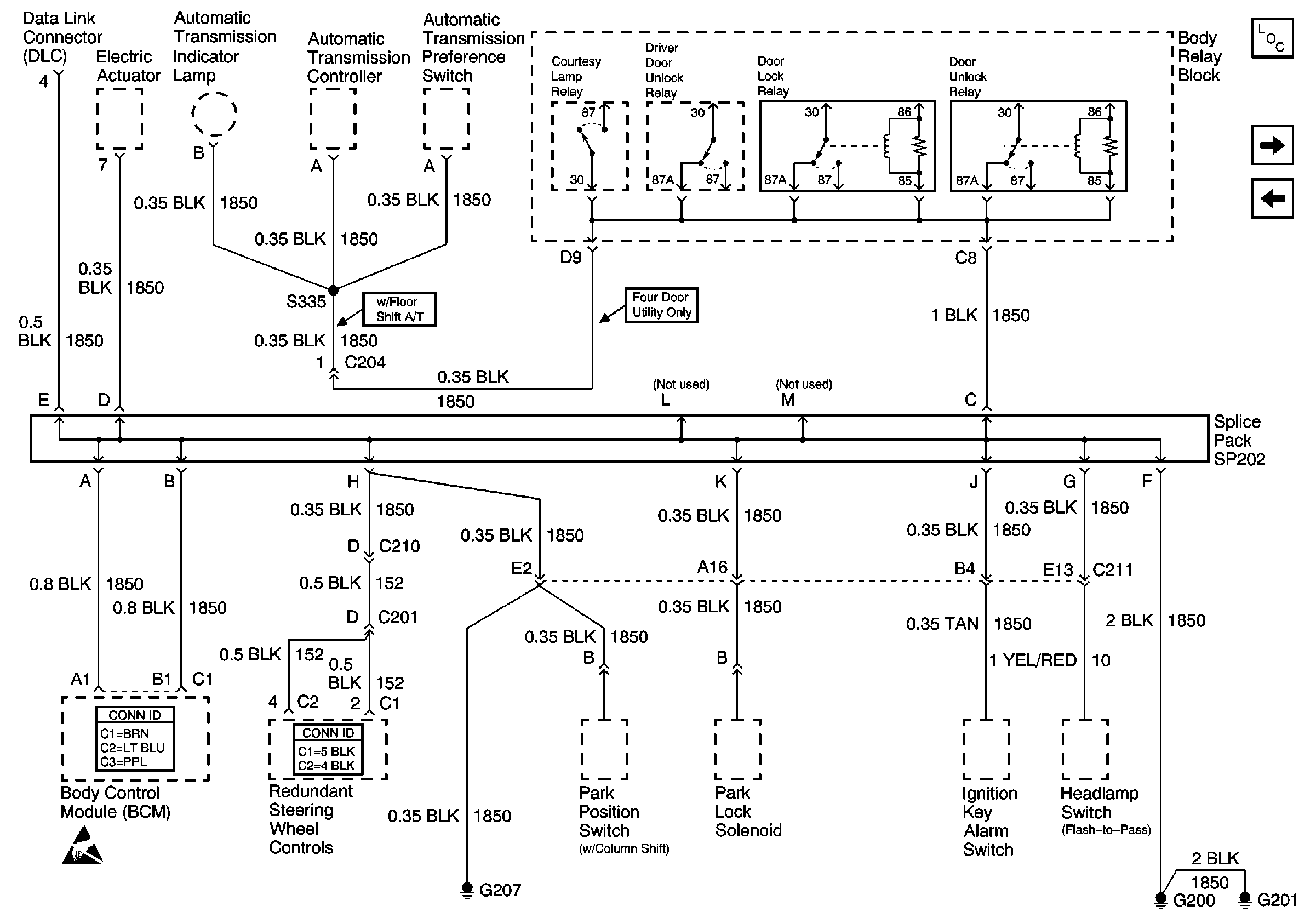
G202 (Pickup)
G200, G201 and G207 (Envoy)
Handling ESD Sensitive Parts Notice
Body Control System Connector End Views
Figure 13:

G202 (Pickup)


Object Number: 556619  Size: FS
Power and Grounding Components
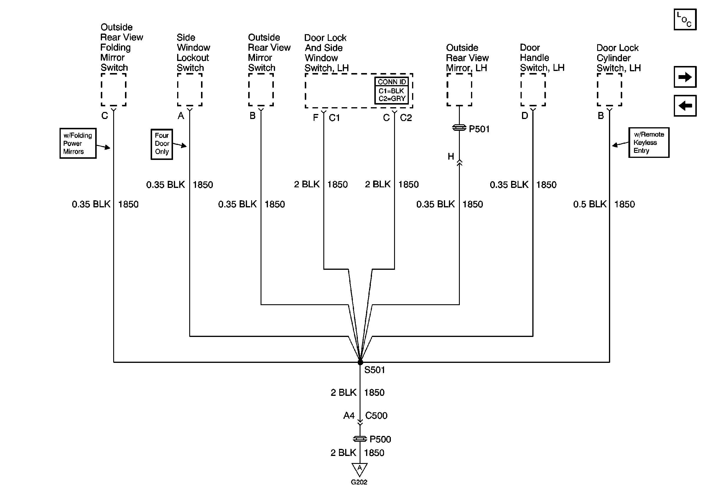
G203 and G204 (Pickup)
G200, G201 and G207 (Export)
Power Door Systems Connector End Views
Figure 14:

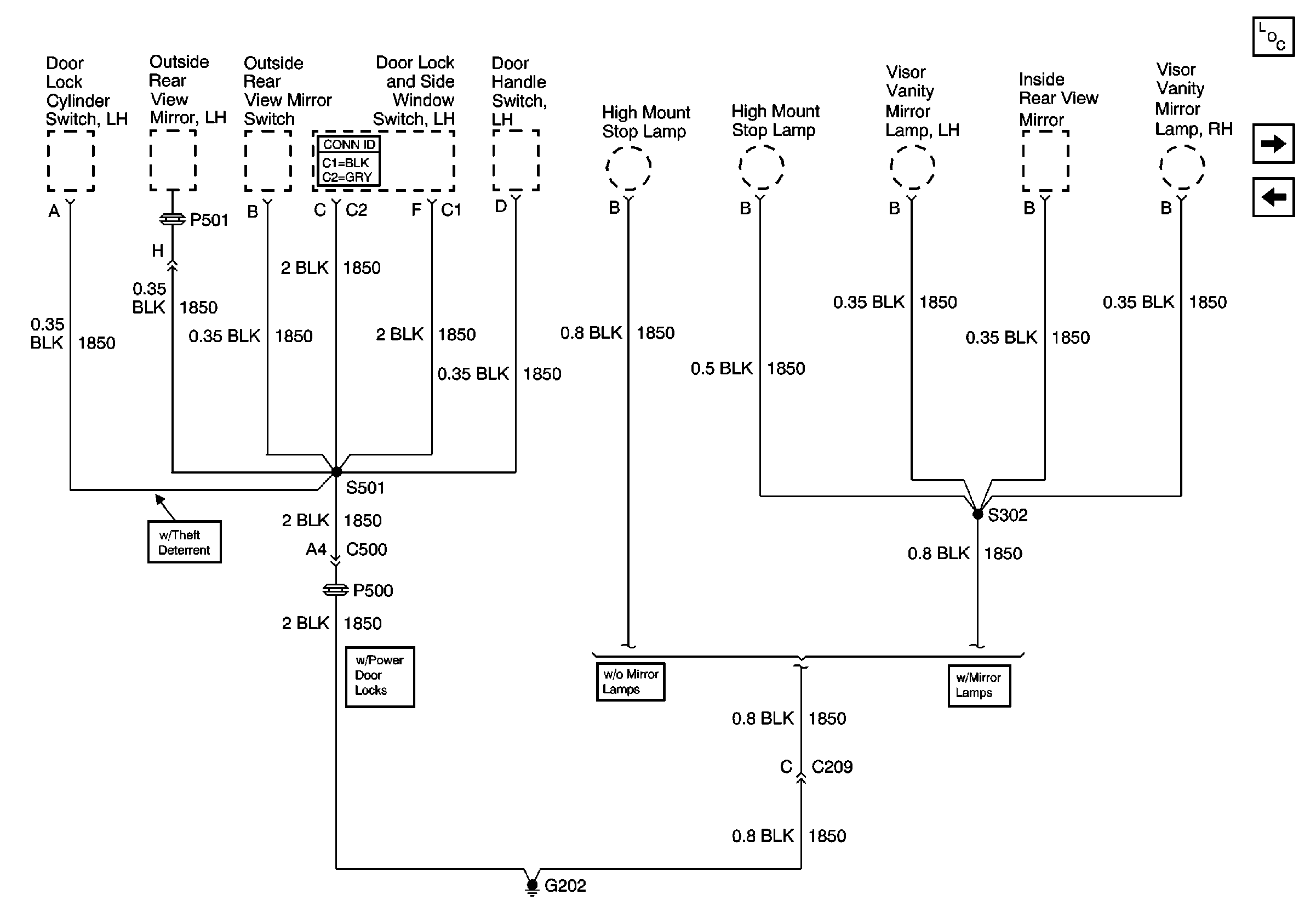
S501 (Utility)


Object Number: 556623  Size: FS
Power and Grounding Components
G202 (Utility)
G203 and G204 (Pickup)
Power Door Systems Connector End Views
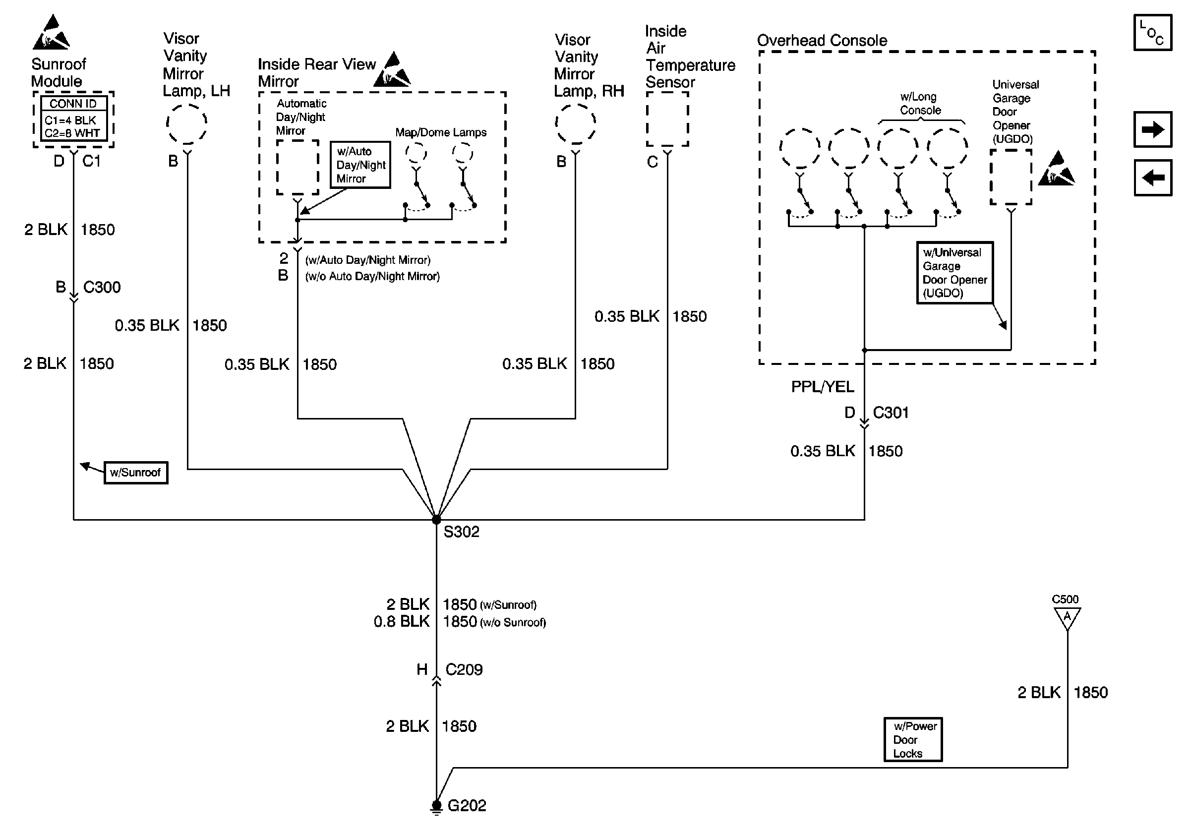
G202 (Utility)
Figure 15:

G202 (Utility)


Object Number: 556627  Size: FS
Power and Grounding Components
G203 and G204 (Utility w/ Manual A/C)
S501 (Utility)
Handling ESD Sensitive Parts Notice
Power Roof Systems Connector End Views
Handling ESD Sensitive Parts Notice
Handling ESD Sensitive Parts Notice
S501 (Utility)
Figure 16:

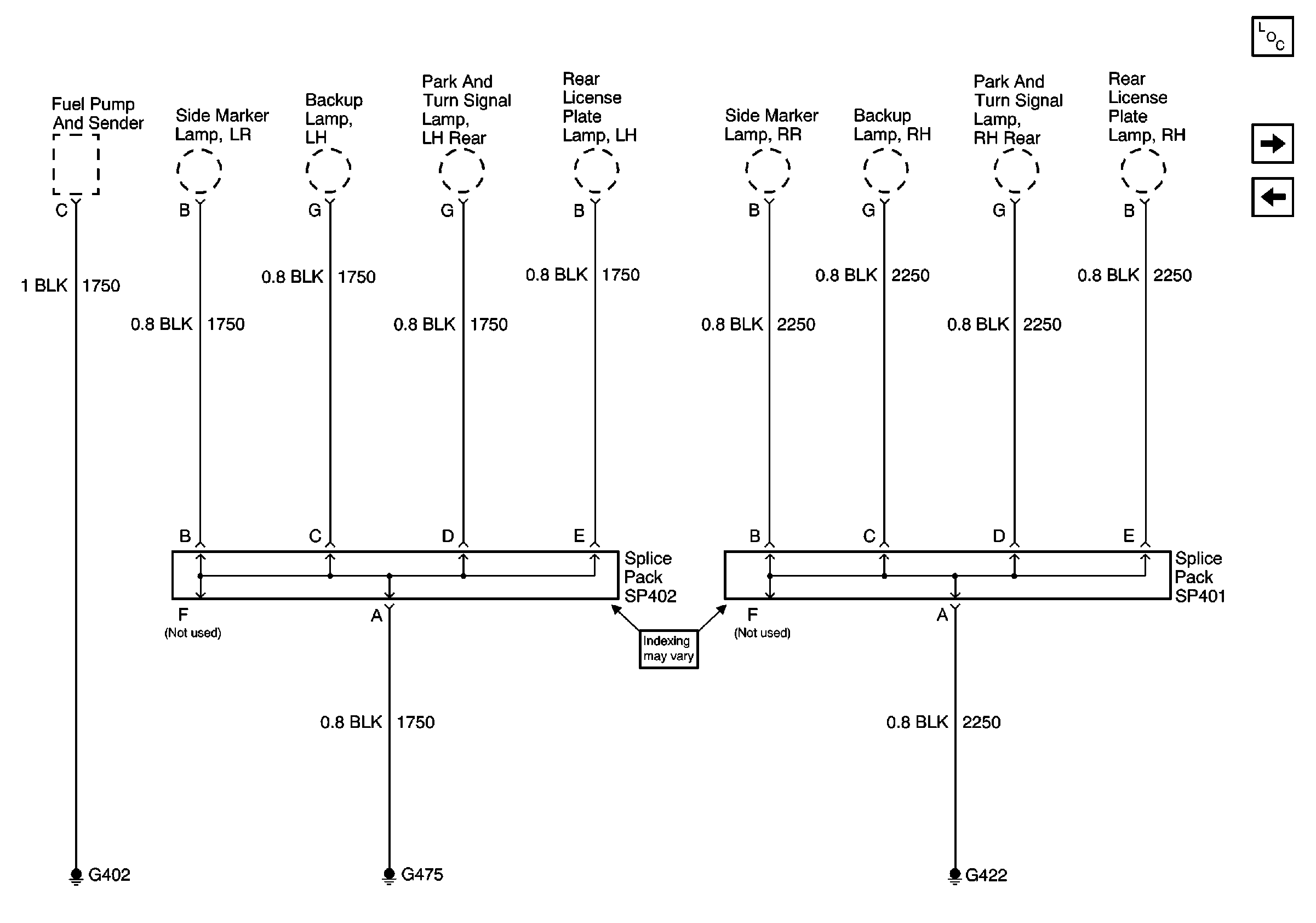
G203 and G204 (Pickup)


Object Number: 556621  Size: FS
Power and Grounding Components
S501 (Utility)
G202 (Pickup)
Handling ESD Sensitive Parts Notice
Entertainment Connector End Views
Handling ESD Sensitive Parts Notice
HVAC Connector End Views
Transfer Case Control Connector End Views
Handling ESD Sensitive Parts Notice
Figure 17:

G203 and G204 (Utility w/ Manual A/C)


Object Number: 556630  Size: FS
Power and Grounding Components
G203 and G204 (Utility w/ Automatic A/C)
G202 (Utility)
Handling ESD Sensitive Parts Notice
Handling ESD Sensitive Parts Notice
Entertainment Connector End Views
HVAC Connector End Views
Transfer Case Control Connector End Views
Handling ESD Sensitive Parts Notice
Figure 18:

G203 and G204 (Utility w/ Automatic A/C)


Object Number: 556637  Size: FS
Power and Grounding Components
G203 and G204 (Envoy)
G203 and G204 (Utility w/ Manual A/C)
Entertainment Connector End Views
Handling ESD Sensitive Parts Notice
Handling ESD Sensitive Parts Notice
Handling ESD Sensitive Parts Notice
Transfer Case Control Connector End Views
Figure 19:

G203 and G204 (Envoy)


Object Number: 556641  Size: FS
Power and Grounding Components
G205 and G208 (Envoy)
G203 and G204 (Utility w/ Automatic A/C)
Handling ESD Sensitive Parts Notice
Entertainment Connector End Views
Handling ESD Sensitive Parts Notice
Transfer Case Control Connector End Views
Handling ESD Sensitive Parts Notice
Handling ESD Sensitive Parts Notice
Figure 20:

G205 and G206 (Utility)


Object Number: 556651  Size: FS
Power and Grounding Components
S313 and S419
G205 and G208 (Envoy)
Entertainment Connector End Views
Power Door Systems Connector End Views
Transfer Case Control Connector End Views
Handling ESD Sensitive Parts Notice
Handling ESD Sensitive Parts Notice
Figure 21:

G205 and G208 (Envoy)


Object Number: 556646  Size: FS
Power and Grounding Components
G205 and G206 (Utility)
G203 and G204 (Envoy)
Entertainment Connector End Views
Power Door Systems Connector End Views
Transfer Case Control Connector End Views
Handling ESD Sensitive Parts Notice
Figure 22:

S313 and S419


Object Number: 556654  Size: FS
Power and Grounding Components
S320 and S420
G205 and G206 (Utility)
Power Seat Connector End Views
G420 and G450 (Utility w/ Endgate)
G420 and G450 (Utility w/ Liftgate)
G420 and G450 (Utility w/ Endgate)
G420 and G450 (Utility w/ Liftgate)
Figure 23:

S320 and S420


Object Number: 556657  Size: FS
Power and Grounding Components
G420 and G450 (Utility w/ Endgate)
S313 and S419
G420 and G450 (Utility w/ Endgate)
G420 and G450 (Utility w/ Liftgate)
G420 and G450 (Utility w/ Endgate)
G420 and G450 (Utility w/ Liftgate)
Figure 24:

G420 and G450 (Utility w/ Endgate)


Object Number: 556662  Size: FS
Power and Grounding Components
G420 and G450 (Utility w/ Liftgate)
S320 and S420
S313 and S419
S320 and S420
S313 and S419
S320 and S420
Figure 25:

G420 and G450 (Utility w/ Liftgate)


Object Number: 556680  Size: FS
Power and Grounding Components
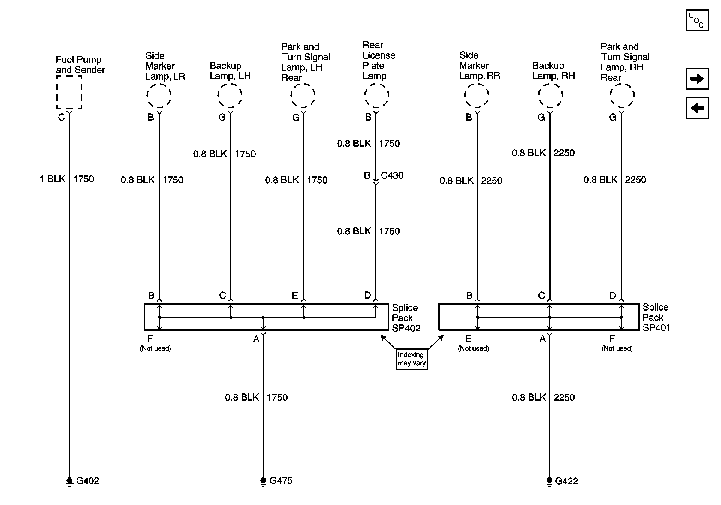
G402, G422 and G475 (Fleetside Pickup)
G420 and G450 (Utility w/ Endgate)
S313 and S419
S320 and S420
Figure 26:

G402, G422 and G475 (Fleetside Pickup)


Object Number: 556683  Size: FS
Power and Grounding Components
G402, G422 and G475 (Sportside Pickup)
G420 and G450 (Utility w/ Liftgate)
Figure 27:

G402, G422 and G475 (Sportside Pickup)


Object Number: 556691  Size: FS
Power and Grounding Components
G402 (Utility)
G402, G422 and G475 (Fleetside Pickup)
Figure 28:

G402 (Utility)


Object Number: 556699  Size: FS
Power and Grounding Components
G470 (Envoy)
G402, G422 and G475 (Sportside Pickup)
Figure 29:

G470 (Envoy)


Object Number: 556703  Size: FS
Power and Grounding Components
G402 (Utility)