GM Service Manual Online
For 1990-2009 cars only
Figure 1:

Input


Object Number: 545820  Size: FS
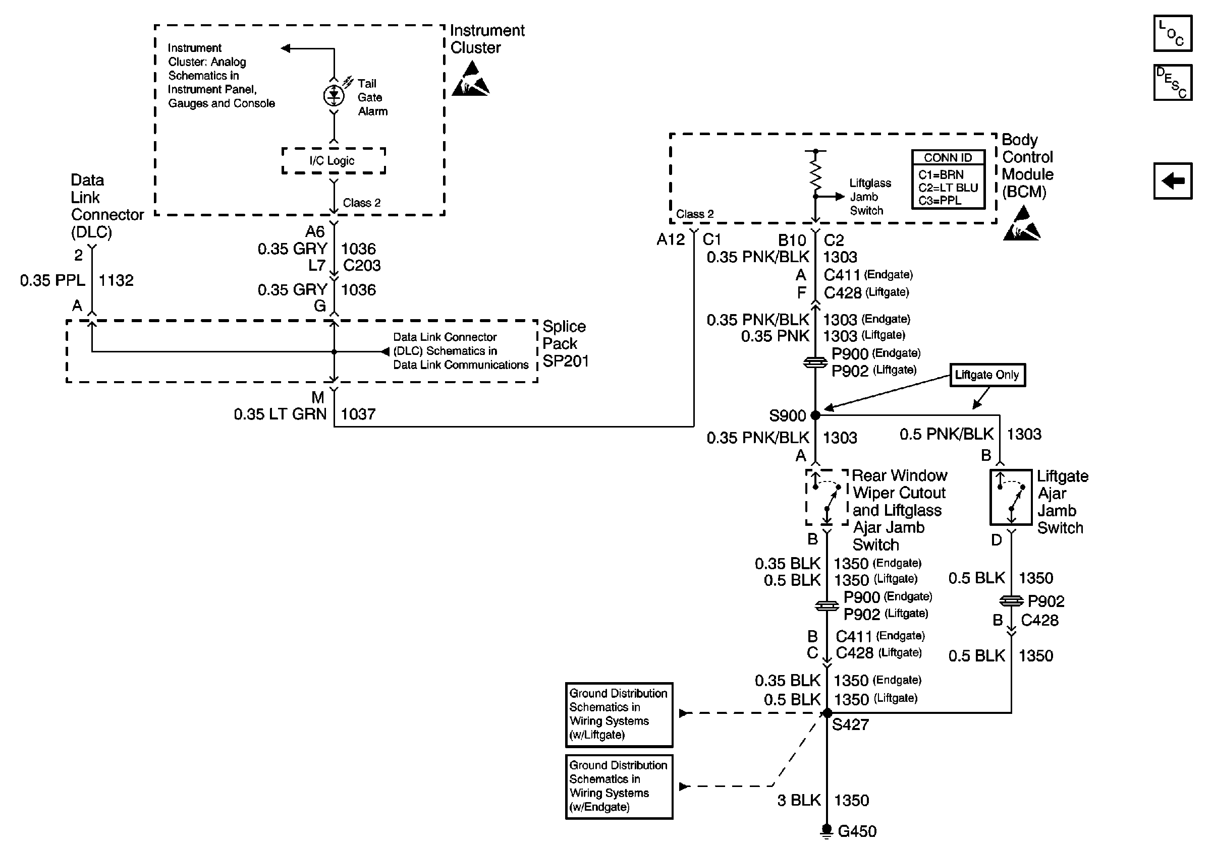
Body Rear End Components
Release System Description
Output
Body Control System Connector End Views
Handling ESD Sensitive Parts Notice
G203 and G204 (Utility w/ Manual A/C)
G203 and G204 (Utility w/ Manual A/C)
2000 S/T Headlight Leveling
Transfer Case Shift Control Switch
ILLUM and 4WD Fuses, Shift Control Switch and Body Control Module (BCM)
SP201 (4.3L)
VCM Connector End Views
Handling ESD Sensitive Parts Notice
Figure 2:

Output


Object Number: 545821  Size: FS
Body Rear End Components
Release System Description
Gate Ajar Indicator
Input
MIR/LKS, FOG LP Fuses and DRL, Headlamp Power Relays
Power and Grounding Connector End Views
MIR/LKS, FOG LP Fuses and DRL, Headlamp Power Relays
Liftgate/Endgate Lock Cylinder Switch Inputs (Utility)
Body Control System Connector End Views
Handling ESD Sensitive Parts Notice
G420 and G450 (Utility w/ Liftgate)
G420 and G450 (Utility w/ Endgate)
Figure 3:

Gate Ajar Indicator


Object Number: 596523  Size: FS
Body Rear End Components
Release System Description
Output
PCM/VCM, Data Link Connector (DLC), Engine Oil Pressure Gauge Sensor
Handling ESD Sensitive Parts Notice
SP201 (4.3L)
Body Control System Connector End Views
Handling ESD Sensitive Parts Notice
G420 and G450 (Utility w/ Liftgate)
G420 and G450 (Utility w/ Endgate)