GM Service Manual Online
For 1990-2009 cars only
Makes
🢒
Oldsmobile
🢒
2000
🢒
Bravada
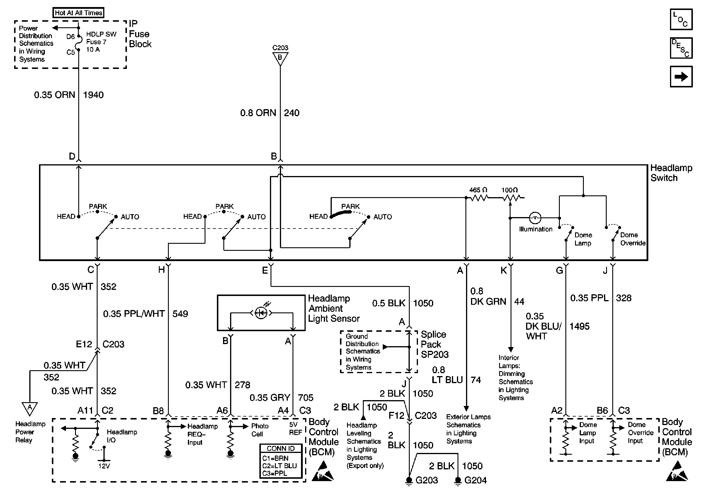
🢒 Headlamp Switch, Ambient Light Sensor and BCM
Headlamp Switch, Ambient Light Sensor and BCM
Headlamp Switch, Ambient Light Sensor and BCM
Lighting Systems Components
Headlights Circuit Description
DRL and Headlamp Power Relays
AUX PWR, RDO BATT and HDLP SW Fuses
Headlamp Grounding Relay and BCM
DRL and Headlamp Power Relays
Body Control System Connector End Views
Handling ESD Sensitive Parts Notice
G203 and G204 (Utility w/ Manual A/C)
2000 S/T Headlight Leveling
Park Lamps and Marker Lamps, Front
ILLUM Fuse 12
Handling ESD Sensitive Parts Notice