GM Service Manual Online
For 1990-2009 cars only
Makes
🢒
Oldsmobile
🢒
2000
🢒
Bravada
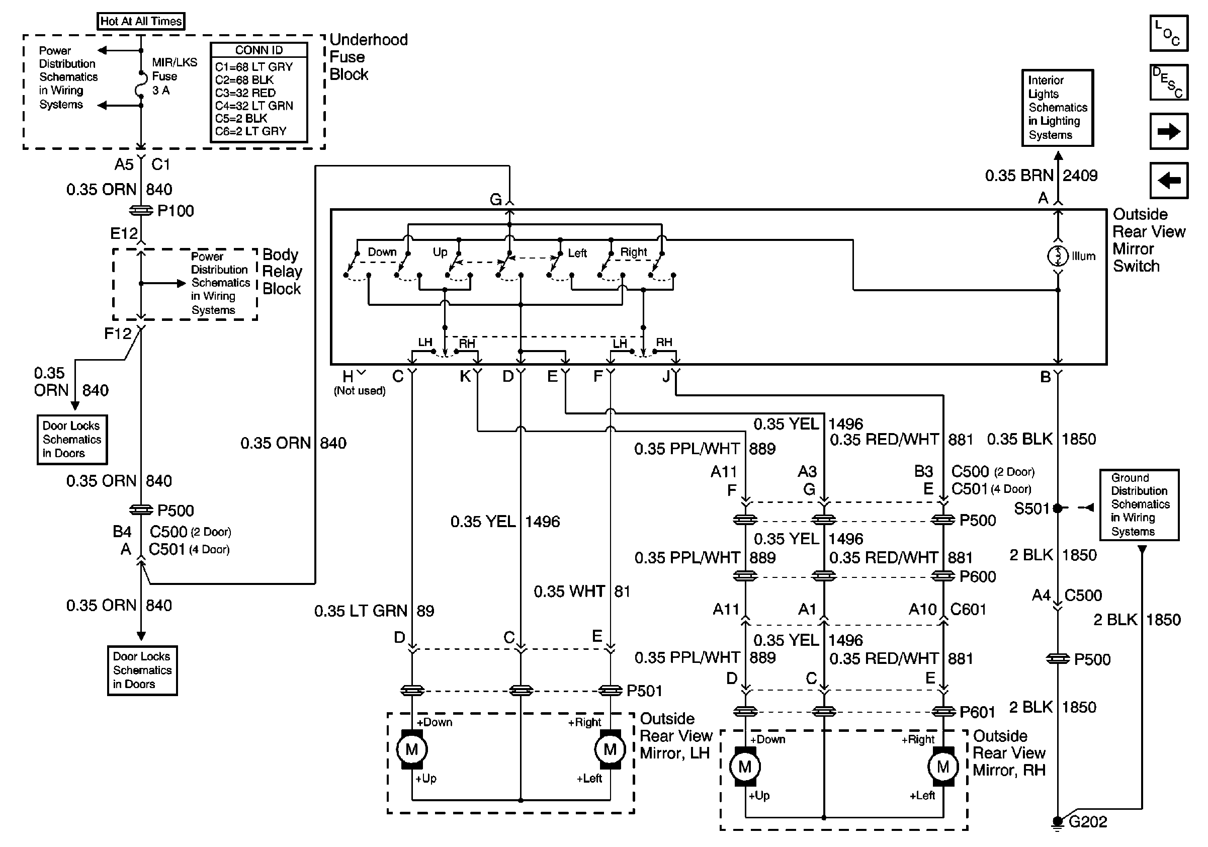
🢒 Outside Rear View Mirror Switch
Outside Rear View Mirror Switch
Outside Rear View Mirror Switch
Power Door Systems Components
Heated Mirror Circuit Description
Folding Mirrors (Envoy and Export Only)
Heated Mirrors
B+ Bus Bar
Power and Grounding Connector End Views
Headlamp Switch
MIR/LKS, FOG LP Fuses and DRL, Headlamp Power Relays
Door Lock Switch Inputs
Door Lock Switch Inputs
G202 (Pickup)