GM Service Manual Online
For 1990-2009 cars only
Makes
🢒
Oldsmobile
🢒
2000
🢒
Bravada
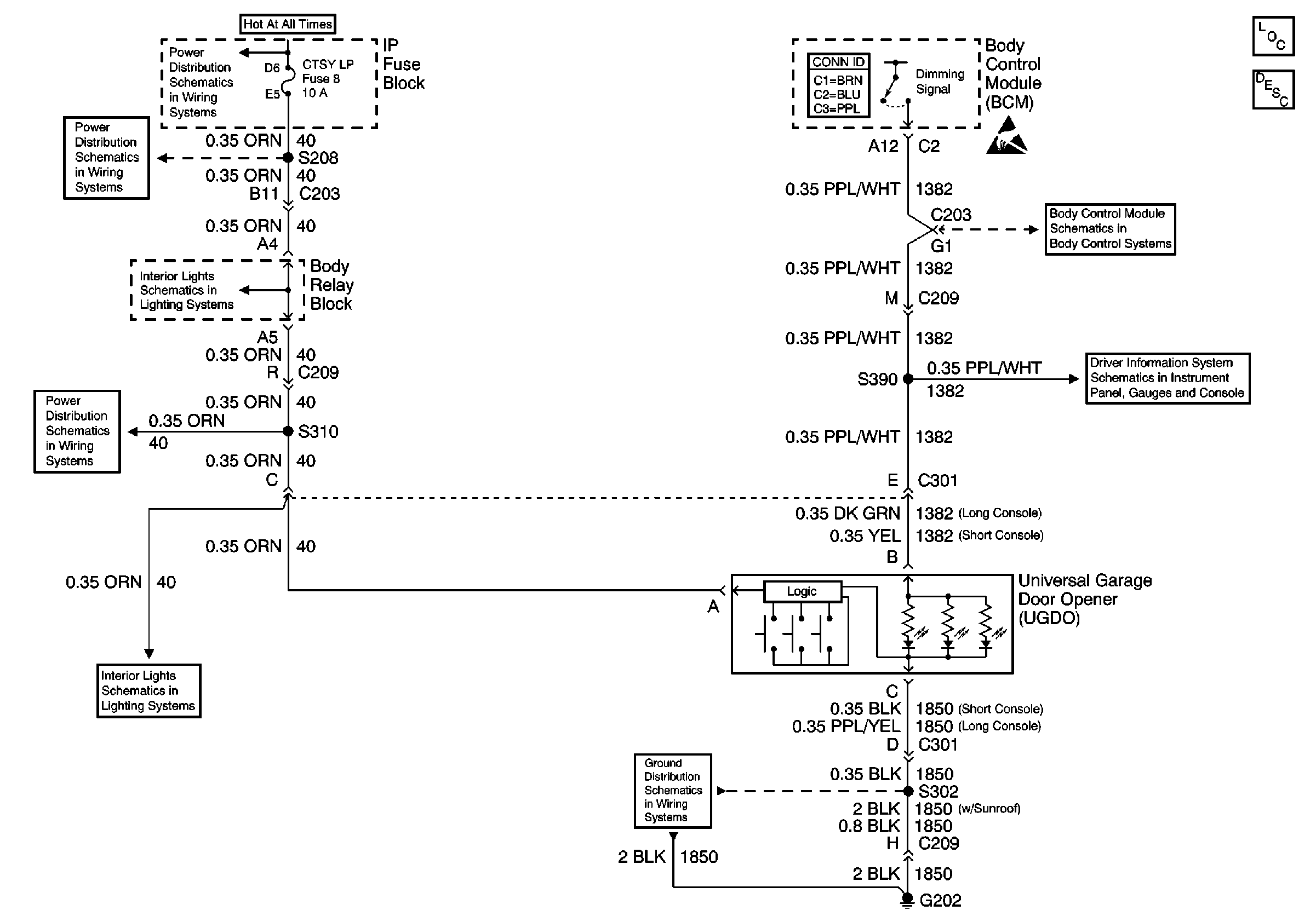
🢒 Garage Door Opener Schematics
Garage Door Opener Schematics
Garage Door Opener Components
Garage Door Opener Circuit Description
INT BATT Fuse
Inadvertent Power Lamp Relay
CTSY LP Fuse and Courtesy Lamp Relay
Inadvertent Power Lamp Relay
Driver Information Display Module (Utility w/o Sunroof)
Body Control System Connector End Views
Handling ESD Sensitive Parts Notice
PCM/VCM, Data Link Connector (DLC) and Dimming Signal
Outside Ambient Temperature Display Sensor (w/ Trip Computer)
G202 (Utility)