GM Service Manual Online
For 1990-2009 cars only
Figure 1:

G101, G103, G106, and G110


Object Number: 657966  Size: FS
Master Electrical Component List
G102, G104, G105, and G109
Figure 2:

G102, G104, G105, and G109


Object Number: 657968  Size: FS
Master Electrical Component List
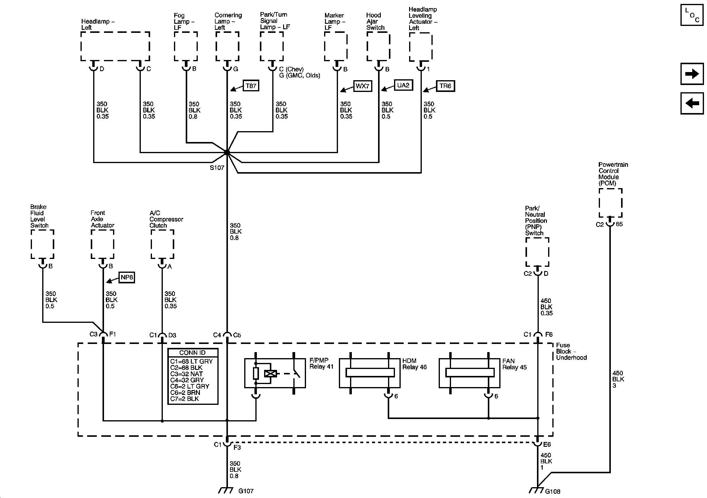
G107 and G108
G101, G103, G106, and G110
SIR Caution for Zoning
Figure 3:

G107 and G108


Object Number: 657975  Size: FS
Master Electrical Component List
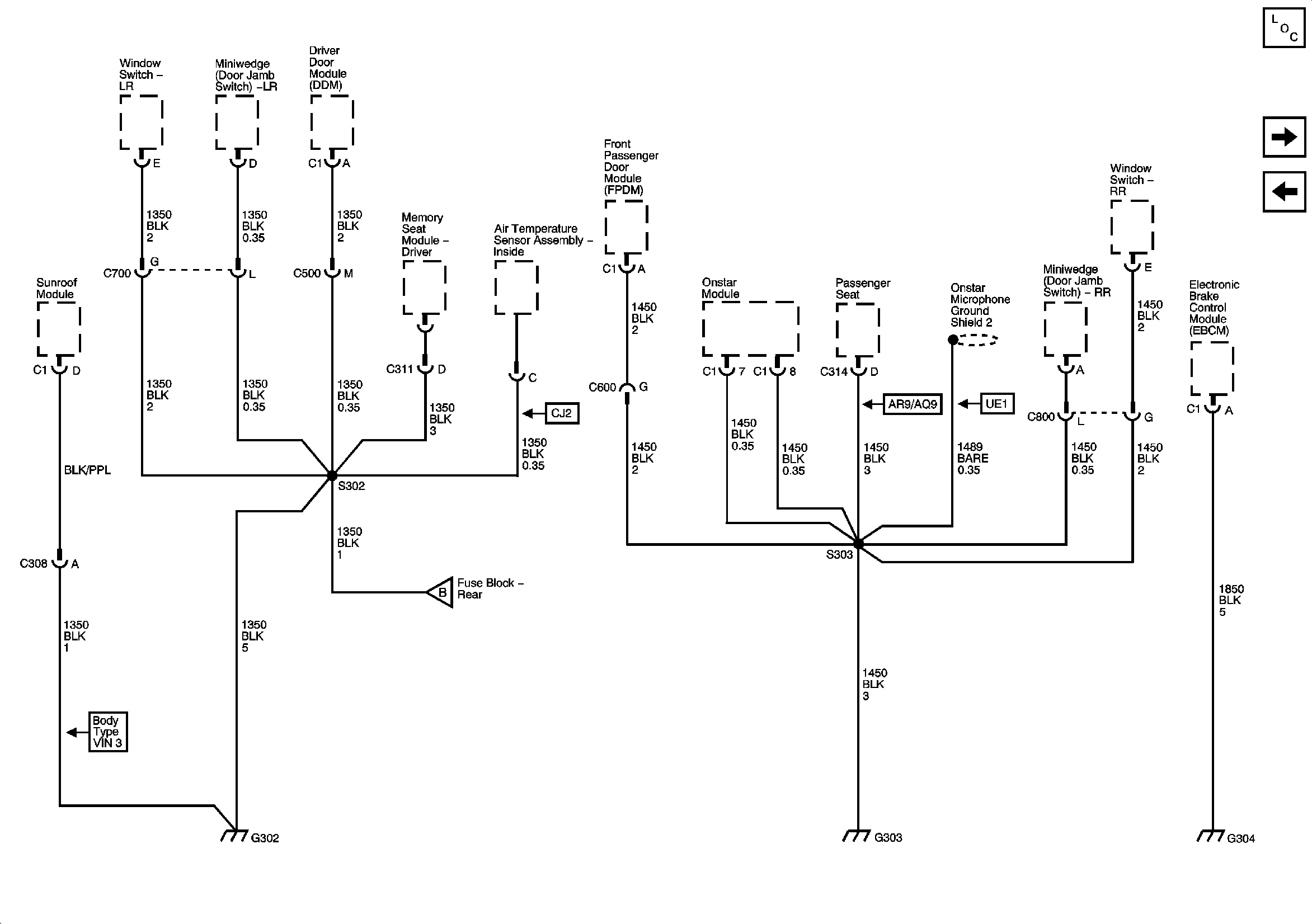
G201 - 1 of 2
G102, G104, G105, and G109
Figure 4:

G201 - 1 of 2


Object Number: 657974  Size: FS
Master Electrical Component List
G201 - 2 of 2, G305 and G306
G101, G103, G106, and G110
SIR Caution for Zoning
G201 - 2 of 2, G305 and G306
Figure 5:

G201 - 2 of 2, G305, and G306


Object Number: 657978  Size: FS
Master Electrical Component List
G302 - 1 of 2, G303 and G304
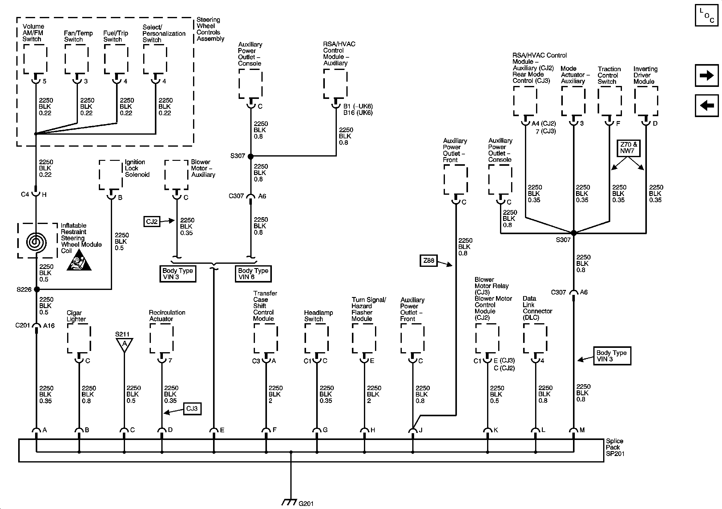
G201 - 1 of 2
G201 - 1 of 2
Figure 6:

G302 - 1 of 2, G303, and G304


Object Number: 657969  Size: FS
Master Electrical Component List
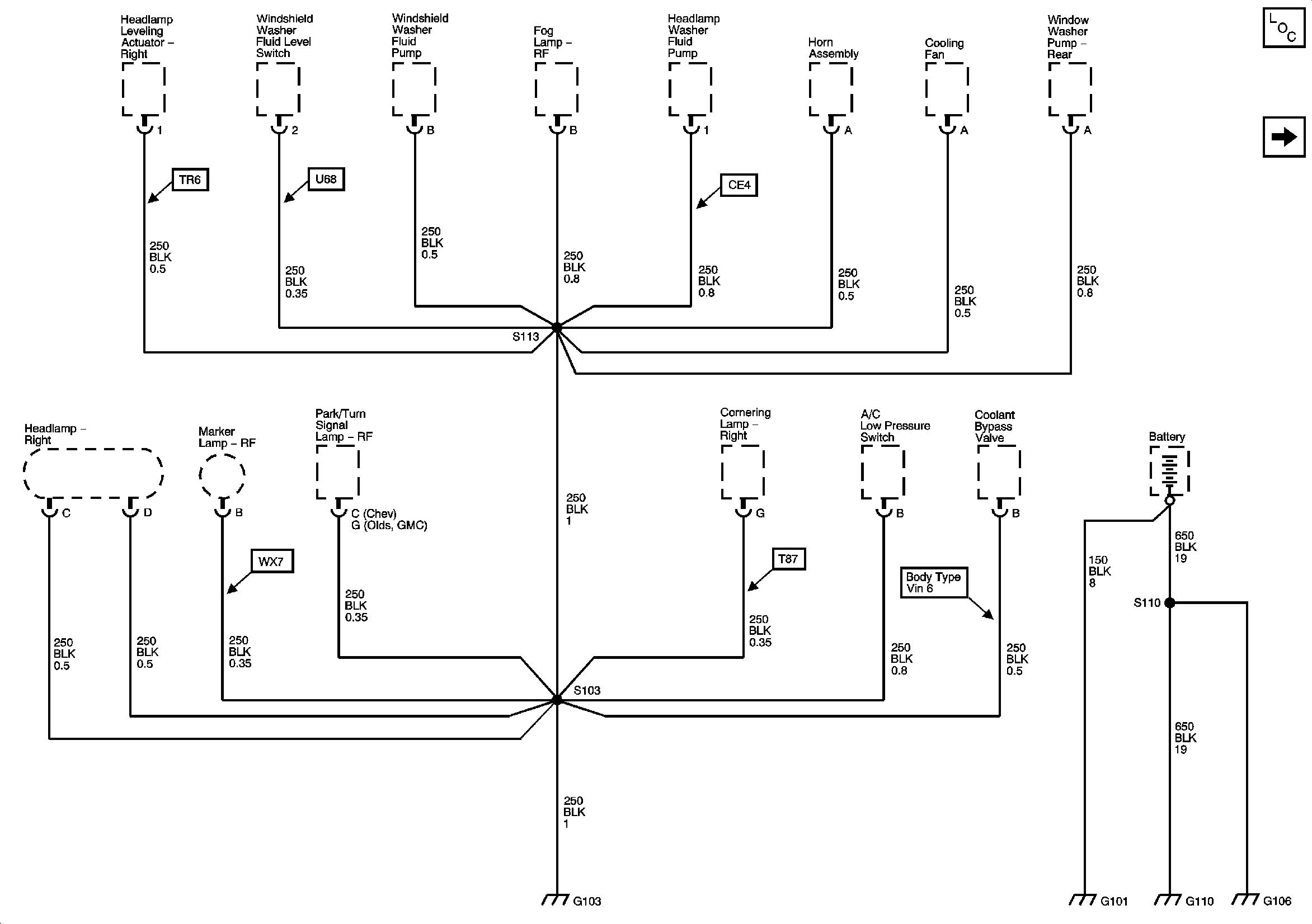
G302 - 2 of 2
G201 - 2 of 2, G305 and G306
G302 - 2 of 2
Figure 7:

G302 - 2 of 2


Object Number: 657970  Size: FS
Master Electrical Component List
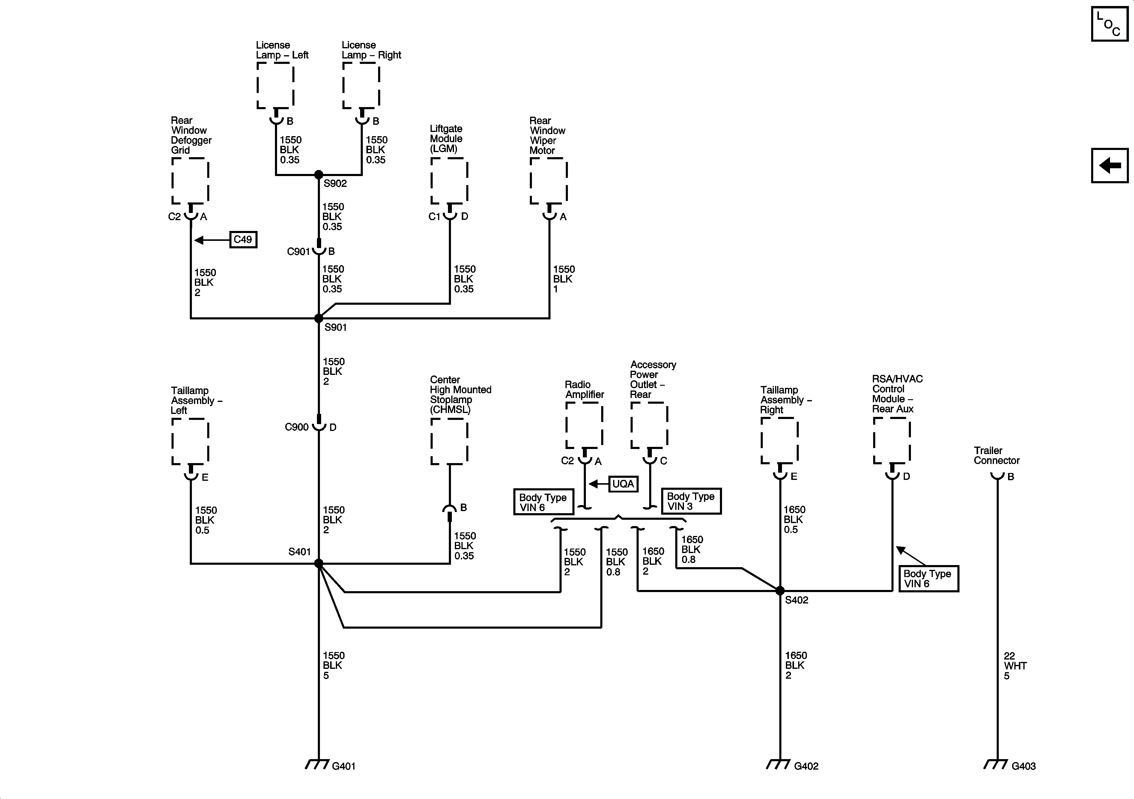
G401, G402, and G403
G302 - 1 of 2, G303 and G304
G302 - 1 of 2, G303 and G304
Figure 8:

G401, G402, and G403


Object Number: 657973  Size: FS
Master Electrical Component List
G302 - 2 of 2