GM Service Manual Online
For 1990-2009 cars only

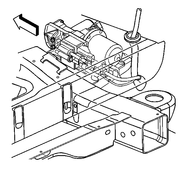
Removal Procedure


    Object Number: 731572  Size: SH

    Caution: A sudden release of pressure may cause personal injury or damage to the vehicle. The air suspension system is under pressure until the air supply lines are disconnected. Use the following precautions when servicing the air suspension system:

       • Wear gloves, ear protection, and eye protection.
       • Wrap a clean cloth around the air supply lines.

    Notice: Depressurize the air suspension system only after the rear axle is supported and is set between D- Height and Full Jounce.

    Important: Remove the air suspension system fuse before working on the rear suspension components or the rear axle. Failure to remove the air suspension system fuse could cause the calibration of the air suspension leveling sensor to change and the air suspension system not to function properly.

  1. Remove the air suspension system fuse.
  2. Raise and support the vehicle. Refer to Lifting and Jacking the Vehicle .
  3. Remove the air spring compressor to the frame mounting bolts.

  4. Object Number: 747617  Size: SH
  5. Disconnect the air inflator switch electrical connection, air supply lines, and air spring compressor vent hose from the air spring compressor.

  6. Object Number: 747618  Size: SH
  7. Disconnect the air spring compressor electrical connection (2).
  8. Important: Ensure the color on air supply lines match the color on the air spring compressor for reassembly.

  9. Disconnect the air supply lines (3) from the air spring compressor (1).
  10. Remove the air spring compressor from the vehicle.

Installation Procedure

    Notice: Refer to Fastener Notice in the Preface section.


    Object Number: 747618  Size: SH

    Important: 

       • Inspect the air supply lines for deep scores or cuts. If the air supply lines are damaged, the lines must be replaced.
       • Ensure the color on the air supply lines match the color on the air spring compressor for reassembly.

  1. If no damage to the air supply pipes is evident, then remove the fittings from the new compressor and use existing fittings that are already attached to air supply lines. Install the air supply lines with existing fittings to the air spring compressor.
  2. Tighten
    Tighten the air supply line fittings to 2.25 N·m (20 lb in).

  3. If damage is evident to the air supply lines, then replace the air supply lines. Refer to Air Suspension Air Line Replacement .
  4. Connect the air spring compressor electrical connection (2).

  5. Object Number: 747617  Size: SH
  6. Connect the air inflator switch electrical connection, air supply line, and air spring compressor vent hose to the air spring compressor.

  7. Object Number: 731572  Size: SH
  8. Install the air spring compressor to the frame mounting bolts.
  9. Tighten
    Tighten the bolts to 20 N·m (15 lb ft).

  10. Lower the vehicle.
  11. Install the air suspension system fuse.
  12. Start the vehicle and run for approximately 1 minute to ensure that the air spring leveling system is functioning properly.
  13. Inspect D-height. Refer to Trim Height Inspection .
  14. Inspect for leaks. If a leak is found at the air supply lines connections at the air spring compressor, replace the air supply lines. Refer to Air Suspension Air Line Replacement .