GM Service Manual Online
For 1990-2009 cars only
Makes
🢒
Oldsmobile
🢒
2002
🢒
Bravada
🢒
Suspension
🢒
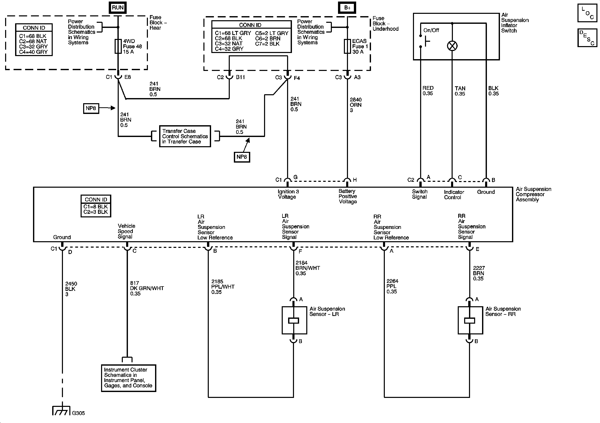
Air Suspension
🢒 Suspension Controls Schematics
Master Electrical Component List
Air Suspension Description and Operation
ACCY/RUN/START, RUN, and START Bus Bars
B+ Bus - Underhood Fuse Block
Indicators, Speed Sensors, and Front Axle Actuator
Indicators
G201 - 2 of 2, G305 and G306