GM Service Manual Online
For 1990-2009 cars only
Makes
🢒
Oldsmobile
🢒
2002
🢒
Bravada
🢒
Body and Accessories
🢒
Instrument Panel, Gages, and Console
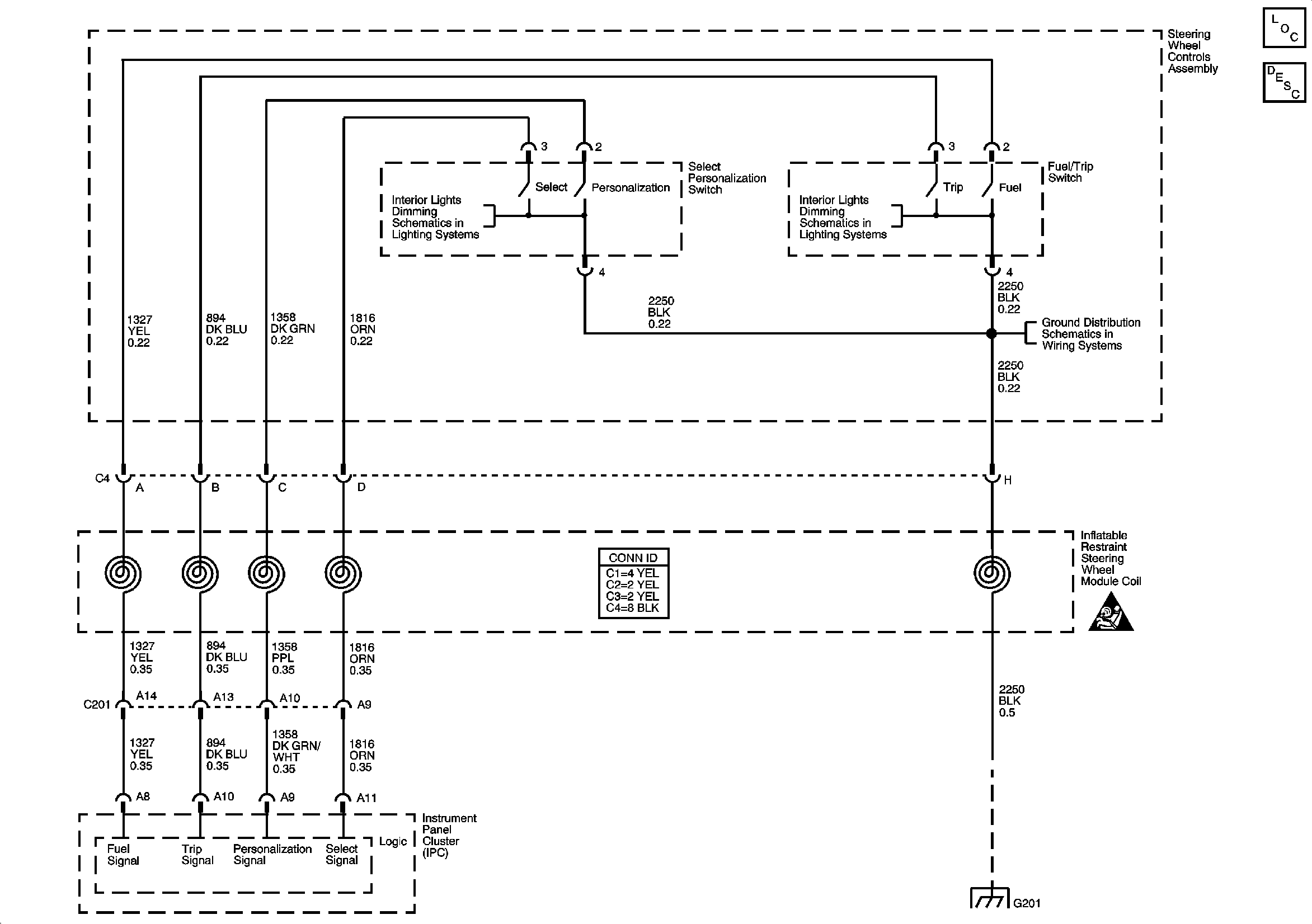
🢒 Driver Information System Schematics
Master Electrical Component List
Driver Information Center (DIC) Description and Operation
I/P Dimming Supply - 2 of 2
I/P Dimming Supply - 2 of 2
G201 - 1 of 2