GM Service Manual Online
For 1990-2009 cars only
Figure 1:

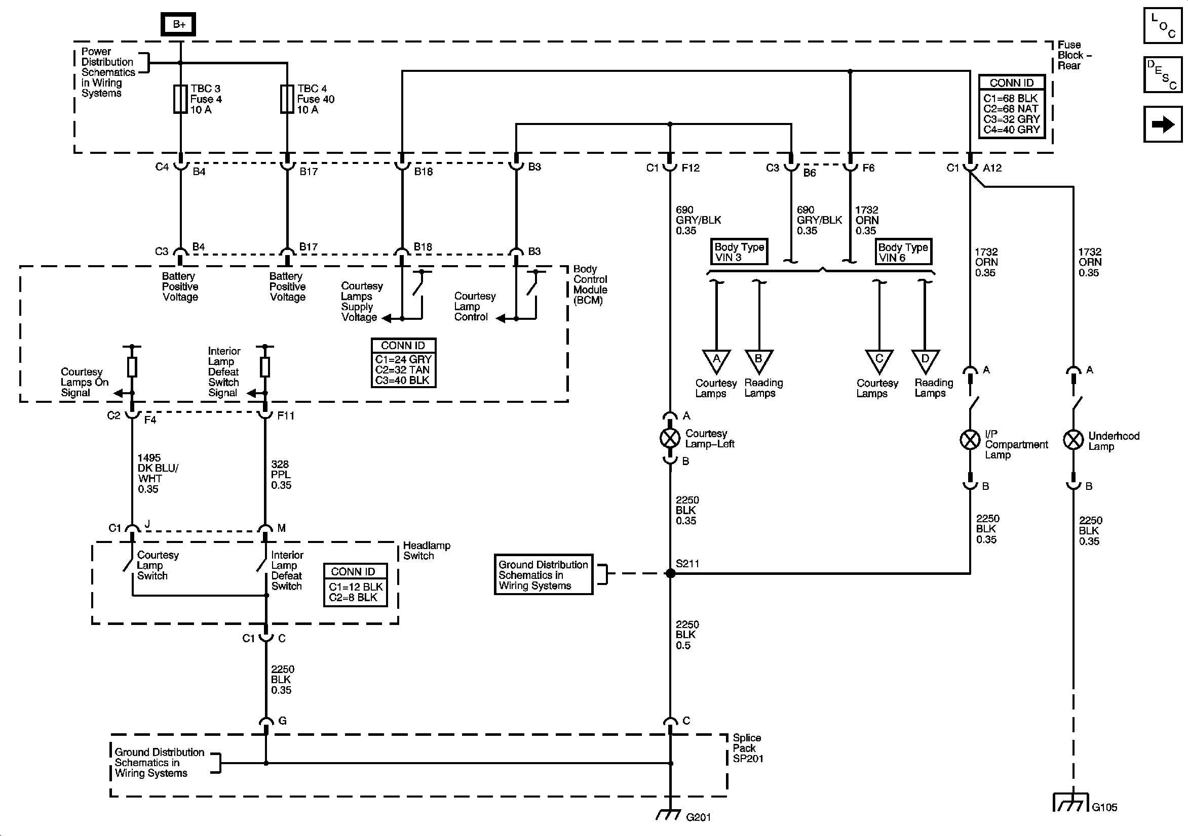
Courtesy Lamp Control, I/P Compartment, and Underhood Lamp


Object Number: 685077  Size: FS
Master Electrical Component List
Interior Lighting Systems Description and Operation
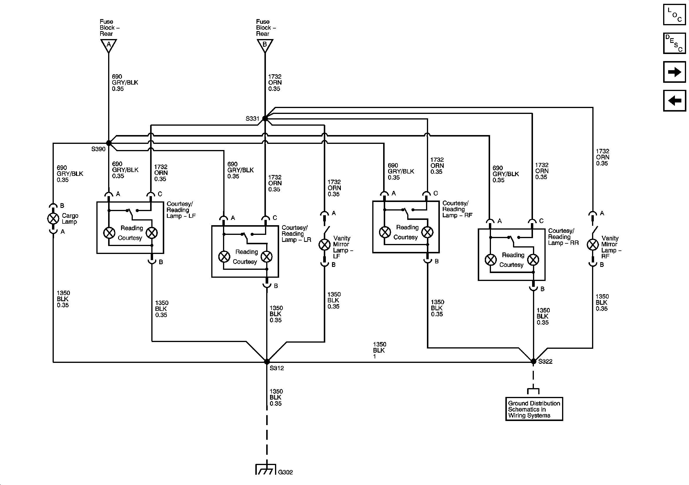
Courtesy/Reading, Cargo, and Vanity Mirror Lamps - Body Type VIN 3
B+ Bus - Rear Fuse Block
Courtesy/Reading, Cargo, and Vanity Mirror Lamps - Body Type VIN 3
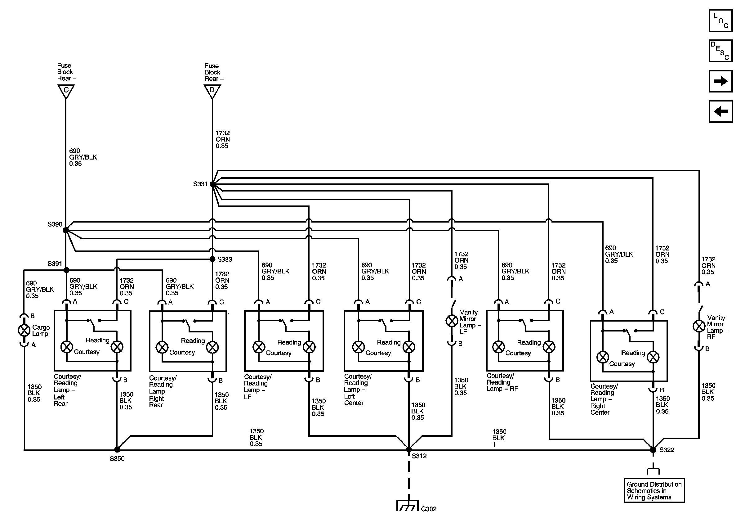
Courtesy/Reading, Cargo, and Vanity Mirror Lamps - Body Type VIN 6
G201 - 2 of 2, G305 and G306
G201 - 1 of 2
G102, G104, G105, and G109
Figure 2:

Courtesy/Reading, Cargo, and Vanity Mirror Lamps - Body Type VIN 3


Object Number: 685088  Size: FS
Master Electrical Component List
Interior Lighting Systems Description and Operation
Courtesy/Reading, Cargo, and Vanity Mirror Lamps - Body Type VIN 6
Courtesy Lamp Control, I/P Compartment, and Underhood Lamp
Courtesy Lamp Control, I/P Compartment, and Underhood Lamp
Courtesy Lamp Control, I/P Compartment, and Underhood Lamp
G302 - 2 of 2
G302 - 2 of 2
Figure 3:

Courtesy/Reading, Cargo, and Vanity Mirror Lamps - Body Type VIN 6


Object Number: 840238  Size: FS
Master Electrical Component List
Interior Lighting Systems Description and Operation
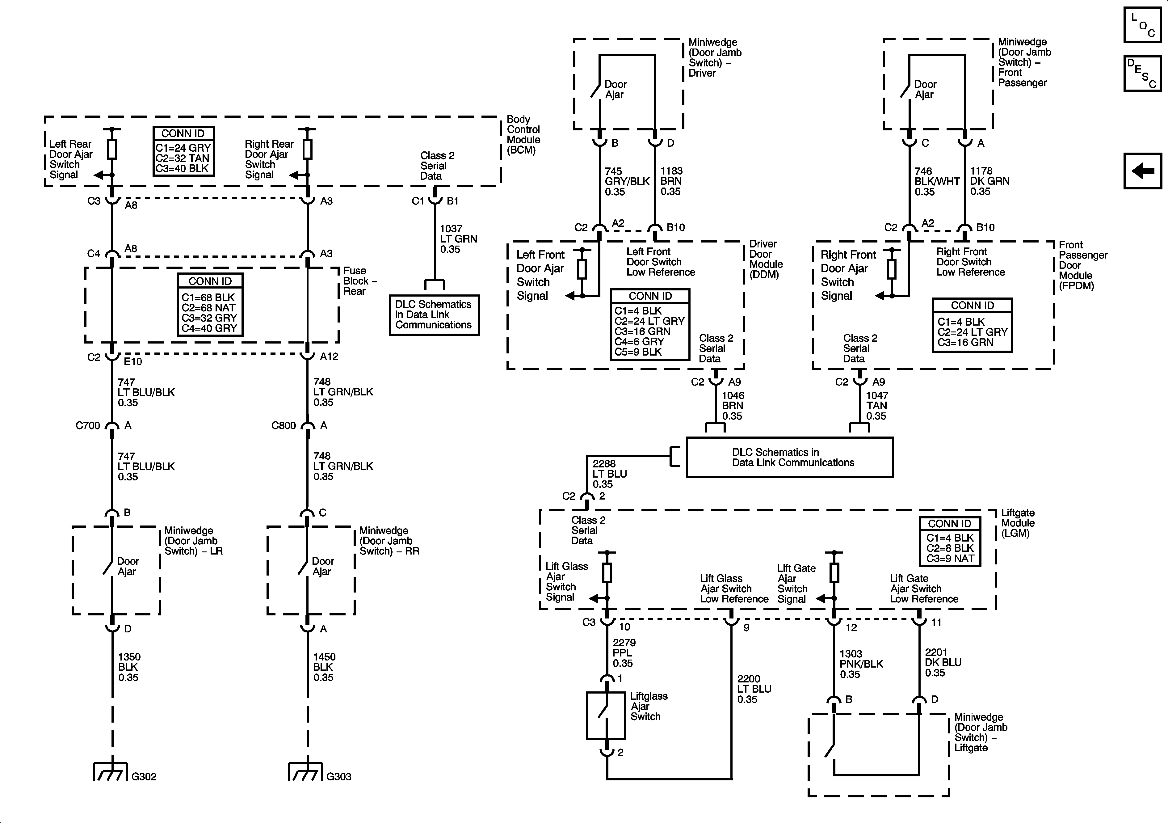
Liftgate and Door Switches
Courtesy/Reading, Cargo, and Vanity Mirror Lamps - Body Type VIN 3
Courtesy Lamp Control, I/P Compartment, and Underhood Lamp
Courtesy Lamp Control, I/P Compartment, and Underhood Lamp
G302 - 2 of 2
G302 - 2 of 2
Figure 4:

Liftgate and Door Switches


Object Number: 685084  Size: FS
Master Electrical Component List
Interior Lighting Systems Description and Operation
Courtesy/Reading, Cargo, and Vanity Mirror Lamps - Body Type VIN 6
DLC and SP205
SP206
G302 - 1 of 2, G303 and G304
G302 - 1 of 2, G303 and G304