GM Service Manual Online
For 1990-2009 cars only
Makes
🢒
Oldsmobile
🢒
2002
🢒
Bravada
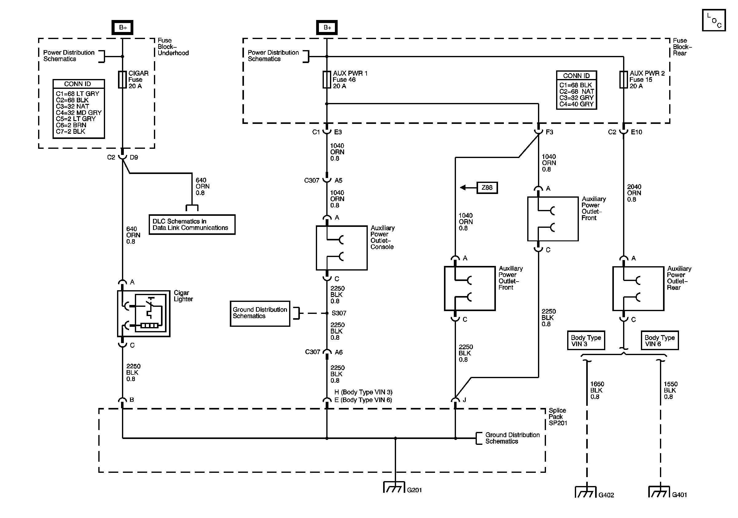
🢒 Cigar Lighter/Auxiliary Outlets Schematics
Cigar Lighter/Auxiliary Outlets Schematics
Master Electrical Component List
B+ Bus - Underhood Fuse Block
B+ Bus - Rear Fuse Block
DLC and SP205
G201 - 1 of 2
G201 - 1 of 2
G201 - 1 of 2
G401, G402, and G403
G401, G402, and G403