GM Service Manual Online
For 1990-2009 cars only
Makes
🢒
Oldsmobile
🢒
2002
🢒
Bravada
🢒 Body Type VIN 3
Body Type VIN 3
Body Type VIN 3
Master Electrical Component List
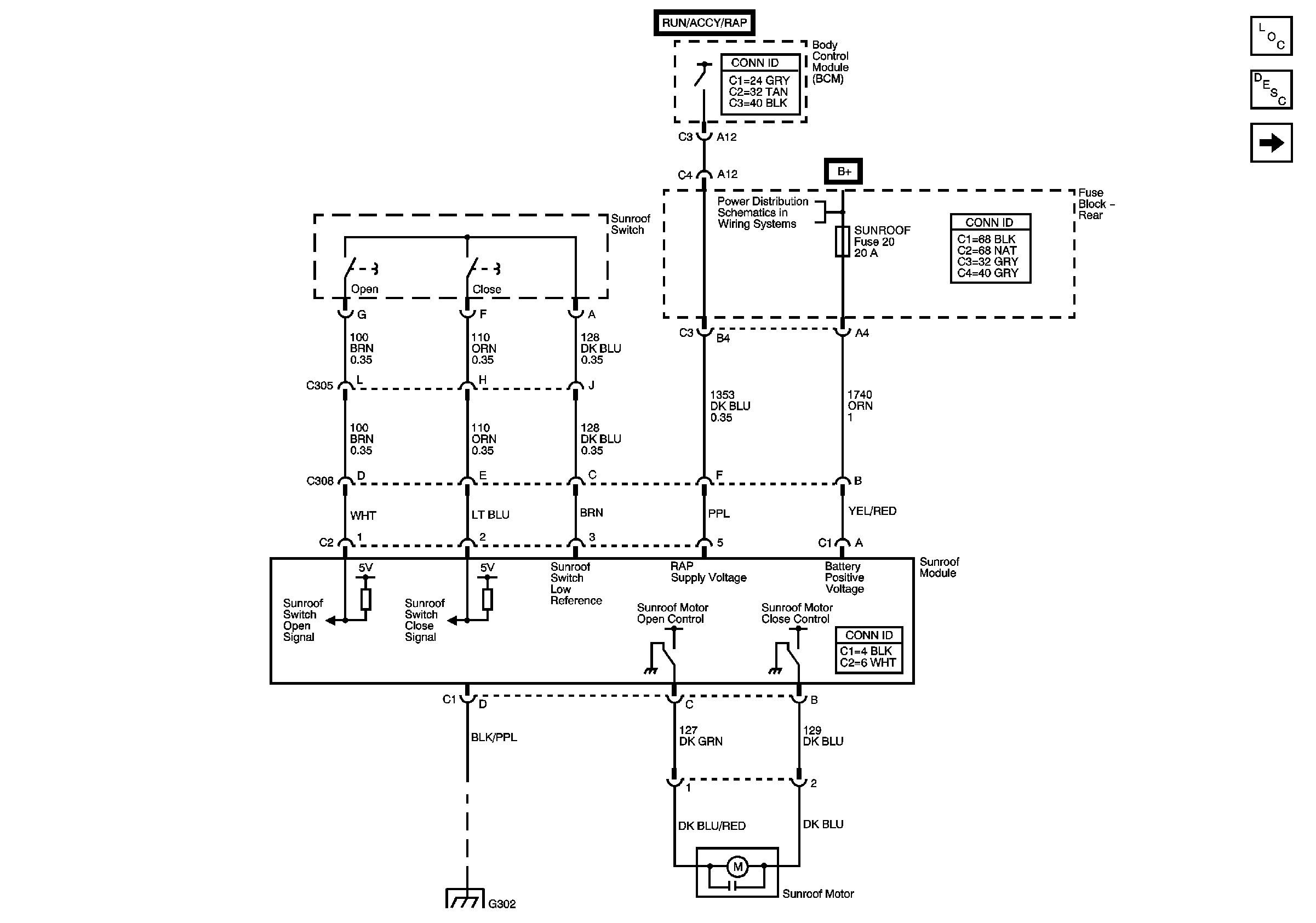
Sunroof Description and Operation
Body Type VIN 6
B+ Bus - Rear Fuse Block
G302 - 1 of 2, G303 and G304