GM Service Manual Online
For 1990-2009 cars only
Makes
🢒
Oldsmobile
🢒
2002
🢒
Bravada
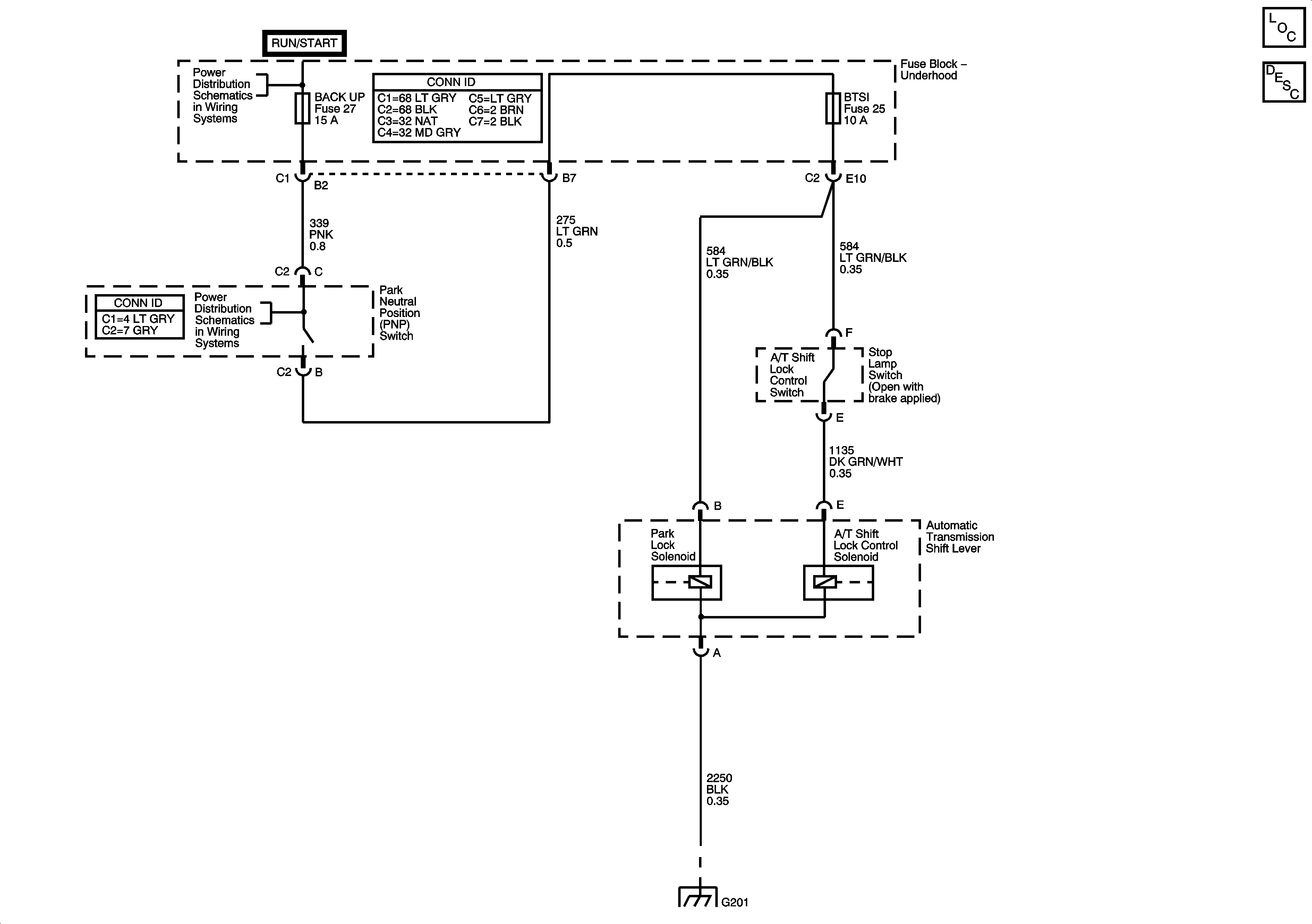
🢒 Shift Lock Control Schematics
Shift Lock Control Schematics
Master Electrical Component List
Automatic Transmission Shift Lock Control Description and Operation
ACCY/RUN and RUN/START Bus Bars
IGN E, TBC IGN1, BACK UP, BTSI, and TRLR B/U Fuses
G201 - 1 of 2