GM Service Manual Online
For 1990-2009 cars only
Makes
🢒
Oldsmobile
🢒
2002
🢒
Bravada
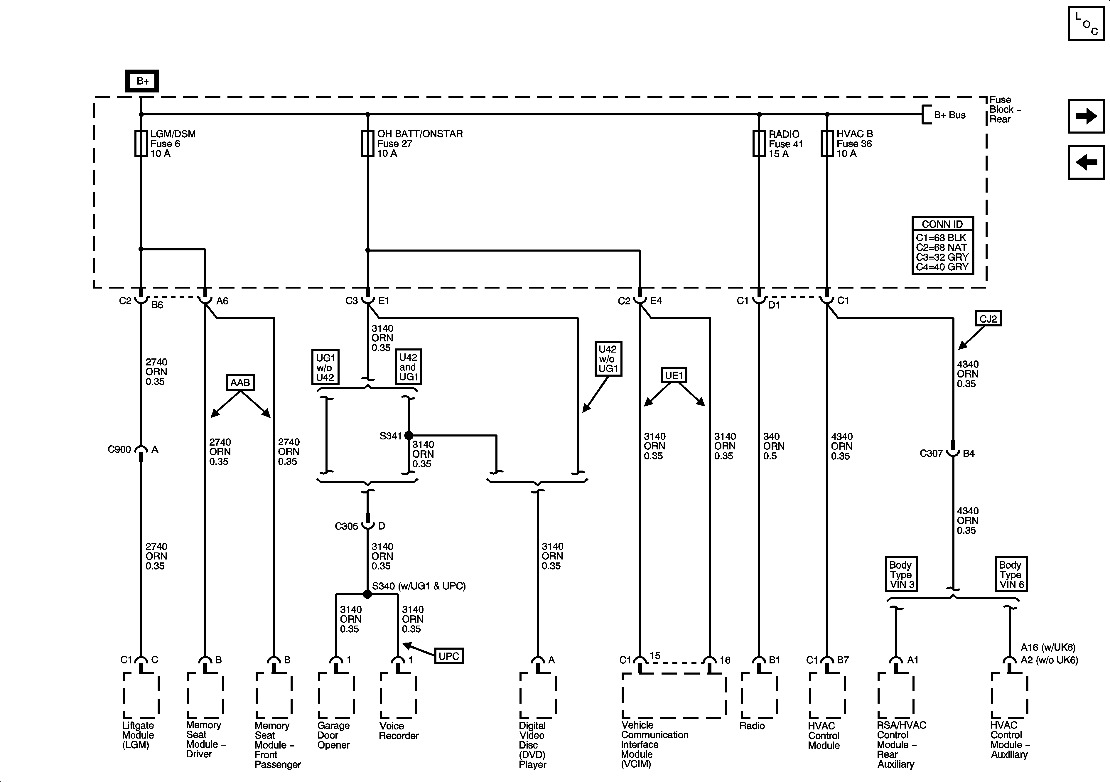
🢒 LGM/DSM, OH BATT/ONSTAR, RADIO, and HVAC B Fuses
LGM/DSM, OH BATT/ONSTAR, RADIO, and HVAC B Fuses
LGM/DSM, OH BATT/ONSTAR, RADIO, and HVAC B Fuses
Master Electrical Component List
SUNROOF, AUX PWR 2, RR HVAC, AUX PWR 1, TBC 2, TBC 3, and TBC 4 Fuses
COILS, RIDE, ECAS, IPC/DIC, FLASH, TBC 1, and PCM B Fuses
B+ Bus - Rear Fuse Block